芯片元器件
HOME
芯片元器件
正文内容
179芯片 MediaTek成国内最大手机芯片供应商!6nm天玑1200乘胜追击高通
发布时间 : 2026-01-02
作者 : 小编
访问数量 : 23
扫码分享至微信

MediaTek成国内最大手机芯片供应商!6nm天玑1200乘胜追击高通

昨日,CINNO Research发布的最新统计数据显示,2020年下半年MediaTek市场份额爆发式增长,超越高通和华为海思,首次成为中国国内市场最大的智能手机处理器厂商。今天,MediaTek发布新一代旗舰5G移动平台天玑1200,采用台积电6nm制程,相比前代旗舰平台天玑1000+性能提升22%,能效提升25%,同时推出性能略有降低的天玑1100。

雷锋网了解到,Redmi将会首发天玑1200移动平台,realme也会推出首批搭载天玑新旗舰平台的手机。首款搭载天玑1200平台的智能手机会在今年六月份之前发布。

有意思的是,高通在昨日发布了上一代旗舰平台骁龙865 Plus的升级版骁龙870,超级内核主频高达3.2GHz。两大移动处理器巨头提供商之间的竞争在5G商用初期就发生了变化,MediaTek能否成功冲击旗舰市场再一次成为关注的焦点。

6nm 天玑1200保证“不翻车”?

手机处理器对于先进制程有着强烈的需求,特别是追求高性能和低能耗的旗舰级手机处理器。2020年下半年,苹果、华为、高通、三星的5nm手机处理器陆续登场,不过使用搭载这些5nm处理器手机的用户反馈,5nm带来的提升并不如预期,还有发热、续航不足等问题。

最新发布的天玑1200采用台积电6nm新制程,采用1+3+4的旗舰级三丛架构设计,1个 3.0GHz的旗舰级 Cortex-A78大核、3个2.4GHz的 Cortex-78和4个2.0 GHz的Cortex-A55,与天玑1000+相比,性能提升22%,能效提升25%。

GPU核心数与天玑1000+相同,均为9核Arm Mali-G77,新一代产品通过优化,在T-Rex等多方面均有超过10%的性能提升。

APU依旧是3.0版本,MediaTek无线通信事业部副总经理李彦辑表示,与友商旗舰相比,天玑1200的ETHZ提升90%,MobileNet V2(FP16)提升60%,SRGAN(INTB)提升43%,U-Net(INTB)提升45%。

MediaTek无线通信事业部技术规划总监李俊男在发布会后的进一步交流中表示:“我们在先进制程的技术上肯定不会掉队。选择6nm是我们的策略,能效方面我们肯定是在高端芯片的前列,在6nm工艺和A78的配合下,性能提升22%,能效提升25%,这是跟友商最大的区别。”

“现在高端手机SoC设计的一大挑战是能效,性能太高能效就比较难控制,我们会针对制程去找到性能和能效的最佳甜蜜点,台积电的6nm制程有更好的性能和能效平衡。”李俊男进一步表示。

李彦辑也表示:“6nm会带来研发成本的成倍增长,要发挥出先进制程的优势,架构设计也非常重要,要让架构能发挥出CPU、GPU、ISP、AI等各部分的优势。”

由此我们更容易理解为何天玑1200相比上一代旗舰平台天玑1000在GPU以及APU方面并没有巨大提升,而是在已有旗舰级性能的基础上进一步优化。

毫米波进展即将公布

目前,国内市场新推出的智能手机5G手机的占比已经超过70%,无论是智能手机厂商还是手机处理器厂商都已经将产品的重点放在5G。

天玑1200的5G调制解调器支持全球5G运营商的Sub-6GHz全频段和大带宽,支持独立(SA)和非独立(NSA)组网模式、5G双载波聚合(2CC CA)、动态频谱共享(DSS)、MediaTek 5G UltraSave省电技术,以及5G SA/NSA双模组网下的双卡5G待机、双卡VoNR语音服务等。

MediaTek给出的数据显示,性能方面,天玑1200的5G速度相比友商旗舰高40%,下载峰值速率为4.7Gbps,上行峰值速率为2.5Gbps。省电方面,MediaTek的5G UltraSave使用智能SA量测排程与智能SA/NSA混合搜网策略,SA/NSA表现更省电,轻载功耗和重载功耗相比友商旗舰均有所下降。

李彦辑在发布会上强调,MediaTek 5G调制解调器,通过包涵6大维度、72个场景测试的德国莱茵TÜV Rheinland认证,支持高性能5G连接,能带来全场景的高品质5G连网体验。

不过,有用户反馈天玑1000的双卡5G待机功能虽然让人印象深刻,但似乎并不实用。MediaTek无线通信事业部产品行销处副总监粘宇村表示:“4G双卡待机已经成为标配,我们相信双卡5G待机也会成为标配。现在已经有运营商把双5G写成一个标准功能,这个功能可以引入双卡5G自动切换,后面还会引入双SA和VoNR。”

通过进一步优化,天玑1200推出5G高铁模式、5G电梯模式等应用模式。通过智能场景感知、信号的快速捕获跟踪、智能搜网和驻网,让手机拥有高效且稳定的5G性能。不过,天玑1200依旧不支持5G毫米波。

对于何时会推出支持毫米波的产品,MediaTek 副总经理暨无线通信事业部总经理徐敬全透露,MediaTek在毫米波方面的进展非常顺利,今年第一季度就会有进一步的消息和大家分享。

手机AI进入视频时代

去年12月骁龙888推出时,一个重要的升级就是AI的应用已经从拍照优化升级到视频。今天新推出的天玑1200同样在进一步优化AI拍照的同时将AI应用于视频。

李俊男介绍,利用天玑1200搭载的APU3.0,结合AI多任务调度机制,通过AI降噪、AI曝光、AI物体追踪等AI技术的高度融合,可以带来“急速夜拍”和“超级全景夜拍”等拍照新体验。同时,充分发挥APU 3.0混和精度优势,灵活运用整数精度与浮点精度运算,达到更高的AI应用能效。

AI视频应用方面,借助强大的AI性能,结合多人实时分割技术,可实现多人的背景替换、多路人移除等手机视频拍摄特效。不仅如此,天玑1200还支持芯片级单帧逐行4K HDR视频技术(Staggered HDR),在用户录制4K视频时,对每帧画面进行3次曝光融合处理,让视频画质拥有出色的动态范围,从发布会展示的视频看,视频的色彩、对比度、细节等方面有明显提升。

天玑1200还能利用AI技术实现画质增强,通过AI对大量影片的深度学习,从导演视角对视频画面进行逐帧调教,为SDR片源带来接近HDR的动态范围。

另外,天玑1200也支持AI多人虚化、多景深智能对焦、AI流媒体画质增强等AI视频技术,让vlog的创作以及直播有更好的体验和更多可能性。

光线追踪将引入智能手机

除了5G和AI,游戏性能也成为了最近几年智能手机处理器升级的重点。天玑1200搭载的是升级的MediaTek HyperEngine 3.0游戏优化引擎,拥有网络优化引擎、操控优化引擎、智能负载调控引擎、画质优化引擎四大引擎。

网络优化方面,天玑1200利用双卡5G的特性,在5G网络连接下可实现游戏通话双卡并行,在主卡玩手游的同时接听副卡来电,游戏持续不断线。而超级热点和高铁游戏模式则针对不同的游戏环境进行网络优化,为的是有效降低游戏网络延迟和卡顿。

操控方面,一些游戏玩家会使用四个手指操作。HyperEngine 3.0的操控引擎能让多指触控时报点率保持稳定的高帧运行。

智能负载调控引擎则是新增游戏高刷省电、智能健康充电、Wi-Fi 6省电模式,平衡性能与功耗。

画质方面,通过HyperEngine 3.0加上AI,通过HDR让游戏画面更加明亮,易于玩家操作。特别值得一提的是,MediaTek的HyperEngine布局了光线追踪(Ray Tracing)技术,光线追踪技术能够为游玩家带来媲美真实的游戏画面。

光线追踪技术对游戏有着革命性的意义。雷锋网此前报道,2018年时英伟达推出了图灵架构的桌面级GPU,支持光线追踪,英伟达称这是其12年来最大的飞跃。在英伟达的带领下,AMD也积极研发光线追踪GPU,Imagination也在积极布局移动端的光线追踪GPU产品。

不过,李俊男表示MediaTek的光线追踪技术是其与合伙伙伴共同研发的,并没有采用Imagination的光线追踪产品。

还有一点,天玑1200率先支持即将发布的蓝牙LE Audio(蓝牙低功耗音频)标准,相较传统TWS真无线蓝牙耳机,可扩充至双通道串流音频,可以获得更低的延迟和更长时间的续航,提升游戏体验。

借势挑战高通高端市场地位

新发布的天玑1200亮点不少,旗舰新品对于MediaTek当下所处的形势更显重要。Counterpoint 上月底发布的最新市场报告显示,MediaTek成为 2020 年第三季度最大的智能手机芯片组供应商,市场份额达到 31%,首次超越高通成功登顶。在中国市场,MediaTek也凭借下半年的爆发式增长首次成为中国国内市场最大的智能手机处理器厂商。

最新的市场研究报告都表明MediaTek目前的发展势头不错,这既有国际环境变化的因素,也有MediaTek产品和技术策略的功耗。不过要看到的是,MediaTek当下良好的发展势头是凭借其中端5G移动平台的成功。CINNO Research表示,天玑800市场份额甚至超过麒麟820,成为仅次于骁龙765G的中端5G方案。

在中端5G手机处理器市场的成功让MediaTek迅速提升了市占率,但要进一步提升营收和利润率就需要在旗舰市场取得突破。Gartner本月发布的2020年半导体的营收预测,排名第八的MediaTek 2020年营收增长为38.3%,是营收前十大半导体公司中最高,营收也首次突破百亿美元。

5G的快速增长也让排名第五的高通2020年营收大涨31.5%。从营收规模来看,Gartner预计的MediaTek 2020年的110亿美元的营收与高通179亿美元的营收仍有不小差距。

不过MediaTek挑战高通的高端市场的难度不小,仅从产品层面看,高通赶在天玑1200发布之前发布了单核CPU主频最高的骁龙870,再加上骁龙888,MediaTek与高通的旗舰级产品之间仍有差距。

如果从客户及消费者的层面看,MediaTek面临更大挑战,去年天玑1000系列被手机厂商用到旗舰级产品中的并不多,另外,想要让消费者愿意买一款搭载天玑系列5G处理器的旗舰手机也并不容易。

MediaTek的发言人们被接连问到进入高端市场的策略以及计划时也只是表达的乐观态度。

但是,MediaTek在5G竞争开始时就有了良好势头,谁又能准备预测未来是否会有格局的改变呢?雷锋网

高端HIFI发烧音频DAC解码芯片排名

音频“解码器”中最核心、重要的器件,无非就是“解码”(DAC,数模转换)芯片了,大家常常很关注音频DAC芯片的选用,也热衷于对其优劣的讨论。

本文尝试对当前最优秀的高端音频DAC芯片的结构、技术和性能等做简单介绍,作一个排名,以供大家参考。

尽管如此,任何一个优质的音频DAC芯片(无关排名),都有可能被用来实现整机的好声音。想必,我们要客观地认识DAC芯片的重要性,更要客观地认识芯片的整机配合的重要性。所以,本文并不提倡唯“芯”主义

1

音频DAC芯片的类型

1970年代,开始有了单片集成电路(IC)的DAC,就算是开启了DAC的芯片时代。而最早的DAC芯片是从使用加权电阻的结构,双极晶体管的工艺(处理)技术开始的。

1975年的8位DAC芯片DAC08,摘自 《The Data Conversion Handbook》, ANALOG DEVICES, 2005

1)分压式

在音频应用,传统的技术是使用分压式结构的(R-2R是分压式的一个特例),多位(并行输入)的PCM(脉冲编码调制)数据格式,为了改善精度和提高速度,降低功耗,工艺逐步采用互补双极集体管、薄膜电阻加激光矫正和现在的CMOS电路等。这类芯片中,著名的有如Burr-Brown公司(2000年被Texas Instruments收购)R-2R结构的几款芯片:

PCM63:支持20位/96kHz的PCM音频信号,动态范围108dB;

PCM1702:1995年推出,20位,动态范围110dB;

PCM1704:1999年推出,24位,动态范围112dB。

这些芯片都采用了一些特别手段来改善性能,如使用“符号量级(sign-magnitude)”架构在零位附近采用小的级差、互补的两套DAC电路来产生绝对的电流,激光矫正的电阻等措施,来减少过零失真和差分误差。

R-2R DAC芯片PCM1704,摘自《PCM1704 24-Bit, Datasheet》,Burr-Brown Corporation, February, 1999

Philips半导体公司(2006年与Motorola半导体合并成立成为NXP半导体公司)还推出了的数字流(串行输入)的DAC芯片如:

TDA1541/TDA1541A:16位,推出时间分别为1985年和1991年,信噪比95dB和110dB,使用10位+6位的分压器,其中低位6位使用3个2位进行轮换,实现动态元件适配(DEM)功能,来降低失真,TDA1541A按差分线性误差从高到低还分为/N2/R1、/N2和/N2/S1的级别;

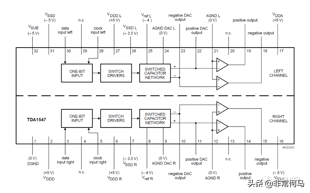
TDA1547:1991年推出,1位(支持20位PCM信号),信噪比113dB,动态范围108dB,需与SAA7350数字流电路配合使用。分离芯片的布局和独立声道设计,有很好的声道分离度(115dB),通过切换电容分压网络来进行数模转换,很适合当时的高端CD机等设备使用。

数字流DAC芯片TDA1547框图,摘自《 TDA1547 Datasheet》 Philips Semiconductors, September 1991

2)Sigma-Delta

性能更好(动态范围更大、噪声和失真更小)、数量更多的是,使用多位Sigma-Delta调制器的,音频DAC芯片。有名的有如:

美国Analog Devices(AD)公司的AD1955;美国Cirrus Logic(CL)公司的CS43xx系列,英国Wolfson半导体公司(2014年被Cirrus Logic收购)的WM87xx系列,美国Texas Instruments(TI)公司的PCM179x和DSD179x系列,美国ESS公司的SABRE SOUND技术品牌下的ES90xx和ES90xxPRO系列,日本Asahi Kasei Microdevices(AKM)公司,2007年的全球第一款32位的AK4397,和之后VELVET SOUND技术品牌下的AK44xx系列,等等。

当下,ESS、AKM、Cirrus Logic、Texas Instrument等公司是目前高端音频DAC芯片的主要供应厂商。

3)FPGA/CPLD

随着芯片技术的进步,实现DAC功能的方法也有更多的选择,FPGA(现场可编程门阵列)或CPLD(复杂可编程逻辑器件)可以用来按设计人的需要来实现DAC的功能。这类器件的厂商主要是美国的Xilinx和Intel(被收购的Altera)公司。

主流芯片

由于技术的局限,R-2R DAC芯片在性能上再提高有很大的困难,FPGA或CPLD来实现DAC技术细节不统一,而采用Sigma-Delta技术的芯片,由于动态范围大、噪声低、CMOS电路成本低且容易在片上增加其它处理功能等优势,是目前音频市场也是高端音频市场的主流芯片。

2

芯片构成

音频DAC芯片的构成主要有以下几种形态:

1)基本DAC

音频DAC芯片最基本的功能部件,是一个多路转换器接收各种格式的音频信号(DSD或PCM)、过采样和数字滤波器、调制器和数模转换输出等。AKM公司的AK4499、AK4497和Texas Instruments公司DSD1794等芯片就是采用这样的构成的,如下图所示:

基本DAC芯片构成

这样的芯片需要和外部的数字音频接收芯片配合使用,才能接收如SPDIF(索尼飞利浦数字接口或索尼飞利浦数字互联格式)/AES(美国音响工程协会)/EBU(欧洲广播联盟)等标准下的串行音频数据。Cirrus Logic公司的CS8416就是一款典型的数字音频接收芯片。

数字音频接收芯片CS8416框图,摘自《CS8416 Datasheet》,Cirrus Logic, Inc. AUGUST '07.

2)带数字音频接收器

有的芯片会把数字音频接收器集成到同一个DAC芯片中,如ESS的ES9038PRO、ES9028PRO等,集成了一个SPDIF功能块。这样,采用更高程度SoC(片上解决方案)设计思路带来的好处,不仅可以减少芯片数量、减少电路板的占用面积、减少外部干扰、减少耗电等,更重要的是,可以更方便地进行数据处理,来实现一些技术手段。

带SPDIF接收器的DAC芯片

SPDIF数字音频接收器设置比较

3)独立调制和独立数模转换

芯片如目前尚未上市的AKM的AK4191,是一个独立的64位调制器,支持DSD1024和高达1536kHz采样频率的PCM信号,与AK4498独立数模转换芯片组合使用,可以实现高密度的音频播放。

4)片上解决方案(SoC)

芯片如Cirrus Logic公司的CS43131、CS43198等,在基本DAC功能块后,附带了模拟滤波器,可以直接输出模拟信号;如ESS公司的ES9219、ES9080,AKM的AK4377A等,附带功率较大的模拟放大器,可直接接入耳机;再如ESS的ES9038Q2M等,采用低功耗设计。SoC设计简化整机组成和材料,体积减小,降低成本。这些芯片是以应用为导向的,比如面向移动电话或移动设备使用等。

3

技术手段

目前高端音频DAC芯片,几乎都是使用了性能较好的多位Sigma-Delta调制器的,采用了如过采样和数字滤波、噪声整形、动态元件适配(DEM)等技术。除此以外,各厂商还开发出了各自的技术,来进一步提高芯片的整体性能。

1)异步采样率转换(ASRC)技术

常规芯片跟踪音频时钟的方式是使用PLL(锁相环)技术。下图所示,是一个典型的PLL电路原理图。PLL实质是一个反馈电路,用来跟踪输入信号的时钟和变化。

常规PLL电路原理图,摘自《CS8416 Datasheet》,Cirrus Logic, Inc. AUGUST '07.

通过仔细的设计和元器件的选择,PLL可以实现很好的时钟跟踪的性能,并控制Jitter(时基抖动)在较小的水平。但是,PLL电路的性能容易受信号质量、传送线路质量、器材、干扰和速度等因素的影响,在高速的状态下性能受限制。

ESS公司使用了异步采样率转换的技术,通过适当的计算,使DAC的时钟与音频信号时钟保持一致但与暂态变化脱离,芯片使用本地产生的时钟信号,DAC的Jitter仅取决于本地晶振的固有性能,实质性地来消除信号中和传输中的Jitter,降低对前端信号质量、连接线、器材等的要求。ESS公司Sabre DAC的SPDIF接口能够达到很宽裕的Jitter容忍度。

Sabre DAC的Jitter消除电路原理图,摘自《 About Jitter》AMM ESS, October 2011;

芯片不同时钟来源比较

2)HyperStream调制器

ESS公司的低阶级联的调制器,称为HyperStream调制器,使调制深度接近100%,并且保持调制器稳定,从而降低Sigma-Delta DAC的暂态(频域)非线性和噪声。

3)过采样率倍增器(OSR Doubler)

Sigma-Delta DAC都采用过采样技术来扩大动态范围,再通过噪声整形来降低音频频带内噪声。早期的DAC芯片的过采样频率还在较低的水平,如4~16倍的标准音频采样频率,现在的芯片可以做到更高的频率,来进一步提高DAC的性能。日本AKM公司,在数字滤波中采用过采样率倍增器(OSR Doubler),来增加输入信号的范围、降低音频带内噪声、同时降低功耗,其高端DAC芯片如AK4490等,过采样倍数可达到256倍。

4)分段DAC

按所处的位置和所起作用的不同,分段数字信号高位和低位,再有目的地分别进行处理,可以提高DAC的性能。Texas Instruments在PCM179x和DSD179x系列等芯片中采用了这项技术,称为“先进分段DAC",来增加动态范围和提高对Jitter的容忍度。

Texas Instruments的“先进分段DAC”原理图,摘自《DSD1794A Datasheet》Texas Instruments, NOVEMBER 2006

5)其它技术

为了尽可能地改善音频DAC芯片的性能,厂商还会采取其它一些的技术,如:数据加权平均(DWA)、增益矫正和失真补偿、基准参考电压矫正、电流输出、低输出阻抗、差分互补输出、外部数字滤波、低噪声线性电源,等等。技术手段是多样的,且有些技术还处于保密之中,因此也难以一一罗列和描述。

4

高端音频DAC芯片排名

动态范围是音频DAC有代表性的性能参数,以下就按此性能高低并结合其它因素,对最高端部分的音频DAC芯片进行排名。

高端音频DAC芯片排名:

注:动态范围数据为各厂商公布的各对应芯片的最大值。排名未包括应用导向(如含有模拟放大器SoC)、独立调制器、独立数模转换器和停产的等芯片。

ESS公司的ES9038PRO作为目前为止行业内参数指标最高的芯片之一,片上集成了SPDIF接口,通过采用采样率的异步转换技术的Jitter消除电路,与前端传输Jitter去耦合,有很大的Jitter容忍度,HyperStream专利调制器能使Sigma-Delta调制器克服一些频域暂态的非常线性,外加其它的一些技术,如失真矫正、8通道可随意切换的差分DAC、专用的超低噪声线性电源(ES9311Q)等,作为性能最好的芯片,有许多的优势。

ESS公司旗舰ES9038PRO框图,摘自《 SABRE PRO ES9038PRO Datasheet》,ESS March 5, 2019

AK4499,AKM公司的新旗舰,排列中引脚最多且价格最贵的芯片,动态范围也达到了业内最高(与ES9038PRO平齐),但是没有附带SPDIF接口,所以如果在同等条件下考虑的话,综合的性能指标,应该略低于单片的指标。另外AK4499为4通道DAC,少于ES9038PRO;对DSD的支持最高为DSD512,也低于ES9038PRO的DSD1024。

引脚最多的AKM新旗舰AK4499,摘自《 AK4499 Premium Switched Resistor 4ch DAC》, AsahiKASEI, 2019/02

ES9028PRO,与ES9038PRO几乎是完全相同的芯片(包括功能和芯片包装、引脚),只在两处可以发现到差别:一是输出阻抗大于ES9038PRO;二是动态范围、失真和噪声的指标低于ES9038PRO一个级别。综合指标是否会高于同等条件下的AK4499(增加SPDIF接口等)尚没有依据,略逊色于旗舰芯片。

ES9008、ES9018,也是32位、8通道的芯片,也采用了异步采样率转换等技术,均为当时性能指标最高的芯片,但是ESS公司SABRE SOUND品牌下较早推出的芯片,使用的也是较早期的HyperStream调制技术,综合性能在ES9028PRO之下。

AK4497是AKM公司的上一个旗舰芯片,有名望的芯片,2通道DAC,各参数性能优秀,也支持32位/768kHz和DSD512的音频信号,指标略低于新旗舰AK4499。

曾经声名大噪的1794(PCM1972、PCM1794、DSD1792、DSD1794),Texas Instruments(被收购的Burr-Brown,BB)公司最有名的芯片之一(系列),采用专有的ADVANCED SEGMENT(先进分段)调制技术。虽然推出时间比较早,但还是性能指标不低的芯片,不足之处是24位的芯片,支持的采用频率也有局限。据此,可能应该向后排列,但如果对音乐信号位数(如32位PCM)不是太刻意要求的话,还是很好的芯片。

CS4399和AD1955分别是Cirrus Logic和AnalogDevices公司最高端的音频DAC芯片,AD1955时间较早但CS4399还是最近几年的产品;WM8740、WM8741、WM8742是Wolfson半导体(属于Cirrus Logic)公司的芯片,其中WM8741性能为最优;AKM公司的AK4490曾经是最畅销的芯片,之后的替代产品AK4493和后来推出的其它型号的芯片有更好的性能;ESS公司的ES9026PRO、ES9016分别是定位低于对应的ES9038PRO和ES9018的产品,Sabre9006AS更是更早期芯片ES9006的替代品;PCM1795是Texas Instruments公司少数支持32位的音频DAC芯片,和PCM1796、PCM1798一样,性能低于PCM1794系列,是比PCM1794、PCM1792级别稍低的产品。

排列稍靠后的芯片,基本上是各公司旗舰或最高端芯片之下,低一点级别的产品,或是时间较早的核心产品,性能指标不俗,与各旗舰相比,有较好的性价比。

再从另外的角度看一下排名情况。

按价格排名:

注:按当前官方销售渠道的各芯片销售价格与其中最低价格相除得到价格指数。

按推出/上市时间排名:

注:以各厂商的官方商业文件和其它官方资料提供的信息作为时间依据;芯片WM8740/41/42的推出/上市时间尚不能确定。

5

小结

ESS和AKM公司的芯片的推出时间较晚、技术较新,有较明显的优势。排名先后不等同于声音的优劣,而且,每个人对声音的评判会有自己的理解和标准。任何一款优秀的芯片都有可能带来激动人心的好声音;同样,任何一款优秀的芯片,也都可能会受整机中其它部件的限制而发挥不出应有的性能,就比如120dB的动态范围的来说,外围电路要能够实现这个性能也不是容易的。高端音频DAC解码芯片技术复杂、种类繁多,遗漏和差错在所难免,欢迎指正、补充。

V2.0,2021年3月2日

参考资料:

1. The Data Conversion Handbook, ANALOG DEVICES, Walt Kester, Editor, ELSEVIER 2005;

2. Technical Details of the Sabre Audio DAC, Martin Mallinson and Dustin Forman, ESS Technology Technical Staff;

3. About Jitter:Digital Audio's weakest link, AMM ESS, October 2011;

4. TDA1541 Dual 16-bit DAC, Philips Semiconductors, November 1985;

5. TDA1541A Stereo high performance 16-bit DAC, Philips Semiconductors, February 1991;

6. TDA1547 Dual top-performance bitstream DAC, Philips Semiconductors, September 1991;

7. SAA7350 20-bit input bitstream conversion DAC for digital audio system, Philips Semiconductors, November 1991;

8. SABRE ES9008 Reference 8-Channel Audio DAC Datasheet, ESS TECHNOLOGY, INC., February 18, 2015;

9. SABRE ES9016 Ultra 32-bit 8-Channel Audio DAC Datasheet, ESS TECHNOLOGY, INC., May 8, 2015;

10. SABRE ES9018 Reference 32-bit Audio DAC Datasheet, ESS TECHNOLOGY, INC., May 8, 2015;

11. SABRE PRO ES9026PRO 32-Bit HyperStream II 8-Channel Audio DAC, ESS TECHNOLOGY, INC., May 5, 2019;

12. SABRE PRO ES9028PRO 32-Bit HyperStream II 8-Channel Audio DAC, ESS TECHNOLOGY, INC., July 6, 2020;

13. SABRE PRO ES9038PRO Flagship 32-Bit HyperStream II 8-Channel Audio DAC, ESS TECHNOLOGY, INC., March 5, 2019;

14. SABRE HIFI ES9038Q2M 32-Bit Stereo Low Power Audio DAC Datasheet, ESS TECHNOLOGY, INC., July 7, 2019;

15. SABRE HIFI ES9080 32-Bit High-Performance 8-Channel DAC Prodcut Brief, ESS TECHNOLOGY, INC., Dec 1, 2020;

16. SABRE HIFI ES9219 32-Bit Stereo Low Power DAC with Headphone Amplifier, Analog Volume Control, and Output Switch, ESS TECHNOLOGY, INC., February 27, 2020;

17. SABRE SABRE9006A Premier 8-Chnannel Audi DAC Datasheet, ESS TECHNOLOGY, INC., May 4, 2020;

18. AK4495S/95 Quality-oriented Premium 32-Bit 2ch DAC, AsahiKASEI, 2014/04;

19. = Preliminary = AK4191 Premium Digital ΔΣ Modulator, AsahiKASEI, 2020/02;

20. AK4377A Low-Power Advanced 32-bit DAC with HP, AsahiKASEI, 2018/02;

21. AK4490EN Premium 32-Bit 2ch DAC, AsahiKASEI, 2015/12;

22. AK4490 Premium 32-Bit 2ch DAC, AsahiKASEI, 2014/11;

23. AK4492 Quality Oriented 32-Bit 2ch DAC, AsahiKASEI, 2016/12;

24. AK4493 Quality Oriented 32-Bit 2ch DAC, AsahiKASEI, 2017/12;

25. AK4495S/95 Quality-oriented Premium 32-Bit 2ch DAC, AsahiKASEI, 2014/04;

26. AK4497 Quality Oriented 32-Bit 2ch DAC, AsahiKASEI, 2016/05;

27. AK4498 Quality Oriented Multi-bit Stereo DAC, AsahiKASEI, 2018/12;

28. AK4499 Premium Switched Resistor 4ch DAC, AsahiKASEI, 2019/02;

29. CS4398 120 dB, 192 kHz Multi-Bit DAC with Volume Control, Cirrus Logic, Inc. July ‘05;

30. CS4399 130-dB, 32-Bit High-Performance DAC, Cirrus Logic, Inc. Dec ‘16;

31. CS43131 130-dB, 32-Bit High-Performance DAC with Integrated Headphone Driver and Impedance Detection, Cirrus Logic, Inc. Oct ‘17;

32. CS43198 130-dB, 32-Bit High-Performance DAC with Pseudodifferential Outputs, Cirrus Logic, Inc. Oct ‘17;

33. WM 8740 24-bit, High Performance 192kHz Stereo DAC, WOLFSON MICROELECTRONICS LTD, July 2000;

34. WM 8741 24-bit 192kHz DAC with Advanced Digital Filtering, WOLFSON MICROELECTRONICS LTD, October 2007;

35. WM 8742 24-bit 192kHz DAC with Advanced Digital Filtering, WOLFSON MICROELECTRONICS LTD, February 2013;

36. PCM63P Colinear ™ 20-Bit Monolithic Audio DIGITAL-TO-ANALOG CONVERTER, Burr-Brown Corporation, January, 1998;

37. PCM1702P PCM1702U BiCMOS Advanced Sign Magnitude 20-Bit DIGITAL-TO-ANALOG CONVERTER, Burr-Brown Corporation, June, 1995;

38. PCM1704 24-Bit, 96kHz BiCMOS Sign-Magnitude DIGITAL-TO-ANALOG CONVERTER,Burr-Brown Corporation, February, 1999;

39. PCM1794A 24-BIT, 192-kHz SAMPLING, ADVANCED SEGMENT, AUDIO STEREO DIGITAL-TO-ANALOG CONVERTER, Texas Instruments, NOVEMBER 2006;

40. PCM1792A 24-BIT, 192-kHz SAMPLING, ADVANCED SEGMENT, AUDIO STEREO DIGITAL-TO-ANALOG CONVERTER, Texas Instruments, NOVEMBER 2006;

41. PCM1795 32-Bit, 192-kHz Sampling, Advanced Segment, Stereo Audio Digital-to-Analog Converter, Texas Instruments, MARCH 2015;

42. PCM1796 24-BIT, 192-kHz SAMPLING, ADVANCED SEGMENT, AUDIO STEREO DIGITAL-TO-ANALOG CONVERTER, Texas Instruments, NOVEMBER 2006;

43. PCM1798 24-Bit, 192-kHz Sampling, Advanced Segment, Audio Stereo Digital-to-Analog Converter, Texas Instruments, MARCH 2015;

44. DSD1792A 24-BIT, 192-kHz SAMPLING, ADVANCED SEGMENT, AUDIO STEREO DIGITAL-TO-ANALOG CONVERTER, Texas Instruments, NOVEMBER 2006;

45. DSD1794A 24-BIT, 192-kHz SAMPLING, ADVANCED SEGMENT, AUDIO STEREO DIGITAL-TO-ANALOG CONVERTER, Texas Instruments, NOVEMBER 2006;

46. DSD1796 24-BIT, 192-kHz SAMPLING, ADVANCED SEGMENT, AUDIO STEREO DIGITAL-TO-ANALOG CONVERTER, Texas Instruments, NOVEMBER 2006;

47. AD1955 High Performance Multibit Σ-Δ DAC with SACD Playback, Analog Devices, Inc., 2002;

48. CS8416, 192kHz Digital Audio Interface Receiver, Cirrus Logic, AUGUST '07.

(结尾)

相关问答

HP惠普打印机都有芯片吗?

作为惠普打印机的硒鼓,个人觉得肯定会带芯片,芯片是记录硒鼓的信息,我目前见过的打印机硒鼓惠普的还没有不带芯片的,因为打印机耗材是打印机厂商挣钱的一个工...

pcm1794a什么档次?

PCM1794芯片属于中端解码水平,声音更为温暖,声音要更为饱满,中气更足,动态、层次上要明显占优。感觉其中的关键是这台机器的是电容耦合的形式,如果换成直耦...

pcm1794和1794a有什么区别?

1794和1794a他们的区别在于后面儿是前面儿的升级版,我们知道在型号上如果两个版本按照升级不同会在这个数字后面加上一个字母a,所以1794这个数字是原始的型号,...

es9018k2mpcm1798pcn1795这3个芯片那个好点啊?

es9018k2m是9018的阉割版而且阉割严重。现在很多便宜的播放器上面都能用上就知道不是什么好玩意儿。PCM这东西179X最后一位数字越小越好es9018k2m是9018的...

OPPO好还是魅族好?-ZOL问答

魅族mx3:前置:索尼200万背照式(支持1080P录像)、美颜自拍(磨皮、美白)后置:索尼第三代800万背照式(索尼IMX179感光芯片、1.4μm超大感光像素)、F/2.0超大光圈...

为什么全球芯片大缺货,是什么原因导致的?

01疫情原因导致芯片需求暴增2020年以来,受新冠疫情影响,全球各国均采用远程办公、远程上课的方式避免公众接触,这就导致了笔记本、平板电脑需求量的显著提升...

华为海思是家什么公司?中国还有哪些芯片公司?-红网问答

是一家半导体公司,海思半导体有限公司成立于2004年10月,前身是创建于1991年的华为集成电路设计中心。海思公司总部位于深圳,在北京、上海、...海思...

东芝芯片业务出售给美国为什么需要中国同意批准?

日美韩联合体收购东芝芯片业务,不光是需要中国同意批准,而是需要通过7个国家和1个地区(韩国、美国、日本、欧盟、巴西、菲律宾、中国台湾、中国大陆)的审查。...

骁龙8gen1发热介绍-ZOL问答

同时,高通还采用了液冷散热技术,通过在芯片上添加液体来提高导热效率,并有效降低芯片温度。除了硬件方面的优化外,高通还通过软件算法和人工智能技术来智能调节...

xr128g参数?

iPhoneXR的主要参数如下:-存储容量:128GB-屏幕尺寸:6.1英寸全面屏-分辨率:1792x828像素-处理器:A12仿生芯片-操作系统:iOS14(可升级至iOS...

 第九届金鹰女神  0758 
王经理: 180-0000-0000(微信同号)
10086@qq.com
北京海淀区西三旗街道国际大厦08A座
©2026  上海羊羽卓进出口贸易有限公司  版权所有.All Rights Reserved.  |  程序由Z-BlogPHP强力驱动
网站首页
电话咨询
微信号

QQ

在线咨询真诚为您提供专业解答服务

热线

188-0000-0000
专属服务热线

微信

二维码扫一扫微信交流
顶部