技术资料
HOME
技术资料
正文内容
hifi芯片排行 高端HIFI发烧音频DAC解码芯片排名
发布时间 : 2025-12-31
作者 : 小编
访问数量 : 23
扫码分享至微信

高端HIFI发烧音频DAC解码芯片排名

音频“解码器”中最核心、重要的器件,无非就是“解码”(DAC,数模转换)芯片了,大家常常很关注音频DAC芯片的选用,也热衷于对其优劣的讨论。

本文尝试对当前最优秀的高端音频DAC芯片的结构、技术和性能等做简单介绍,作一个排名,以供大家参考。

尽管如此,任何一个优质的音频DAC芯片(无关排名),都有可能被用来实现整机的好声音。想必,我们要客观地认识DAC芯片的重要性,更要客观地认识芯片的整机配合的重要性。所以,本文并不提倡唯“芯”主义

1

音频DAC芯片的类型

1970年代,开始有了单片集成电路(IC)的DAC,就算是开启了DAC的芯片时代。而最早的DAC芯片是从使用加权电阻的结构,双极晶体管的工艺(处理)技术开始的。

1975年的8位DAC芯片DAC08,摘自 《The Data Conversion Handbook》, ANALOG DEVICES, 2005

1)分压式

在音频应用,传统的技术是使用分压式结构的(R-2R是分压式的一个特例),多位(并行输入)的PCM(脉冲编码调制)数据格式,为了改善精度和提高速度,降低功耗,工艺逐步采用互补双极集体管、薄膜电阻加激光矫正和现在的CMOS电路等。这类芯片中,著名的有如Burr-Brown公司(2000年被Texas Instruments收购)R-2R结构的几款芯片:

PCM63:支持20位/96kHz的PCM音频信号,动态范围108dB;

PCM1702:1995年推出,20位,动态范围110dB;

PCM1704:1999年推出,24位,动态范围112dB。

这些芯片都采用了一些特别手段来改善性能,如使用“符号量级(sign-magnitude)”架构在零位附近采用小的级差、互补的两套DAC电路来产生绝对的电流,激光矫正的电阻等措施,来减少过零失真和差分误差。

R-2R DAC芯片PCM1704,摘自《PCM1704 24-Bit, Datasheet》,Burr-Brown Corporation, February, 1999

Philips半导体公司(2006年与Motorola半导体合并成立成为NXP半导体公司)还推出了的数字流(串行输入)的DAC芯片如:

TDA1541/TDA1541A:16位,推出时间分别为1985年和1991年,信噪比95dB和110dB,使用10位+6位的分压器,其中低位6位使用3个2位进行轮换,实现动态元件适配(DEM)功能,来降低失真,TDA1541A按差分线性误差从高到低还分为/N2/R1、/N2和/N2/S1的级别;

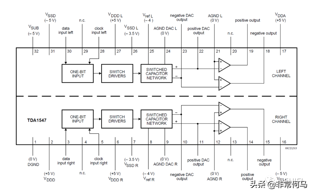
TDA1547:1991年推出,1位(支持20位PCM信号),信噪比113dB,动态范围108dB,需与SAA7350数字流电路配合使用。分离芯片的布局和独立声道设计,有很好的声道分离度(115dB),通过切换电容分压网络来进行数模转换,很适合当时的高端CD机等设备使用。

数字流DAC芯片TDA1547框图,摘自《 TDA1547 Datasheet》 Philips Semiconductors, September 1991

2)Sigma-Delta

性能更好(动态范围更大、噪声和失真更小)、数量更多的是,使用多位Sigma-Delta调制器的,音频DAC芯片。有名的有如:

美国Analog Devices(AD)公司的AD1955;美国Cirrus Logic(CL)公司的CS43xx系列,英国Wolfson半导体公司(2014年被Cirrus Logic收购)的WM87xx系列,美国Texas Instruments(TI)公司的PCM179x和DSD179x系列,美国ESS公司的SABRE SOUND技术品牌下的ES90xx和ES90xxPRO系列,日本Asahi Kasei Microdevices(AKM)公司,2007年的全球第一款32位的AK4397,和之后VELVET SOUND技术品牌下的AK44xx系列,等等。

当下,ESS、AKM、Cirrus Logic、Texas Instrument等公司是目前高端音频DAC芯片的主要供应厂商。

3)FPGA/CPLD

随着芯片技术的进步,实现DAC功能的方法也有更多的选择,FPGA(现场可编程门阵列)或CPLD(复杂可编程逻辑器件)可以用来按设计人的需要来实现DAC的功能。这类器件的厂商主要是美国的Xilinx和Intel(被收购的Altera)公司。

主流芯片

由于技术的局限,R-2R DAC芯片在性能上再提高有很大的困难,FPGA或CPLD来实现DAC技术细节不统一,而采用Sigma-Delta技术的芯片,由于动态范围大、噪声低、CMOS电路成本低且容易在片上增加其它处理功能等优势,是目前音频市场也是高端音频市场的主流芯片。

2

芯片构成

音频DAC芯片的构成主要有以下几种形态:

1)基本DAC

音频DAC芯片最基本的功能部件,是一个多路转换器接收各种格式的音频信号(DSD或PCM)、过采样和数字滤波器、调制器和数模转换输出等。AKM公司的AK4499、AK4497和Texas Instruments公司DSD1794等芯片就是采用这样的构成的,如下图所示:

基本DAC芯片构成

这样的芯片需要和外部的数字音频接收芯片配合使用,才能接收如SPDIF(索尼飞利浦数字接口或索尼飞利浦数字互联格式)/AES(美国音响工程协会)/EBU(欧洲广播联盟)等标准下的串行音频数据。Cirrus Logic公司的CS8416就是一款典型的数字音频接收芯片。

数字音频接收芯片CS8416框图,摘自《CS8416 Datasheet》,Cirrus Logic, Inc. AUGUST '07.

2)带数字音频接收器

有的芯片会把数字音频接收器集成到同一个DAC芯片中,如ESS的ES9038PRO、ES9028PRO等,集成了一个SPDIF功能块。这样,采用更高程度SoC(片上解决方案)设计思路带来的好处,不仅可以减少芯片数量、减少电路板的占用面积、减少外部干扰、减少耗电等,更重要的是,可以更方便地进行数据处理,来实现一些技术手段。

带SPDIF接收器的DAC芯片

SPDIF数字音频接收器设置比较

3)独立调制和独立数模转换

芯片如目前尚未上市的AKM的AK4191,是一个独立的64位调制器,支持DSD1024和高达1536kHz采样频率的PCM信号,与AK4498独立数模转换芯片组合使用,可以实现高密度的音频播放。

4)片上解决方案(SoC)

芯片如Cirrus Logic公司的CS43131、CS43198等,在基本DAC功能块后,附带了模拟滤波器,可以直接输出模拟信号;如ESS公司的ES9219、ES9080,AKM的AK4377A等,附带功率较大的模拟放大器,可直接接入耳机;再如ESS的ES9038Q2M等,采用低功耗设计。SoC设计简化整机组成和材料,体积减小,降低成本。这些芯片是以应用为导向的,比如面向移动电话或移动设备使用等。

3

技术手段

目前高端音频DAC芯片,几乎都是使用了性能较好的多位Sigma-Delta调制器的,采用了如过采样和数字滤波、噪声整形、动态元件适配(DEM)等技术。除此以外,各厂商还开发出了各自的技术,来进一步提高芯片的整体性能。

1)异步采样率转换(ASRC)技术

常规芯片跟踪音频时钟的方式是使用PLL(锁相环)技术。下图所示,是一个典型的PLL电路原理图。PLL实质是一个反馈电路,用来跟踪输入信号的时钟和变化。

常规PLL电路原理图,摘自《CS8416 Datasheet》,Cirrus Logic, Inc. AUGUST '07.

通过仔细的设计和元器件的选择,PLL可以实现很好的时钟跟踪的性能,并控制Jitter(时基抖动)在较小的水平。但是,PLL电路的性能容易受信号质量、传送线路质量、器材、干扰和速度等因素的影响,在高速的状态下性能受限制。

ESS公司使用了异步采样率转换的技术,通过适当的计算,使DAC的时钟与音频信号时钟保持一致但与暂态变化脱离,芯片使用本地产生的时钟信号,DAC的Jitter仅取决于本地晶振的固有性能,实质性地来消除信号中和传输中的Jitter,降低对前端信号质量、连接线、器材等的要求。ESS公司Sabre DAC的SPDIF接口能够达到很宽裕的Jitter容忍度。

Sabre DAC的Jitter消除电路原理图,摘自《 About Jitter》AMM ESS, October 2011;

芯片不同时钟来源比较

2)HyperStream调制器

ESS公司的低阶级联的调制器,称为HyperStream调制器,使调制深度接近100%,并且保持调制器稳定,从而降低Sigma-Delta DAC的暂态(频域)非线性和噪声。

3)过采样率倍增器(OSR Doubler)

Sigma-Delta DAC都采用过采样技术来扩大动态范围,再通过噪声整形来降低音频频带内噪声。早期的DAC芯片的过采样频率还在较低的水平,如4~16倍的标准音频采样频率,现在的芯片可以做到更高的频率,来进一步提高DAC的性能。日本AKM公司,在数字滤波中采用过采样率倍增器(OSR Doubler),来增加输入信号的范围、降低音频带内噪声、同时降低功耗,其高端DAC芯片如AK4490等,过采样倍数可达到256倍。

4)分段DAC

按所处的位置和所起作用的不同,分段数字信号高位和低位,再有目的地分别进行处理,可以提高DAC的性能。Texas Instruments在PCM179x和DSD179x系列等芯片中采用了这项技术,称为“先进分段DAC",来增加动态范围和提高对Jitter的容忍度。

Texas Instruments的“先进分段DAC”原理图,摘自《DSD1794A Datasheet》Texas Instruments, NOVEMBER 2006

5)其它技术

为了尽可能地改善音频DAC芯片的性能,厂商还会采取其它一些的技术,如:数据加权平均(DWA)、增益矫正和失真补偿、基准参考电压矫正、电流输出、低输出阻抗、差分互补输出、外部数字滤波、低噪声线性电源,等等。技术手段是多样的,且有些技术还处于保密之中,因此也难以一一罗列和描述。

4

高端音频DAC芯片排名

动态范围是音频DAC有代表性的性能参数,以下就按此性能高低并结合其它因素,对最高端部分的音频DAC芯片进行排名。

高端音频DAC芯片排名:

注:动态范围数据为各厂商公布的各对应芯片的最大值。排名未包括应用导向(如含有模拟放大器SoC)、独立调制器、独立数模转换器和停产的等芯片。

ESS公司的ES9038PRO作为目前为止行业内参数指标最高的芯片之一,片上集成了SPDIF接口,通过采用采样率的异步转换技术的Jitter消除电路,与前端传输Jitter去耦合,有很大的Jitter容忍度,HyperStream专利调制器能使Sigma-Delta调制器克服一些频域暂态的非常线性,外加其它的一些技术,如失真矫正、8通道可随意切换的差分DAC、专用的超低噪声线性电源(ES9311Q)等,作为性能最好的芯片,有许多的优势。

ESS公司旗舰ES9038PRO框图,摘自《 SABRE PRO ES9038PRO Datasheet》,ESS March 5, 2019

AK4499,AKM公司的新旗舰,排列中引脚最多且价格最贵的芯片,动态范围也达到了业内最高(与ES9038PRO平齐),但是没有附带SPDIF接口,所以如果在同等条件下考虑的话,综合的性能指标,应该略低于单片的指标。另外AK4499为4通道DAC,少于ES9038PRO;对DSD的支持最高为DSD512,也低于ES9038PRO的DSD1024。

引脚最多的AKM新旗舰AK4499,摘自《 AK4499 Premium Switched Resistor 4ch DAC》, AsahiKASEI, 2019/02

ES9028PRO,与ES9038PRO几乎是完全相同的芯片(包括功能和芯片包装、引脚),只在两处可以发现到差别:一是输出阻抗大于ES9038PRO;二是动态范围、失真和噪声的指标低于ES9038PRO一个级别。综合指标是否会高于同等条件下的AK4499(增加SPDIF接口等)尚没有依据,略逊色于旗舰芯片。

ES9008、ES9018,也是32位、8通道的芯片,也采用了异步采样率转换等技术,均为当时性能指标最高的芯片,但是ESS公司SABRE SOUND品牌下较早推出的芯片,使用的也是较早期的HyperStream调制技术,综合性能在ES9028PRO之下。

AK4497是AKM公司的上一个旗舰芯片,有名望的芯片,2通道DAC,各参数性能优秀,也支持32位/768kHz和DSD512的音频信号,指标略低于新旗舰AK4499。

曾经声名大噪的1794(PCM1972、PCM1794、DSD1792、DSD1794),Texas Instruments(被收购的Burr-Brown,BB)公司最有名的芯片之一(系列),采用专有的ADVANCED SEGMENT(先进分段)调制技术。虽然推出时间比较早,但还是性能指标不低的芯片,不足之处是24位的芯片,支持的采用频率也有局限。据此,可能应该向后排列,但如果对音乐信号位数(如32位PCM)不是太刻意要求的话,还是很好的芯片。

CS4399和AD1955分别是Cirrus Logic和AnalogDevices公司最高端的音频DAC芯片,AD1955时间较早但CS4399还是最近几年的产品;WM8740、WM8741、WM8742是Wolfson半导体(属于Cirrus Logic)公司的芯片,其中WM8741性能为最优;AKM公司的AK4490曾经是最畅销的芯片,之后的替代产品AK4493和后来推出的其它型号的芯片有更好的性能;ESS公司的ES9026PRO、ES9016分别是定位低于对应的ES9038PRO和ES9018的产品,Sabre9006AS更是更早期芯片ES9006的替代品;PCM1795是Texas Instruments公司少数支持32位的音频DAC芯片,和PCM1796、PCM1798一样,性能低于PCM1794系列,是比PCM1794、PCM1792级别稍低的产品。

排列稍靠后的芯片,基本上是各公司旗舰或最高端芯片之下,低一点级别的产品,或是时间较早的核心产品,性能指标不俗,与各旗舰相比,有较好的性价比。

再从另外的角度看一下排名情况。

按价格排名:

注:按当前官方销售渠道的各芯片销售价格与其中最低价格相除得到价格指数。

按推出/上市时间排名:

注:以各厂商的官方商业文件和其它官方资料提供的信息作为时间依据;芯片WM8740/41/42的推出/上市时间尚不能确定。

5

小结

ESS和AKM公司的芯片的推出时间较晚、技术较新,有较明显的优势。排名先后不等同于声音的优劣,而且,每个人对声音的评判会有自己的理解和标准。任何一款优秀的芯片都有可能带来激动人心的好声音;同样,任何一款优秀的芯片,也都可能会受整机中其它部件的限制而发挥不出应有的性能,就比如120dB的动态范围的来说,外围电路要能够实现这个性能也不是容易的。高端音频DAC解码芯片技术复杂、种类繁多,遗漏和差错在所难免,欢迎指正、补充。

V2.0,2021年3月2日

参考资料:

1. The Data Conversion Handbook, ANALOG DEVICES, Walt Kester, Editor, ELSEVIER 2005;

2. Technical Details of the Sabre Audio DAC, Martin Mallinson and Dustin Forman, ESS Technology Technical Staff;

3. About Jitter:Digital Audio's weakest link, AMM ESS, October 2011;

4. TDA1541 Dual 16-bit DAC, Philips Semiconductors, November 1985;

5. TDA1541A Stereo high performance 16-bit DAC, Philips Semiconductors, February 1991;

6. TDA1547 Dual top-performance bitstream DAC, Philips Semiconductors, September 1991;

7. SAA7350 20-bit input bitstream conversion DAC for digital audio system, Philips Semiconductors, November 1991;

8. SABRE ES9008 Reference 8-Channel Audio DAC Datasheet, ESS TECHNOLOGY, INC., February 18, 2015;

9. SABRE ES9016 Ultra 32-bit 8-Channel Audio DAC Datasheet, ESS TECHNOLOGY, INC., May 8, 2015;

10. SABRE ES9018 Reference 32-bit Audio DAC Datasheet, ESS TECHNOLOGY, INC., May 8, 2015;

11. SABRE PRO ES9026PRO 32-Bit HyperStream II 8-Channel Audio DAC, ESS TECHNOLOGY, INC., May 5, 2019;

12. SABRE PRO ES9028PRO 32-Bit HyperStream II 8-Channel Audio DAC, ESS TECHNOLOGY, INC., July 6, 2020;

13. SABRE PRO ES9038PRO Flagship 32-Bit HyperStream II 8-Channel Audio DAC, ESS TECHNOLOGY, INC., March 5, 2019;

14. SABRE HIFI ES9038Q2M 32-Bit Stereo Low Power Audio DAC Datasheet, ESS TECHNOLOGY, INC., July 7, 2019;

15. SABRE HIFI ES9080 32-Bit High-Performance 8-Channel DAC Prodcut Brief, ESS TECHNOLOGY, INC., Dec 1, 2020;

16. SABRE HIFI ES9219 32-Bit Stereo Low Power DAC with Headphone Amplifier, Analog Volume Control, and Output Switch, ESS TECHNOLOGY, INC., February 27, 2020;

17. SABRE SABRE9006A Premier 8-Chnannel Audi DAC Datasheet, ESS TECHNOLOGY, INC., May 4, 2020;

18. AK4495S/95 Quality-oriented Premium 32-Bit 2ch DAC, AsahiKASEI, 2014/04;

19. = Preliminary = AK4191 Premium Digital ΔΣ Modulator, AsahiKASEI, 2020/02;

20. AK4377A Low-Power Advanced 32-bit DAC with HP, AsahiKASEI, 2018/02;

21. AK4490EN Premium 32-Bit 2ch DAC, AsahiKASEI, 2015/12;

22. AK4490 Premium 32-Bit 2ch DAC, AsahiKASEI, 2014/11;

23. AK4492 Quality Oriented 32-Bit 2ch DAC, AsahiKASEI, 2016/12;

24. AK4493 Quality Oriented 32-Bit 2ch DAC, AsahiKASEI, 2017/12;

25. AK4495S/95 Quality-oriented Premium 32-Bit 2ch DAC, AsahiKASEI, 2014/04;

26. AK4497 Quality Oriented 32-Bit 2ch DAC, AsahiKASEI, 2016/05;

27. AK4498 Quality Oriented Multi-bit Stereo DAC, AsahiKASEI, 2018/12;

28. AK4499 Premium Switched Resistor 4ch DAC, AsahiKASEI, 2019/02;

29. CS4398 120 dB, 192 kHz Multi-Bit DAC with Volume Control, Cirrus Logic, Inc. July ‘05;

30. CS4399 130-dB, 32-Bit High-Performance DAC, Cirrus Logic, Inc. Dec ‘16;

31. CS43131 130-dB, 32-Bit High-Performance DAC with Integrated Headphone Driver and Impedance Detection, Cirrus Logic, Inc. Oct ‘17;

32. CS43198 130-dB, 32-Bit High-Performance DAC with Pseudodifferential Outputs, Cirrus Logic, Inc. Oct ‘17;

33. WM 8740 24-bit, High Performance 192kHz Stereo DAC, WOLFSON MICROELECTRONICS LTD, July 2000;

34. WM 8741 24-bit 192kHz DAC with Advanced Digital Filtering, WOLFSON MICROELECTRONICS LTD, October 2007;

35. WM 8742 24-bit 192kHz DAC with Advanced Digital Filtering, WOLFSON MICROELECTRONICS LTD, February 2013;

36. PCM63P Colinear ™ 20-Bit Monolithic Audio DIGITAL-TO-ANALOG CONVERTER, Burr-Brown Corporation, January, 1998;

37. PCM1702P PCM1702U BiCMOS Advanced Sign Magnitude 20-Bit DIGITAL-TO-ANALOG CONVERTER, Burr-Brown Corporation, June, 1995;

38. PCM1704 24-Bit, 96kHz BiCMOS Sign-Magnitude DIGITAL-TO-ANALOG CONVERTER,Burr-Brown Corporation, February, 1999;

39. PCM1794A 24-BIT, 192-kHz SAMPLING, ADVANCED SEGMENT, AUDIO STEREO DIGITAL-TO-ANALOG CONVERTER, Texas Instruments, NOVEMBER 2006;

40. PCM1792A 24-BIT, 192-kHz SAMPLING, ADVANCED SEGMENT, AUDIO STEREO DIGITAL-TO-ANALOG CONVERTER, Texas Instruments, NOVEMBER 2006;

41. PCM1795 32-Bit, 192-kHz Sampling, Advanced Segment, Stereo Audio Digital-to-Analog Converter, Texas Instruments, MARCH 2015;

42. PCM1796 24-BIT, 192-kHz SAMPLING, ADVANCED SEGMENT, AUDIO STEREO DIGITAL-TO-ANALOG CONVERTER, Texas Instruments, NOVEMBER 2006;

43. PCM1798 24-Bit, 192-kHz Sampling, Advanced Segment, Audio Stereo Digital-to-Analog Converter, Texas Instruments, MARCH 2015;

44. DSD1792A 24-BIT, 192-kHz SAMPLING, ADVANCED SEGMENT, AUDIO STEREO DIGITAL-TO-ANALOG CONVERTER, Texas Instruments, NOVEMBER 2006;

45. DSD1794A 24-BIT, 192-kHz SAMPLING, ADVANCED SEGMENT, AUDIO STEREO DIGITAL-TO-ANALOG CONVERTER, Texas Instruments, NOVEMBER 2006;

46. DSD1796 24-BIT, 192-kHz SAMPLING, ADVANCED SEGMENT, AUDIO STEREO DIGITAL-TO-ANALOG CONVERTER, Texas Instruments, NOVEMBER 2006;

47. AD1955 High Performance Multibit Σ-Δ DAC with SACD Playback, Analog Devices, Inc., 2002;

48. CS8416, 192kHz Digital Audio Interface Receiver, Cirrus Logic, AUGUST '07.

(结尾)

全球十大hi-end级音源解码品牌介绍

小编曾经总结过全球知名的几十位音箱、功放及音源品牌,不过比较乱,所以抽空重新排一下,按hi-end级、hifi级分开例举。希望大家喜欢。

需要注意的是,由于小编更在意的是品牌的实力、声音,而非销量。也正是这个原因,这些品牌通常来讲也是非常小的公司(就销量而言)。对于某些音响大厂来说,一个品牌中即有hi-end产品,也有hifi产品,还有AV系列,这类一般就到hifi级里了(平均下,嘿嘿)。

排序并非排名,更非实力。评语仅代表小编,一家之言,欢迎讨论,不欢迎喷,谢谢!

一、dCS 英国

dCS成立於1987年,业务原先只集中於录音室专业用的数码处理器之上,因此初期只有该行业的人士知道dCS的产品,打从创业的第二年开始,dCS便持续发表多个世界首创之数码技术,例如1988年推出世界第一部24Bit模拟/数码转换器A/D Converter,型号叫dCS900,到1993年又推出世界第一部24Bit/96kHz的模拟/数码转换器902,1994年又立即再推出900 Master Clock时基输出器,到1995年推出950数码/模拟转换器D/A Converter,继後立即推出升级版952,规格分别为24Bit/48kHz和24Bit/96kHz,上述所提及的型号规格,全为世界第一次发表。期间有日本音响发烧友把这部专业录音室使用的952当作家用,发现声音效果非常突出,消息传开後不少音响迷立即相继模仿,同样觉得声效超卓,於是向dCS厂方反映,并敦促厂方推出家用版。翌年,即1996年,dCS推出Elgar,这是第一部24Bit/96kHz家用版数码/模拟转换器。

1997年dCS推出世界第一部24Bit/192kHz的数码/模拟转换器954和模拟/数码转换器904,大家看看,在专业范畴上早已拥有192kHz规格的解码器面世,然而,家用市场的要迟上多少日子呢?1998年,dCS厂方再在954和904上附加处理DSD(Direct Stream Digital)的功能,成为世界第一部商业用的DSD转换器。

直到1998年,Elgar也升级加入了DSD讯号处理能力,改名为Elgar Plus,1999年,dCS推出Purcell,这又是世界第一部家用式取样频率提升器Upsampier。同年九月,厂方推出另一部24Bit/192kHz家用式数码/模拟转换器Delius,让发烧友可於Elgar之外多了一个便宜一点的选择;……2001年10月,dCS推出Verdi,此乃世界第一部使用IEEE1394数码转输介面的家用式SACD/CD转盘。……

太多世界第一了,dCS厂方的而且确将技术慢慢由商业市场转移到家用市场之上,由於家用版机壳需设计得较为美观,外形会多作修饰,但无奈地生产成本亦会增加,再加上家用型号销售量总没有专业的来得多,间接也令成本提升,因此,相对上dCS录音室用的专业型号机种,售价会比家用型号便宜。

二、ACCUSTIC ARTS 德国

ACCUSTIC ARTS(简称AA)来自德国,这家公司成立于1996年,算是音响界的新生力量,而他们的目标就是要致力于发展极品Hi-End音响器材。要做就做最好的,在这一点上ACCUSTIC ARTS体现了典型的德国公司风格。

Accustic Arts最近全新推出播放机CD Player 1 Mk2,以该公司的DRIVE 1转盘/DAC 1-MK2解码器构成的分体式CD播放系统为蓝本,将其中的精华技术提炼汇聚于一身而形成。CD-PLAYER 1 Mk2与该公司制造的功放具有完全相同的外观风格,采用镜面镀铬面板,操控钮的布局极为简洁,整机重量达到了16kg。

三、CH Precision 瑞士

CH Precision由Florian Cossy和Thierry Heeb于2009年创立。CH的公司名称是取自该公司的2位主事者: Florian Cossy 和Thierry Heeb的C和H. Florian Cossy是曾在瑞士国防部负责密码破解的科学家,甚至还曾经与英国著名数字器材品牌dCS的设计者Mike Storey讨论过数字元滤波的演算方式。Thierry Heeb是著名的数码技术专家(拥有数字取样、数字功率放大与数字同步等领域的四项专利)。

早在1996年二人就是GOLDMUND的数码设计顾问,其后二人成立在数码界名头响亮的Anagram Technologies。推出了很多的数字滤波模块产品,像是DSD转PCM等,在音响领域里提供各种数字硬件、软件的解决方案,著名的Anagram数字滤波模块,是以时间轴作为运算基础的特殊运算方式,名为ATF(Adaptive Time Filtering),可以将讯号提升到24Bit/768kHz再进行处理。这个模块以三枚40Bit每秒运算八亿次的Sharc浮点运算器来计算,主要目的在于处理线性相位与讯号插值,能有效降低Jitter频率误差。从参数上来看,其效果绝对惊人。许多瑞士制造的数字音响产品中,都有Anagram的「黑盒子」模块,包括瑞士著名的Nagra专业器材也都采用ATF 192kHz/24bit芯片与Power Loop(功率回路)模块等。2000年Anagram Technologies联合投资人Reynald Gentizon再成立Orpheus 音响公司,专门采用其专利的模块生产硬件产品,而Orpheus One升频译码器正是他们的处女作。但纤薄的外形设计并不讨好消费者,2004年Orpheus被售予Tellant家族。

淡出Orpheus后的Florian Cossy和Thierry Heeb吸取擅长技术不擅于管理的经验,决心复制GOLDMUND的成功。于2009年成立CH Precision。网罗包括高文的协议设计师等包括硬件,软件和机械设计超强设计师团队。把所有生产外包(机械部分由名表金属代加工厂加工,印刷电路板和单位组装由位于阿尔卑斯山专门制造高技术设备的工厂代工,品质由专门的公司监控)。生产外包能使设计师团队完全专注于其核心能力,在Anagram时代留下的昂贵实验室更是其强劲后盾。团队更与科技院校合作进行最新的研究和技术发展。

CH Precision相信超强的音频性能,先进的设计(根据最新的技术和未来的升级,例如插卡式设计等)和顶级的瑞士制造技术,每一款CH 产品必将使每个发烧友的心跳加速。音频性能最高和最严格的测试和稳定性是CH的骄傲。

四、THORENS 多能士 瑞士

“多能士”(THORENS,瑞士)设立于1883年,他的历史可说就是模拟重播的历史,随着时代他的产品不断进化,在LP唱片时代,作为高级唱机品牌而确立了地位。从普及机到超高级机型,都拥有众多产品,产品均产自法国,凭借素有定评的皮带驱动式机械,威名远扬。

五、Weiss 瑞士

Weiss这家公司在1985年由瑞士人Daniel Weiss创立,公司位于苏黎世,最早只作专业录音室器材,而且专精于数位领域,直到2001年Weiss才开始製作Hi End家用音响器材,骨子裡还是Weiss的专业数位技术,但外观则比录音室器材要漂亮精緻得多。Weiss的专业数类转换器广泛地受到母带后製录音室(mastering studio )喜爱,Kent表示全球大约百分之九十的Mastering Studio都拥有Weiss相关产品,其市场普及率可见一斑。

Weiss在专业领域多年来享有盛名,不过他们在家用市场推出产品的速度却很慢,2000年Wiess首度推出家用版数类转换器Medea,立刻获得市场上热烈的迴响,许多Medea的玩家一直期待Weiss赶快推出可以对应配合的CD转盘,但Wiess一直到2004~05之间才推出Jason转盘,直叫消费者「望穿秋水」。这还不算慢,Weiss的第三部家用器材到2010年才问世,而且只是Firewire数位界面INT202,但接下来速度加快了,2010年还推出DAC 202与ATT202,而最近又推出MAN202音乐档桉网路播放器,也更新了Medea,成为Medea+。这真是一家不简单的公司,迈入家用音响市场十年才「仅仅」有两项产品,但却又在短短两年之间连续推出许多崭新的数位串流应用产品。

六、Metronome 文豪 法国

Metronome Technologie 自1987年成立后便专注于设计及生产高端音响产品,其厂房位于法国土鲁斯郡。多年下来凭其独特设计配合尖端的科技,创制出极具划时代意义的Kalista激光唱片转盘及签名版C2-A数码/模拟转换器。这两款产品不单只为爱好音乐的朋友们带来前所未有的高端聆听享受,同时亦标志了数码回放系统的新标准。该厂现时的全球营运管理与及产品美学设计为Mr. Dominique GINER亲自操刀,旗下所有产品,即使是多微细的工序,他都会亲身监督,以确保在生产过程维持在特定的水平之中。现时Metronome Technologie 品已成功打入全球音响市场。

数码回放器材存在的最终目的,便是作为音乐人与聆听者之间的一道桥梁,把乐曲里想要带出的讯息,真实地传递至聆听者的耳朵里去,让音乐能够与人有更良好的沟通。其次便是外观的重要性,优雅的产品外形,可以于高端聆听享受的层面上,同时满足视觉感观美学要求。Metronome Technologie 每款产品,在面板设计方面一律采用单层 6061-T6铝制电镀面板,表面如丝质般幼细的精致外观,正正能反应出产品精细无遗的特质。

产品的机体结构非常良好,能拥有高传真的效能,即使讯号有多微细,亦纤毫毕现。高贵优雅的外观设计,使METRONOME的产品远超过音响器材的旧框框,而是更具有欣赏价值的铭器。

七、Wadia 怀念 美国

“怀念”(Wadia,美国)成立于1988年,以数字音响为目标,进行高性能D/A转换器的开发,他的产品均是引人注目的热门机,已成为高级激光唱机的代表。

Wadia音源乃交响乐的第一音源:巨细无遗的解析力,庞大的动态对比,快如闪电的瞬态响应。这就是交响乐重播效果之根本!

Wadia2000是该厂推出的第一部分体旗舰解码(1988年),分体电源,和它原配的转盘为三分体结构,再加上原配时钟匹配器,才构成一套完整的系统。后期出过改进型,停产后,虽然被新款的Wadia64.4代替,但其综合素质还是要比Wadia64.4略好些,两者风格较接近。Wadia2000的声音:模拟味十足,柔美,厚实饱满,高密度。其解析力按当时的水平已非常优秀,但两端延伸一般,音场和规模感也一般。然而,其音乐感即便和后来的Wadia9相比亦不遑多让,比起后来的Wadia25,在音乐感上还要胜出,但音响性全面不如。现在市面上新出的解码,我认为2万元以内的依然不是Wadia2000的对手,至今没有几台解码能和其相提并论(特别是音乐感)。

Wadia27是1997上市的该公司的旗舰产品,先后出过4代: 27,27I,27IX,27IX_V3.0。当年Wadia27价格接近75000人民币。

Wadia25在整体上和Wadia27一个感觉,从音响性上说,两者在不是大型系统上差距不十分明显。但在音乐性上,Wadia27则多了份醇厚,稳健和现场感,宛如陈年佳酿,令人陶醉。

八、Techdas 日本

资深音响迷应该都听过日本Micro Seiki的大名,这个当年以重量级结构、真空转盘、气浮轴承扬名于世的黑胶唱盘品牌,如今再度以TechDAS之名复活,母公司是日本知名音响代理商Stella Inc,设计者则是当年Micro Seik工程师Hideaki Nishikawa,第一款作品Air Force One从名称就表明要用「空气」消除一切震动噪音。

转盘分为上、下两层主副碟盘结构,重达19公斤的主转盘,由特别加工过的SU304无磁钢材车制而成。上层副转盘则有三种材质可以选择,分别是A7075超硬铝合金、SUS316L不锈钢、以及黑色压克力材质,三种材质的不同声音特性提供给用家选择。采用低推动电压的超稳定超低噪的AC同步马达,并由DC监控线路每圈1 5次测量并作出调节以确保精确转速,并可以进行非常精密的转速微调。TechDAS采用号称史上最安静的马达推动式气泵,再加上特制橡胶悬浮系统,使背景静深如海。马达,气泵,气压控制器,压缩气过滤器等4组独立供电,确保最高稳定性。全电脑精密监控调节系统,使操作变得轻松。

Air Force One最令人惊讶之处,是媲美数码系统的宁静音乐背景,令所有呈现的声音都有极为纯净透彻,没有半点杂质和毛刺感。在如此宁静的平台上,顶尖唱臂和。昌头的素质得以完全展现,重播出丰富的音乐信息量和密不透风的空间感,是黑胶音质的最佳演绎。

九、Esoteric 日本

Esoteric是日本电器大厂Teac旗下专门生产Hi-End音响的高级品牌。Esoteric的产品线十分齐全,从数位讯源、扩大机、喇叭到线材都有生产,但最著名的还是从1980年代初期 CD面市之后,他们所发展出来重量级雷射读取机构,使得Esoteric所设计生产的CD唱盘、CD转盘、SACD 唱盘与SACD转盘等数位讯源始终享有盛名。

Esoteric设计和制造承诺提供最佳卓越性。在追求卓越的过程中,必 须不惜代价地发掘受限处与障碍点,并使用全部可找到的资源来消除这些障碍,这便是所有ESOTERIC产品的设计目标。为了 生产出最好的产品,我们拥有制造的丰富经验让产品表达出绝对的精密性与声波的真实性。每ㄧ项产品都在日本设计、生产,提供艺术境界般的音像与影像再生的顶级呈现。

十、Jadis 法国

在今天这个数码横行的时代,外壳尤如灯泡的电子管在许多人眼里确实有点廉颇老矣的感觉,但它们的存在,却组成了目前中高端产品线(功率放大器)上的一道风景,其中来自法国Jadis的胆机更是代表着一种自然、质朴而贵气的象征,但在Hi-Fi圈内能够拥有旗下产品的人还唯其少数,被称作属于纯唯美圈子的玩法。

而推出的合并签名版DA-50 Signature,更是突破自我,继续上演价格神话。显示出无与伦比的高调和独步天下的音响再现力,内涵与生俱来的天赋韵味,高频的延伸、泛质感细腻、优雅甜美的音色赢得一致好评!其使命就是把性能卓越的Jadis推向颠峰,在市场刮起一阵复古风(电子管)。显然,Jadis专注技术尤其是内在品质的提升,对市场的敏锐洞察,经过缜密的研究,严格的生产线调整,极高的研发投入,而DA-50 Signaturet是Jadis巨大投入后的结晶。

--------------------------小广分界线-----------------------------

自然声公司由著名音乐音响和耳机发烧友杰长老创办于2016年底,致力于生产价格合理,声音自然、流畅、耐听的耳机和音箱类产品。目前主要产品有四款耳机(音箱类产品约年底推出):入门级NS1/NS1Pro,中端碳纳米管振膜动圈旗舰NS5/NS5Pro“梦桥”,中端复合双动铁NS2Pro,旗舰级8单元动铁NSX。自然声公司产品在技术参数指标过硬的同时,力邀知名作曲家方岽清为自己耳机负责定调音。创办二年来,获得众多资深耳机烧友和专业人士的好评。用户包括知名作曲大师谭盾、作曲家方岽清、作曲家刘晔,知名歌手谭维维,钢琴家李美彥,著名音乐评论家严峰,著名摄影家、古典音乐烧友赵钢等用户。

欢迎关注“杰长老”,一起讨论发烧音响、耳机及音乐!

相关问答

2020手机hifi芯片排行?

1、三星GalaxyS21Ultra三星GalaxyS21Ultra2、iPhone12ProiPhone12Pro/iPhone12ProMax3、三星GalaxyS21三...

独立hifi芯片手机排行?

01:IQOO7CS43131+听筒双扬声器算来算去,IQOO7应该是目前市面上极少数在拥有独立DAC解码芯片的基础上还拥有双扬声器的手机了,这款手机的DAC解码芯片采用的...

对于电视,mstar芯片和hifi芯片哪个好?

我想你说的应该是mstar晨星和hisi海思两家的芯片吧,单从同档次的芯片性能来讲,都是差不多的,但对于电视而言,尤其是现在的智能电视,除了运行速度外还有一点...

音质hifi芯片好吗?

好。HiFi,高保真的意思。电脑,手机,听高音质的音乐,首先是高音质的音源,也就是网上音乐播放器原件提供的音乐文件,音乐文件为数字编码,必须有解码芯片转...

x9这个hifi芯片能达到什么水平?

vivoX9手机是支持HiFi的,其采用全新特殊定制的AK4376Hi-Fi方案,信噪比高达116dB,日系经典音色,功耗极低。建议可以前往vivo当地的体验店中心体验该款手机...

到底是什么hifi芯片?

HIFI芯片是专门为高保真音频(HighFidelity,简称HIFI)而设计的芯片。它们具有以下用途:1.降噪和减少失真:HIFI芯片可以采用数字降噪、失真补偿等技术,在...

到底是什么hifi芯片?

Hifi芯片是一种专门用于音频处理的芯片。它被广泛应用于音频设备中,如耳机、扬声器和音响系统等。Hifi芯片具有强大的音频处理能力,能够提供高保真的音频输出...

vivo的HiFi芯片值多少钱?

感谢邀请vivo的HiFi芯片值多少钱?题主问题的核心是vivo的HIFI芯片值多少钱?从实际出发来考虑,单纯来说手机硬件成本我个人觉得不太合适,因为芯片还要经过优...

iqoo5hifi芯片属于什么水平?

iqoo是双扬声器,水平好第一梯队iqoo是双扬声器,水平好第一梯队

lg手机哪款用的hifi芯片最好?

在LG手机中,使用HIFI芯片最好的一款是V20。V20采用了ESSES9218P单晶片DAC芯片,这款芯片属于ESSTechnologies的高素质DAC系列,能够提供出色的音频性能。此.....

 郭敬明的爵迹  贵友大厦 
王经理: 180-0000-0000(微信同号)
10086@qq.com
北京海淀区西三旗街道国际大厦08A座
©2025  上海羊羽卓进出口贸易有限公司  版权所有.All Rights Reserved.  |  程序由Z-BlogPHP强力驱动
网站首页
电话咨询
微信号

QQ

在线咨询真诚为您提供专业解答服务

热线

188-0000-0000
专属服务热线

微信

二维码扫一扫微信交流
顶部