芯片元器件
HOME
芯片元器件
正文内容
2399芯片 还搞不懂PT2399 是什么芯片?看这一文,引脚图+参数+工作原理
发布时间 : 2026-02-15
作者 : 小编
访问数量 : 23
扫码分享至微信

还搞不懂PT2399 是什么芯片?看这一文,引脚图+参数+工作原理

我是小七,给大家分享

电子元器件选型

电路项目 等知识,干货满满 。大家不要错过,建议收藏 ,错过就不一定找得到了,内容仅供参考,图片记得放大观看。

如果有什么错误或者不对,欢迎各位大佬指点。

图片来源于网络

今天给大家分享的是:PT2399 芯片+引脚功能+原理结构解析

一、PT2399 是什么芯片?

PT2399是一款CMOS单芯片回声/延迟处理器 ,该数字芯片包括一个ADC (数模转换器)、用于存储样本的44Kb RAM 和一个 DAC (数模转换器),可用于添加延迟/混响/回声 。内部VCO时钟频率决定了整体延迟持续时间,用户可以通过改变外部电阻轻松修改VCO频率。

PT2399实物图

二、PT2399 引脚功能参数

PT2399 引脚功能参数

三、PT2399 功能框图

下面是 PT2399 框图:

PT2399 框图

不过上面这个框图可以用更符合逻辑和更简单的方式重新绘制:

重新绘制的PT2399 功能图

该芯片实际上包括 6 个内部运算放大器和一个电源子系统 ,下面将描述,每个部分的功能

四、PT2399 内部功能分析

PT2399 使用 5V 供电。为了保持信号质量并降低噪声,可以方便地使用专用电源或稳压器。该部件消耗的最大电流为 30mA(随着延迟时间的增加,电流减小)。

1、引脚 1

5V 电源引脚(最小 4.5V,最大 5.5V) 。虽然也可以使用更高的电压,但是让PT2399寿命最长的就是使用 5V。

为了确保内部时钟功能,低电源阻抗至关重要,因此可以使用像 LM7805(或引脚兼容的 LM2940)这样的简单稳压器,一对输入和输出电容可调过滤噪声。

PT2399 电源的有效方案

上图电路显示了 PT2399 电源的有效方案 。使用1N4001 二极管 防止意外极性连接的保护,同时使用 2 个电容 过滤输入/输出,LM7805/LM2940 可接受宽范围的输入电压(+9V 至+15V)。

2、引脚 2

标记为REF,是2.5 V 模拟参考电压 (Vcc/2)。使用内部电阻分压器来设置该电压,测量引脚电阻约为 6KΩ。该电压用作 PT2399 内部的虚拟地 ,同时也用作 VCO 电路的参考电压。

引脚 2 调制修改:

用于合唱团,PT2399 内部电路是这样的:

PT2399 内部电路

VCO(压控振荡器)电压将控制 PT2399 的延迟时间 :VCO 频率与延迟时间,当该振荡器的频率最大 (22MHz) 时,延迟时间最小 (31.3ms),反之亦然。

如果我们想修改VCO输入电压,默认方法是改变 引脚6 的接地电阻 ,这将改变运放增益,然后改变输出电压。

“引脚 2 ” 基本上是改变运算放大器引脚 (+) 上的电压,而不是改变引脚 (-) 上电压。

为了实现这一点,引脚 6 的接地电阻需要稳定(通常 引脚 6 接地,因为它提供最小的延迟时间,对于此选项,需要“防闩锁电路 ” ) 为此,我们可以访问内部电阻分压(引脚 2)并对其进行调制。

坏的是电路的整个虚地(2.5V)会随着时间调制而改变。好的方面是,我们不需要大跨度的调制来创建合唱效果,因此将引脚 2 上的电压从 2.5V 更改为 2V 将足以创建时间调制并保持虚拟接地良好。

3、防闩锁​电路

在电路上电过程中,如果引脚 6 到地的延迟电阻小于2 kΩ,则 PT2399 可能会闩锁,从而使芯片死机并停止工作。如果需要很短的延迟时间,必须要确保上电后前400ms的延迟电阻大于 2kΩ。

第一个 400 毫秒后,引脚 6 的接地电阻可以根据需要降至最低。

400ms 的延迟现象

防闩锁电路将确保上电期间引脚 6 对地电阻高于 2K:

防闩锁电路

R/C 时间常数设置为明显长于复位时间(数据表中为 400ms):

τ = R x C

τ = 100K x 1uF = 1s

使用 R=100K 和 C=1uF 的任何更高值都会产生超过 1 秒的启动时间。

二极管可以是任何 1N4001 或类似的二极管,在电源电压快速下降的情况下,它通过对电容器放电而不是让电流流过晶体管的基极来保护晶体管。晶体管可以是任何通用的 BC337 或类似晶体管。

3、引脚 3 和引脚 4

分别是模拟地和数字地 ,需要用短而粗的走线进行外部连接。用万用表测量,引脚之间显示 10Ω 的外部电阻。

4、引脚 5

引脚 5 是系统时钟输出引脚 (该时钟频率由引脚 2 部分中的VCO 生成)。

在下图中,用示波器测量引脚 5,得到 最短延迟 (30ms) 的 22MHz方波和最大延迟 (340ms) 的 2MHz 方波。信号约为 5Vpp(随频率降低):

用示波器测量引脚 5

该引脚提供 PT2399 内部实际发生情况的反馈 。使用引脚 6 上的外部电阻来设置延迟时间可能(有时)不准确,因此引脚 5 输出信号将遭受的准确延迟量。

该引脚有 2 个潜在应用:

反馈环路中使用引脚 5 时钟频率信息来获取时间延迟的准确读数 。为此,需要使用微控制器,并且由于时钟频率较高(高达 22MHz),还需要使用预分频器(这会降低读数的精度)。使用外部时钟源覆盖引脚 5 信号 。通过这种方式,用户可以精确地控制延迟量。

5、引脚 6

VCO(压控振荡器)频率调节引脚。 该引脚的电压始终为 2.5V,使用外部电阻接地时电流会发生变化,从而导致 VCO 变化和延迟时间变化。

下表列出了 引脚 6 对地电阻、内部时钟频率、延迟时间和 THD 之间的关系。该表仅供参考,因为各个芯片的值各不相同,但它是一个很好的起点。

引脚 6 对地电阻、内部时钟频率、延迟时间和 THD 之间的关系

引脚 6 对地电阻、内部时钟频率、延迟时间和 THD 之间的关系

引脚 6 对地电阻、内部时钟频率、延迟时间和 THD 之间的关系

注意:随着延迟时间的延长, THD(总谐波失真)越高,因为采样率越低,信号质量就越差。 使用超过 350 毫秒的延迟会导致声音失真。

注:引脚 6 电流: 引脚 6电压恒定(2.5V),但从其流出的电流与延迟时间成线性关系。该芯片的实际延迟范围约为 35 毫秒至 600 毫秒,因此电流介于 5.4mA 至 50uA 之间。

脚 6 电流 (mA) = 28.65 /(延迟毫秒 - 29.70)

用 引脚 6 控制延迟时间

使用 引脚 6 设置延迟时间有多种方法:

1)使用电位器

这是最简单的方法,建议使用 10K ~ 50K 的外部电位器 (取决于所需的最大延迟时间)。始终需要 2K 的最小电阻 (R)(它将限制最小延迟时间),否则 PT2399 将在上电序列期间闩锁,并且内部振荡器将无法启动。

使用电位器设置延迟时间

一旦振荡器启动,就不需要 2K 的最小电阻 (R),这就是为什么许多设计都包含防闩锁电路的原因,因此系统以引脚 6 上的高阻抗启动,然后在上电,以便 PT2399 可以实现更短的延迟时间。将引脚 6 接地并没有实质性的好处,使用小于 100 欧姆的 电阻 只会导致电流需求增加,而不会缩短延迟时间。

2)使用晶体管来限制从引脚 6 流出的电流量

PNP 或 NPN 晶体管可用于限制引脚电流。该方法可以与抗闩锁模块结合使用,以确保系统在任何条件下都能工作。

使用晶体管来限制从引脚 6 流出的电流量

基本电路(a) 将限制从引脚 6 流出的电流:需要电阻器 R1,因此可以限制电位器的范围,以便向晶体管的基极提供 0 至 0.65V 的电压(否则电位器将无法工作)。将仅适用于其整个跨度的一小部分)。R2 可以是 100 至 200Ω 的任何小电阻。第二个(b) 电路使用并联一个电阻,这样可以控制pin6的最大电阻,从而可以更好地控制要使用的最大延迟时间。即使用20K 的 R3 将为我们提供最大 270ms(遵循数据表)。最后(c) 原理图 添加了抗闩锁电路,因此我们确保电路在任何条件下始终启动(以防在踏板通电期间(前 400ms)电位计处于其最大位置,将 Q1 设置为 ON 并向引脚 6 显示低阻抗。

3)数字电阻

如果你想将微控制器加入其中,有很多数字电阻可以用作可变电阻:微芯片 MCP41XXX 系列(256 个抽头)、DS1804 系列(100 个抽头)。该解决方案的坏处是数字电阻具有很大的公差(±20%),如果你想设置特定的延迟时间,数字电阻可能不是最准确的设备。

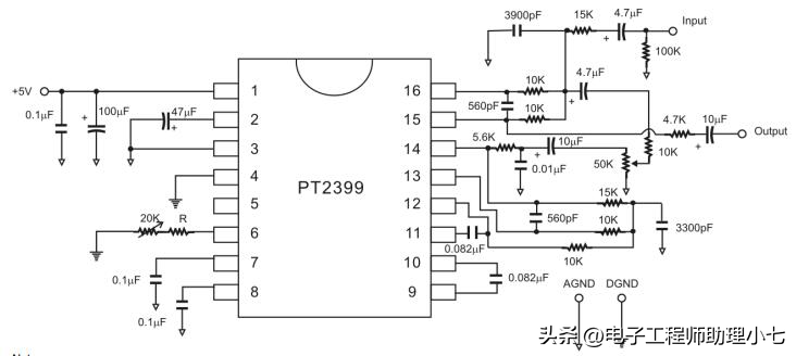
五、PT2399 回声/延迟电路分析

PT2399 最常见的应用是延迟/回声电路,这些基本电路非常相似,是许多其他吉他踏板的基础:

回声电路

延迟电路

这两个电路之间的主要区别在于回声 在输出(引脚 14)和输入(引脚 16)之间有一条反馈路径。

1、PT2399 输入级

输入级由 3 个运算放大器组成。其中两个(2 和 3)始终用作 ADC 电路的一部分。第一个运算放大器可在任何配置下使用,但最常见的选择是将其用作多反馈拓扑中的滤波器/加法器:

低通滤波器 1又名多反馈运算放大器级

第一个运算放大器将使用多重反馈拓扑(MFB 又名无限增益多重反馈)对输入级进行滤波,消除多余的高次谐波:

运算放大器

多反馈运算放大器使用 2 极 (MFB-2),为高频提供 -12dB/倍频程的衰减。最终滤波器(R5 和 C3)添加了一个额外的极点,使总滤波器为 -18dB/倍频程。MFB 拓扑提供高增益/高 Q 值,但不方便进行更复杂的设计计算。

MFB 的性能与 S&K 滤波器一样好(尽管 S&K 在单位增益滤波器中使用了 1 个元件),但在这种情况下选择的 MFB 拓扑允许运算放大器作为求和放大器工作,接受反馈路径回声电路。

有多种方法可以计算过滤器的值。可以这样

fc = 1 / (2 x π x R x C) (选择 R 和 C 以获得所需的截止频率)

R1 = R2 = 2 x R

R3=R

C1=C/Q

C2 = (C x Q) / 2

R = 10K

C = 10nF

对于理想巴特沃斯滤波器,其中 Q 为 1/√2 = 0.707。

注意:你还可以使用多反馈低通滤波器设计工具来计算值,不需要进行数学运算。

延迟 电路采用R1=15K、R2=10K、R3=15K、C1=3.9nF、C2=0.56nF。生成 fc=8.8kHz(Q=0.9)回声电路采用R1=15K、R2=10K、 R3 =10K、C1=5.6nF、C2=0.56nF。生成 fc=8.9kHz(Q=1.1)

PT2399 在输入 MFB 滤波器调谐在 8.5kHz 左右时表现出良好的性能,具有较宽的频率范围和合理的低噪声。延迟电路显示了 10K 和 15K 电阻器的组合,没有理由这样做,您可以坚持使用相同的值 (10K) 并仅使用一个电阻器值设计滤波器。

ADC 调制器

在 DC ( ΔΣ ) 调制器中,输入音频信号被转换为一位逻辑电平流,该逻辑电平取决于被转换信号的当前方向(变高或变低)。与延迟音频信号的频率相比,时钟速率非常高,以便能够使用一位采样。

上图中标记为 2 和 3 的运算放大器用于处理一位数据流:

MFB 运算放大器的输出应用于比较器的反相输入,比较器的非反相输入连接到由 DO0 馈送的调制器的输出。DO0(数据输出0)是一位数据锁存器的输出,一位转换后的音频数据被存储到其中,直到下一个时钟脉冲。该锁存器的输出馈送到 44K 位存储器。比较器反相输入上的电压将与调制器的输出(低通滤波后)进行比较,并根据检测到的差异而变高或变低。比较器的输出串行流入并通过 PT2399 的 44K 位存储器。

2、PT2399 输出级

输出级由 2 个运算放大器组成。第一个功能有限,用作解调器(抗混叠滤波器)之后的低通滤波器。第二个运算放大器,通常同样配置在多反馈运算放大器滤波器中。

PT2399 输出级

输出级使用 1 个运算放大器作为解调器低通滤波器。该重建滤波器将平滑解调器创建的模拟信号。

R6 是一个内部电阻,在数据表中标记为4.7KΩC6(和 C3)电容 形成低通滤波器,以减少不需要的高频,建议延迟为 100nF,回声为 82nF。降低C3和C6的值将允许更多的高次谐波通过芯片,当然,缺点是信号中会有更多的数字噪声。

如果你使用 PT2399 进行短延迟/回声,则 C3 和 C6 可以低至 22nF ,对于较长延迟(300ms),不要低于 47nF(对于长延迟,100nF 似乎是一个不错的值)。

在 C3/C6 上使用 100nF,使得 1kHz 以上的延迟信号谐波被衰减(参见频率响应部分),但不是很严重,因为延迟/回声信号的自然声音本质上具有较低的含量(真实的回声通常具有快速的回声)减少高频含量,因为这些谐波很容易被墙壁和空气吸收)。允许更多谐波和更少高频噪声进入电路的良好中间接地值是 68nF。

第二个运算放大器再次采用多重反馈拓扑 (MFB),将更加干净和平滑信号。

R10和C9 构成最后一个低通滤波器,截止频率为5.8kHz(使用2.7KΩ电阻和10nF电容)或2.8kHz(使用5.6KΩ电阻和10nF电容)。最后一个滤波器的缺点是它会提高电路的输出阻抗,这可以通过使用更合理的 RC 组合来解决,其中 R 更小,C 更高(例如 10 Ω 和 4.7u,使 fc= 3.3千赫)。C10 是输出电容,可消除输出中的任何直流电平,任何大值(4.7 / 10uF 或类似值)都可以。

以上就是今天的内容,大家记得关注 ,给我点赞 哦,欢迎大家在评论区留言 ,请各位大佬多多指教

图片来源于小红书

同级别的最优选 麒麟820 5G SoC全面解析

3月30日,麒麟820 5G SoC首发,这是麒麟系列第一款定位中端的5G SoC,7nm制程工艺,集成5G基带,麒麟820、麒麟985和麒麟990 5G是当前麒麟5G SoC三剑客,其中麒麟820是这三款芯片中最为重要的一款。为何这么讲?且听我细细道来。

今天搭载麒麟820 5G SoC的荣耀X10带着5G普及的任务来了,我们先看下荣耀X10的售价:

6+64GB 1899元

6+128GB 2199元

8+128GB 2399元

01 定位中端,表现一点都不中端

在介绍这款SoC之前我们先简单回顾这款芯片的参数:7nm制程工艺,CPU部分采用三丛集设计1*2.36GHz A76超大核+3*2.2GHz A76大核+4*1.84GHz A55小核;GPU部分为Mali-G57 MC6;NPU为麒麟990同款KirinISP 5.0。这样的参数配置是准旗舰级的,这样的SoC放在中端毫无疑问能大杀四方。

相较于麒麟810,麒麟820的升级是全方面,CPU的三丛集设计保障了手机在日常使用中资源调度更为合理高效。我们先通过第三方测试软件来展示这款SoC的性能。

(Geekbench4 和安兔兔)

从跑分价结果来看,搭载的麒麟820 Geekbench 4.2.0单核2999,多核9362,在安兔兔中跑分358068,这样的的分数表现在中端处理器中可以说是表现优异了。此前麒麟810的GPU强劲性能给大家留下深刻印象,而这次麒麟820在GPU方面全面升级为G57MC6,相较于上代SoC图像处理性能提升25%,并解决了用户在意的发热卡顿问题。

(3DMark)

游戏实测过程中,《王者荣耀》开启超高画质与高帧率,麒麟820可以全程保持60帧满帧状态,没有出现帧率波动现象,处理器性能调度比较积极。

《和平精英》游戏的帧数只能开到“高”(30帧),而通过gamebench的记录,游戏过程中CPU占用率仅9.5%,系统资源调度的非常均衡,这并不是麒麟820的极限。

另外,麒麟系芯片的优势在于NPU,麒麟820 5G SoC在海思自研NPU的加持下实现了业界领先的AI能力,已经达到了旗舰级SoC的水准。

根据苏黎世联邦理工学院的AI跑分数据,麒麟820芯片AIBenchmark得分达到4.18万分,位居榜单第三名。有了强劲的AI表现,无论是系统硬件资源的调度还是复杂的图片场景识别,AII会根据实时性能需求调用性能。

性能方面,麒麟820作为当前麒麟系首款5G SoC,性能表现强悍,当前搭载麒麟820 5G SoC的手机性价比较高,在中端5G手机市场中具备很强的竞争力,而麒麟820 5G SoC的竞争力还体现在5G上。

02 全面的5G频段覆盖,顶尖的5G表现

中端5G SoC除了性能外,对于5G的支持也是必不可少的,需要注意的是,当前5G SoC市场的竞争中,除了SoC给予手机的性能表现外,5G性能也是重要的对比项。麒麟820集成了5G基带,不仅全模支持NSA/SA两种不同的组网方式,实现真正的5G全网通,还全面覆盖n79/n78/n41/n3/n1五个频段,为用户带来了更好的5G网络体验。

不同运营商会采用不同的5G频段。中国移动采用的是N41和N79两个5G频段,而中国联通和中国电信则采用的是N78频段。5G SoC支持全频段的优势在于使用5G的过程中更快、更稳、更迅速。

5G网络环境下使用Speedtest实测,麒麟820 5G SoC的5G的下载速率为777Mbps,上传速率达到了63.7Mbps,这个成绩符合当前联通5G套餐的实际网速情况。

除了5G使用上的优势外。麒麟820 5G SoC还支持5G双卡双待功能,典型的场景应用在两方面:其一,SIM1在接听VoLTE电话时,呼叫SIM2号码可以收到来电。其二,就是一张卡在接通VoLTE电话的同时,另外一张卡依旧可以使用5G网络,大大提升了用户的5G使用体验。5G体验的角度看,麒麟820 5G SoC的具备很强的竞争优势。

总结

麒麟820作为麒麟8系列首款双模5G芯片,它的入局将让5G手机市场竞争变得更加热闹,同样这也是我们愿意看到的,毕竟最终受益的是普通消费者。作为一枚自研芯片,麒麟820 5G SoC展现了什么叫做“有技术便可大杀四方”。除了技术的优势外,麒麟820在商业上的定位也是极为成功的:

搭载麒麟820 5G SoC的手机可以根据定位不同可以满足诸如性价比、拍照优秀、长续航等多种需求,同时麒麟820 5G SoC兼具性能与5G,使得实际在产品规划上更为合理,这种优势使得麒麟820 5G SoC是当前麒麟最重要的SoC,因为它意味着更多的可能性,而荣耀X10就是这种可能性下的产物。

相关问答

cd2399gp是什么集成块?

CD2399GP是一款混响处理芯片,该芯片具备数模、模数转换功能和很高的取样频率,同时还内置了一个44K的存储器。数字处理部分产生延迟时间。系统时钟采用内置压控...

荣耀30是麒麟芯片吗-ZOL问答

是的,荣耀30系列手机搭载了华为自家研发的麒麟芯片。具体来说,荣耀30Pro和荣耀30Pro+采用了华为最新一代的麒麟9905G芯片,而荣耀30则配备了稍低配置的麒麟9...

芯片问题终于解决,荣耀50系列今晚发布,能否一战成名?

芯片问题终于解决,荣耀50系列今晚发布,能否一战成名?我觉得不一定能够一战成名,因为一战成名需要的是超级厉害的营销策划能力,超级革命性的产品!荣耀50会...芯...

荣耀30s的发布,2399的价格是否代表着5g元年的开端?

就在周一3月30日,荣耀推出了2020年的第一部手机——荣耀30S,关于这款手机,最受瞩目的当属麒麟820芯片,不过除了这个之外,在影像、冷启动和游戏上的表现也十...为...

如何评价荣耀X10售价分别为1899元,2199元,2399元?

荣耀X10采用了华为最新的820中端芯片,支持双模5G的九个频段,之前旗舰机才能用到的专属相机,跟9X同款的全面屏升降式摄像头,还有4300mAh的大电池,对比去年的...5G...

2020年1月购买华为Mate20性价比怎样?

个人建议以及推荐:首先推荐的是荣耀的V30和V30por,现在V30京东价格3299,搭载了最新的麒麟990芯片,同时外挂5G基带,如果条件允许建议更进一步直接上到V30por...感...

有人说小米拉低了手机价格,这话你认同吗?

谢谢邀请。小米手机确确实实拉低了手机的价格,同时也加速了换机潮的到来。小米手机从无到有,通过模式创新,用低价高质切入市场,把三星,诺基亚,摩托罗拉等...手...

高通sm4350是什么cpu?-ZOL问答

根据报道,该款芯片属于中低端入门级系统芯片(SystemonChip),具备对5G技术的支持。麒麟820处理器跟高通SM4350那个好?随着高端5G旗舰的不断发布,越来越多的新...

Redmi10X和Redmi10XPro有哪些区别?

5月26日下午,小米正式发布了Redmi10X系列手机。在本次发布会上推出的10X系列共有3款手机,分别是5G版的Redmi10X和Redmi10XPro以及Redmi10X4G版。据悉...

手机处理器排名榜推荐的有哪些?-小小欣❤️的回答-懂得

第一名:骁龙845第二名:麒麟970第三名:骁龙835第四名:猎户座8985第五名:骁龙821骁龙845是高通骁龙处理器,高通骁龙845芯片在2017年中旬曝光,是基于三...

 郭晓冬的哥哥  火米互动 
王经理: 180-0000-0000(微信同号)
10086@qq.com
北京海淀区西三旗街道国际大厦08A座
©2026  上海羊羽卓进出口贸易有限公司  版权所有.All Rights Reserved.  |  程序由Z-BlogPHP强力驱动
网站首页
电话咨询
微信号

QQ

在线咨询真诚为您提供专业解答服务

热线

188-0000-0000
专属服务热线

微信

二维码扫一扫微信交流
顶部