芯片元器件
HOME
芯片元器件
正文内容
芯片263 半导体概念科普——MOSFET
发布时间 : 2025-05-07
作者 : 小编
访问数量 : 159
扫码分享至微信

半导体概念科普——MOSFET

01

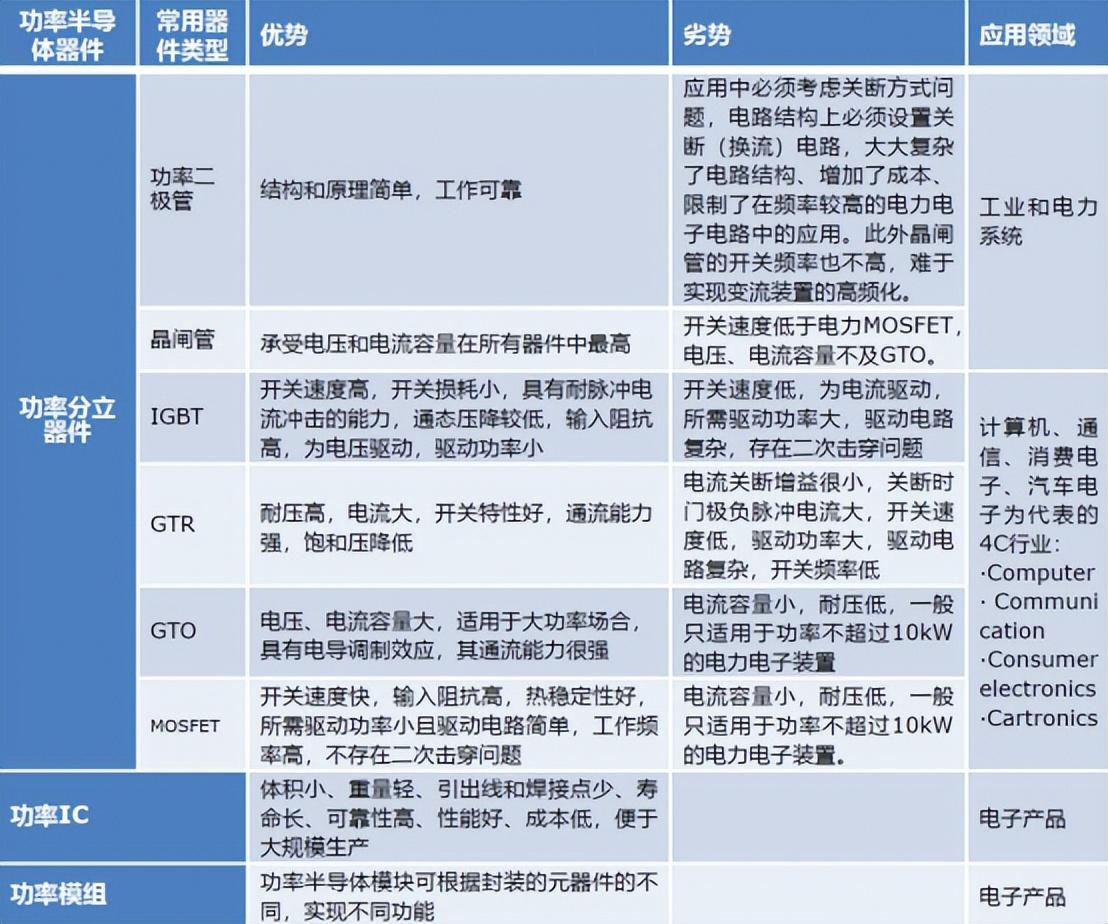
认识功率器件

1.1 功率半导体器件在工业 、消费 、军事等领域都有着广泛应用 ,具有很高的战略地位,下面我们从一张图看功率器件的全貌:

1.2 功率半导体器件又可根据对电路信号的控程度分为全型 、半控型及不可;或按驱动电路信号 性质分为电压驱动型 、电流驱动型等划分类别 电流驱动型等划分类别 电流驱动型等划分类别 。

1.3 不同功率半导体器件 ,其承受电压 、电流容量 、阻抗能力 、体积大小等特性也会不同 ,实际使用中 , 需要根据不同领域 、不同需求来选用合适的器件。

1.4 半导体行业从诞生至今 ,先后经历了三代材料的变更程 ,截至目前 ,功率半导体器件领域仍主要采 用以 Si 为代表的第一半导体材料 。

1.5 汇总下半控型和全控型功率器件的特性

02认识MOSFET 2.1 MOS管具有输入阻抗高、噪声低、热稳定性好;制造工艺简单、辐射强,因而通常被用于放大电路或开关电路;(1)主要选型参数:漏源电压VDS(耐压),ID 连续漏电流,RDS(on) 导通电阻,Ciss 输入电容(结电容),品质因数FOM=Ron * Qg等。(2)根据不同的工艺又分为Trench MOS:沟槽型MOS,主要低压领域100V内;SGT (Split Gate)MOS:分裂栅MOS,主要中低压领域200V内;SJ MOS:超结MOS,主要在高压领域 600-800V;在开关电源中,如漏极开路电路,漏极原封不动地接负载,叫开路漏极,开路漏极电路中不管负载接多高的电压,都能够接通和关断负载电流。是理想的模拟开关器件。这就是MOS管做开关器件的原理(详细请关注作者其他MOS详解)。2.2 从市场份额看,MOSFET几乎都集中在国际大厂手中,其中英飞凌2015年收购了IR(美国国际整流器公司)成为行业龙头,安森美也在2016年9月完成对仙童半导体的收购后,市占率跃升至第二,然后销售排名分别是瑞萨、东芝、万国、ST、威世、安世、美格纳等等;与活跃于中国大陆的国际厂商相比,国产企业优势不明显,但这不能说国产没有机会,中国大陆是世界上产业链最齐全的经济活跃区,在功率半导体领域活跃着一批本土制造企业,目前已基本完成产业链布局,且处于快速发展中;特别是MOSFET领域,国产在中低压领域替换进口品牌潜力最大,且部分国产、如士兰、华润微(中航)、吉林华微等都在努力进入世界排名;03主流MOS管品牌 3.1 MOS管分为几大系列:美系、日系、韩系、国产。 美系:英飞凌、IR,仙童,安森美,ST,TI ,PI,AOS美国万代半导体等;日系:东芝,瑞萨,ROHM罗姆等;韩系:美格纳,KEC,AUK,森名浩,信安,KIA国产:吉林华微电子股份有限公司,扬州扬杰电子科技股份有限公司,杭州士兰微电子股份有限公司,华润微电子(重庆)有限公司,无锡新洁能,西安后裔,深圳锐俊半导体,无锡华润华晶微电子有限公司,江苏东晨电子科技有限公司(前身东光微),东微半导体,威兆半导体,苏州硅能,无锡市芯途半导体有限公司国产台系:ANPEC,CET,友顺UTC04MOS管封装分类 按照安装在PCB板上的方式来划分,MOS管封装主要有两大类:插入式(Through Hole)和表面贴装式(Surface Mount)。 插入式就是MOSFET的管脚穿过PCB板的安装孔并焊接在PCB板上。常见的插入式封装有:双列直插式封装(DIP)、晶体管外形封装(TO)、插针网格阵列封装(PGA)三种样式。

插入式封装 表面贴裝则是MOSFET的管脚及散热法兰焊接在PCB板表面的焊盘上。典型表面贴装式封装有:晶体管外形(D-PAK)、小外形晶体管(SOT)、小外形封装(SOP)、方形扁平式封装(QFP)、塑封有引线芯片载体(PLCC)等。

表面贴装式封装 随着技术的发展,目前主板、显卡等的PCB板采用直插式封装方式的越来越少,更多地选用了表面贴装式封装方式。 1、双列直插式封装(DIP) DIP封装有两排引脚,需要插入到具有DIP结构的芯片插座上,其派生方式为SDIP(Shrink DIP),即紧缩双入线封装,较DIP的针脚密度高6倍。 DIP封装结构形式有:多层陶瓷双列直插式DIP、单层陶瓷双列直插式DIP、引线框架式DIP(含玻璃陶瓷封接式、塑料包封结构式、陶瓷低熔玻璃封装式)等。DIP封装的特点是可以很方便地实现PCB板的穿孔焊接,和主板有很好的兼容性。 但由于其封装面积和厚度都比较大,而且引脚在插拔过程中很容易被损坏,可靠性较差;同时由于受工艺的影响,引脚一般都不超过100个,因此在电子产业高度集成化过程中,DIP封装逐渐退出了历史舞台。 2、晶体管外形封装(TO) 属于早期的封装规格,例如TO-3P、TO-247、TO-92、TO-92L、TO-220、TO-220F、TO-251等都是插入式封装设计。 TO-3P/247:是中高压、大电流MOS管常用的封装形式,产品具有耐压高、抗击穿能力强等特点。 TO-220/220F:TO-220F是全塑封装,装到散热器上时不必加绝缘垫;TO-220带金属片与中间脚相连,装散热器时要加绝缘垫。这两种封装样式的MOS管外观差不多,可以互换使用。 TO-251:该封装产品主要是为了降低成本和缩小产品体积,主要应用于中压大电流60A以下、高压7N以下环境中。 TO-92:该封装只有低压MOS管(电流10A以下、耐压值60V以下)和高压1N60/65在采用,目的是降低成本。 近年来,由于插入式封装工艺焊接成本高、散热性能也不如贴片式产品,使得表面贴装市场需求量不断增大,也使得TO封装发展到表面贴装式封装。TO-252(又称之为D-PAK)和TO-263(D2PAK)就是表面贴装封装。

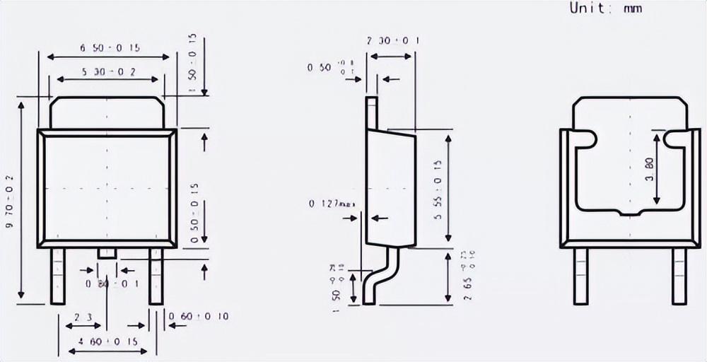
TO封装产品外观 TO252/D-PAK是一种塑封贴片封装,常用于功率晶体管、稳压芯片的封装,是目前主流封装之一。 采用该封装方式的MOSFET有3个电极,栅极(G)、漏极(D)、源极(S)。 其中漏极(D)的引脚被剪断不用,而是使用背面的散热板作漏极(D),直接焊接在PCB上,一方面用于输出大电流,一方面通过PCB散热;所以PCB的D-PAK焊盘有三处,漏极(D)焊盘较大。其封装规范如下:

TO-252/D-PAK封装尺寸规格 TO-263是TO-220的一个变种,主要是为了提高生产效率和散热而设计,支持极高的电流和电压,在150A以下、30V以上的中压大电流MOS管中较为多见。 除了D2PAK(TO-263AB)之外,还包括TO263-2、TO263-3、TO263-5、TO263-7等样式,与TO-263为从属关系,主要是引出脚数量和距离不同。

TO-263/D2PAK封装尺寸规格 3、插针网格阵列封装(PGA) PGA(Pin Grid Array Package)芯片内外有多个方阵形的插针,每个方阵形插针沿芯片的四周间隔一定距离排列,根据管脚数目的多少,可以围成2~5圈。安装时,将芯片插入专门的PGA插座即可,具有插拔方便且可靠性高的优势,能适应更高的频率。

PGA封装样式 其芯片基板多数为陶瓷材质,也有部分采用特制的塑料树脂来做基板,在工艺上,引脚中心距通常为2.54mm,引脚数从64到447不等。 这种封装的特点是,封装面积(体积)越小,能够承受的功耗(性能)就越低,反之则越高。这种封装形式芯片在早期比较多见,且多用于CPU等大功耗产品的封装,如英特尔的80486、Pentium均采用此封装样式;不大为MOS管厂家所采纳。 4、小外形晶体管封装(SOT) SOT(Small Out-Line Transistor)是贴片型小功率晶体管封装,主要有SOT23、SOT89、SOT143、SOT25(即SOT23-5)等,又衍生出SOT323、SOT363/SOT26(即SOT23-6)等类型,体积比TO封装小。

SOT封装类型 SOT23是常用的三极管封装形式,有3条翼形引脚,分别为集电极、发射极和基极,分别列于元件长边两侧,其中,发射极和基极在同一侧,常见于小功率晶体管、场效应管和带电阻网络的复合晶体管,强度好,但可焊性差,外形如下图(a)所示。 SOT89具有3条短引脚,分布在晶体管的一侧,另外一侧为金属散热片,与基极相连,以增加散热能力,常见于硅功率表面组装晶体管,适用于较高功率的场合,外形如下图(b)所示。 SOT143具有4条翼形短引脚,从两侧引出,引脚中宽度偏大的一端为集电极,这类封装常见于高频晶体管,外形如下图(c)所示。 SOT252属于大功率晶体管,3条引脚从一侧引出,中间一条引脚较短,为集电极,与另一端较大的引脚相连,该引脚为散热作用的铜片,外形如下图(d)所示。

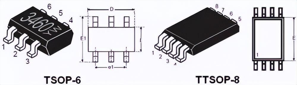
常见SOT封装外形比较 主板上常用四端引脚的SOT-89 MOSFET。其规格尺寸如下: SOT-89 MOSFET尺寸规格(单位:mm) 5、小外形封装(SOP) SOP(Small Out-Line Package)是表面贴装型封装之一,也称之为SOL或DFP,引脚从封装两侧引出呈海鸥翼状(L字形)。材料有塑料和陶瓷两种。 SOP封装标准有SOP-8、SOP-16、SOP-20、SOP-28等,SOP后面的数字表示引脚数。MOSFET的SOP封装多数采用SOP-8规格,业界往往把“P”省略,简写为SO(Small Out-Line)。 SOP-8封装尺寸 SO-8为PHILIP公司率先开发,采用塑料封装,没有散热底板,散热不良,一般用于小功率MOSFET。 后逐渐派生出TSOP(薄小外形封装)、VSOP(甚小外形封装)、SSOP(缩小型SOP)、TSSOP(薄的缩小型SOP)等标准规格;其中TSOP和TSSOP常用于MOSFET封装。

常用于MOS管的SOP派生规格 6、方形扁平式封装(QFP) QFP(Plastic Quad Flat Package)封装的芯片引脚之间距离很小,管脚很细,一般在大规模或超大型集成电路中采用,其引脚数一般在100个以上。 用这种形式封装的芯片必须采用SMT表面安装技术将芯片与主板焊接起来。该封装方式具有四大特点: ①适用于SMD表面安装技术在PCB电路板上安装布线;②适合高频使用;③操作方便,可靠性高;④芯片面积与封装面积之间的比值较小。 与PGA封装方式一样,该封装方式将芯片包裹在塑封体内,无法将芯片工作时产生的热量及时导出,制约了MOSFET性能的提升;而且塑封本身增加了器件尺寸,不符合半导体向轻、薄、短、小方向发展的要求;另外,此类封装方式是基于单颗芯片进行,存在生产效率低、封装成本高的问题。 因此,QFP更适于微处理器/门陈列等数字逻辑LSI电路采用,也适于VTR信号处理、音响信号处理等模拟LSI电路产品封装。 7、四边无引线扁平封装(QFN) QFN(Quad Flat Non-leaded package)封装四边配置有电极接点,由于无引线,贴装表现出面积比QFP小、高度比QFP低的特点;其中陶瓷QFN也称为LCC(Leadless Chip Carriers),采用玻璃环氧树脂印刷基板基材的低成本塑料QFN则称为塑料LCC、PCLC、P-LCC等。 是一种焊盘尺寸小、体积小、以塑料作为密封材料的新兴表面贴装芯片封装技术。 QFN主要用于集成电路封装,MOSFET不会采用。不过因Intel提出整合驱动与MOSFET方案,而推出了采用QFN-56封装(“56”指芯片背面有56个连接Pin)的DrMOS。 需要说明的是,QFN封装与超薄小外形封装(TSSOP)具有相同的外引线配置,而其尺寸却比TSSOP的小62%。根据QFN建模数据,其热性能比TSSOP封装提高了55%,电性能(电感和电容)比TSSOP封装分别提高了60%和30%。最大的缺点则是返修难度高。

采用QFN-56封装的DrMOS 传统的分立式DC/DC降压开关电源无法满足对更高功耗密度的要求,也不能解决高开关频率下的寄生参数影响问题。 随着技术的革新与进步,把驱动器和MOSFET整合在一起,构建多芯片模块已经成为了现实,这种整合方式同时可以节省相当可观的空间从而提升功耗密度,通过对驱动器和MOS管的优化提高电能效率和优质DC电流,这就是整合驱动IC的DrMOS。

瑞萨第2代DrMOS 经过QFN-56无脚封装,让DrMOS热阻抗很低;借助内部引线键合以及铜夹带设计,可最大程度减少外部PCB布线,从而降低电感和电阻。 另外,采用的深沟道硅(trench silicon)MOSFET工艺,还能显著降低传导、开关和栅极电荷损耗;并能兼容多种控制器,可实现不同的工作模式,支持主动相变换模式APS(Auto Phase Switching)。 除了QFN封装外,双边扁平无引脚封装(DFN)也是一种新的电子封装工艺,在安森美的各种元器件中得到了广泛采用,与QFN相比,DFN少了两边的引出电极。8、塑封有引线芯片载体(PLCC) PLCC(Plastic Quad Flat Package)外形呈正方形,尺寸比DIP封装小得多,有32个引脚,四周都有管脚,引脚从封装的四个侧面引出,呈丁字形,是塑料制品。 其引脚中心距1.27mm,引脚数从18到84不等,J形引脚不易变形,比QFP容易操作,但焊接后的外观检查较为困难。PLCC封装适合用SMT表面安装技术在PCB上安装布线,具有外形尺寸小、可靠性高的优点。 PLCC封装是比较常见,用于逻辑LSI、DLD(或程逻辑器件)等电路,主板BIOS常采用的这种封装形式,不过目前在MOS管中较少见。

PLCC封装样式 主流企业的封装与改进 由于CPU的低电压、大电流的发展趋势,对MOSFET提出输出电流大,导通电阻低,发热量低散热快,体积小的要求。MOSFET厂商除了改进芯片生产技术和工艺外,也不断改进封装技术,在与标准外形规格兼容的基础上,提出新的封装外形,并为自己研发的新封装注册商标名称。 1、瑞萨(RENESAS)WPAK、LFPAK和LFPAK-I封装 WPAK是瑞萨开发的一种高热辐射封装,通过仿D-PAK封装那样把芯片散热板焊接在主板上,通过主板散热,使小形封装的WPAK也可以达到D-PAK的输出电流。WPAK-D2封装了高/低2颗MOSFET,减小布线电感。

瑞萨WPAK封装尺寸 LFPAK和LFPAK-I是瑞萨开发的另外2种与SO-8兼容的小形封装。LFPAK类似D-PAK,但比D-PAK体积小。LFPAK-i是将散热板向上,通过散热片散热。

瑞萨 LFPAK和LFPAK-I封装 2、威世(Vishay)Power-PAK和Polar-PAK封装 Power-PAK是威世公司注册的MOSFET封装名称。Power-PAK包括有Power-PAK1212-8、Power-PAK SO-8两种规格。 威世Power-PAK1212-8封装 威世Power-PAK SO-8封装 Polar PAK是双面散热的小形封装,也是威世核心封装技术之一。Polar PAK与普通的so-8封装相同,其在封装的上、下两面均设计了散热点,封装内部不易蓄热,能够将工作电流的电流密度提高至SO-8的2倍。目前威世已向意法半导体公司提供Polar PAK技术授权。 威世Polar PAK封装 3、安森美(Onsemi)SO-8和WDFN8扁平引脚(Flat Lead)封装 安美森半导体开发了2种扁平引脚的MOSFET,其中SO-8兼容的扁平引脚被很多板卡采用。安森美新近推出的NVMx和NVTx功率MOSFET就采用了紧凑型DFN5(SO-8FL)和WDFN8封装,可最大限度地降低导通损耗,另外还具有低QG和电容,可将驱动器损耗降到最低的特性。 安森美SO-8扁平引脚封装 安森美WDFN8封装 4、恩智浦(NXP)LFPAK和QLPAK封装 恩智浦(原Philps)对SO-8封装技术改进为LFPAK和QLPAK。其中LFPAK被认为是世界上高度可靠的功率SO-8封装;而QLPAK具有体积小、散热效率更高的特点,与普通SO-8相比,QLPAK占用PCB板的面积为6*5mm,同时热阻为1.5k/W。 恩智浦LFPAK封装 恩智浦QLPAK封装 5、意法(ST)半导体PowerSO-8封装 意法半导体功率MOSFET芯片封装技术有SO-8、PowerSO-8、PowerFLAT、DirectFET、PolarPAK等,其中PowerSO-8正是SO-8的改进版,此外还有PowerSO-10、PowerSO-20、TO-220FP、H²PAK-2等封装。 意法半导体Power SO-8封装 6、飞兆(Fairchild)半导体Power 56封装 Power 56是Farichild的专用称呼,正式名称为DFN 5×6。其封装面积跟常用的TSOP-8不相上下,而薄型封装又节约元件净空高度,底部Thermal-Pad设计降低了热阻,因此很多功率器件厂商都部署了DFN 5×6。 Fairchild Power 56封装 7、国际整流器(IR)Direct FET封装 Direct FET能在SO-8或更小占位面积上,提供高效的上部散热,适用于计算机、笔记本电脑、电信和消费电子设备的AC-DC及DC-DC功率转换应用。与标准塑料分立封装相比,DirectFET的金属罐构造具有双面散热功能,因而可有效将高频DC-DC降压式转换器的电流处理能力增加一倍。 Direct FET封装属于反装型,漏极(D)的散热板朝上,并覆盖金属外壳,通过金属外壳散热。Direct FET封装极大地改善了散热,并且占用空间更小,散热良好。 国际整流器Direct FET封装 IR Direct FET封装系列部分产品规格 内部封装改进方向 除了外部封装,基于电子制造对MOS管的需求的变化,内部封装技术也在不断得到改进,这主要从三个方面进行:改进封装内部的互连技术、增加漏极散热板、改变散热的热传导方向。 1、封装内部的互连技术 TO、D-PAK、SOT、SOP等采用焊线式的内部互连封装技术,当CPU或GPU供电发展到低电压、大电流时代,焊线式的SO-8封装就受到了封装电阻、封装电感、PN结到PCB和外壳热阻等因素的限制。 SO-8内部封装结构 这四种限制对其电学和热学性能有着极大的影响。随着电流密度的提高,MOSFET厂商在采用SO-8尺寸规格时,同步对焊线互连形式进行了改进,用金属带、或金属夹板代替焊线,以降低封装电阻、电感和热阻。 标准型SO-8与无导线SO-8封装对比 国际整流器(IR)的改进技术称之为Copper Strap;威世(Vishay)称之为Power Connect技术;飞兆半导体则叫做Wireless Package。新技术采用铜带取代焊线后,热阻降低了10-20%,源极至封装的电阻降低了61%。 国际整流器的Copper Strap技术 威世的Power Connect技术 飞兆半导体的Wirless Package技术 2、增加漏极散热板 标准的SO-8封装采用塑料将芯片包围,低热阻的热传导通路只是芯片到PCB的引脚。而底部紧贴PCB的塑料外壳是热的不良导体,故而影响了漏极的散热。 技术改进就是要除去引线框下方的塑封化合物,方法是让引线框金属结构直接或加一层金属板与PCB接触,并焊接到PCB焊盘上,这样就提供了更多的散热接触面积,把热量从芯片上带走;同时也可以制成更薄的器件。 威世Power-PAK技术 威世的Power-PAK、法意半导体的Power SO-8、安美森半导体的SO-8 Flat Lead、瑞萨的WPAK/LFPAK、飞兆半导体的Power 56和Bottomless Package都采用了此散热技术。 3、改变散热的热传导方向 Power-PAK的封装虽然显著减小了芯片到PCB的热阻,但当电流需求继续增大时,PCB同时会出现热饱和现象。所以散热技术的进一步改进就是改变散热方向,让芯片的热量传导到散热器而不是PCB。 瑞萨LFPAK-i封装 瑞萨的LFPAK-I封装、国际整流器的Direct FET封装均是这种散热技术的典型代表。 总结 未来,随着电子制造业继续朝着超薄、小型化、低电压、大电流方向的发展,MOS管的外形及内部封装结构也会随之改变,以更好适应制造业的发展需求。另外,为降低电子制造商的选用门槛,MOS管向模块化、系统级封装方向发展的趋势也将越来越明显,产品将从性能、成本等多维度协调发展。 而封装作为MOS管选型的重要参考因素之一,不同的电子产品有不同的电性要求,不同的安装环境也需要匹配的尺寸规格来满足。实际选用中,应在大原则下,根据实际需求情况来做抉择。 有些电子系统受制于PCB的尺寸和内部的高度,如通信系统的模块电源由于高度的限制通常采用DFN5*6、DFN3*3的封装;在有些ACDC的电源中,使用超薄设计或由于外壳的限制,适于装配TO220封装的功率MOS管,此时引脚可直接插到根部,而不适于使用TO247封装的产品;也有些超薄设计需要将器件管脚折弯平放,这会加大MOS管选用的复杂度。05如何选取MOSFET 一位工程师曾经对我讲,他从来不看MOSFET数据表的第一页,因为“实用”的信息只在第二页以后才出现。事实上,MOSFET数据表上的每一页都包含有对设计者非常有价值的信息。但人们不是总能搞得清楚该如何解读制造商提供的数据。本文概括了一些MOSFET的关键指标,这些指标在数据表上是如何表述的,以及你理解这些指标所要用到的清晰图片。像大多数电子器件一样,MOSFET也受到工作温度的影响。所以很重要的一点是了解测试条件,所提到的指标是在这些条件下应用的。还有很关键的一点是弄明白你在“产品简介”里看到的这些指标是“最大”或是“典型”值,因为有些数据表并没有说清楚。 电压等级 确定MOSFET的首要特性是其漏源电压VDS,或“漏源击穿电压”,这是在栅极短路到源极,漏极电流在250μA情况下,MOSFET所能承受的保证不损坏的最高电压。VDS也被称为“25℃下的绝对最高电压”,但是一定要记住,这个绝对电压与温度有关,而且数据表里通常有一个“VDS温度系数”。你还要明白,最高VDS是直流电压加上可能在电路里存在的任何电压尖峰和纹波。例如,如果你在电压30V并带有100mV、5ns尖峰的电源里使用30V器件,电压就会超过器件的绝对最高限值,器件可能会进入雪崩模式。在这种情况下,MOSFET的可靠性没法得到保证。 在高温下,温度系数会显著改变击穿电压。例如,一些600V电压等级的N沟道MOSFET的温度系数是正的,在接近最高结温时,温度系数会让这些MOSFET变得象650V MOSFET。很多MOSFET用户的设计规则要求10%~20%的降额因子。在一些设计里,考虑到实际的击穿电压比25℃下的额定数值要高5%~10%,会在实际设计中增加相应的有用设计裕量,对设计是很有利的。 对正确选择MOSFET同样重要的是理解在导通过程中栅源电压VGS的作用。这个电压是在给定的最大RDS(on)条件下,能够确保MOSFET完全导通的电压。这就是为什么导通电阻总是与VGS水平关联在一起的原因,而且也是只有在这个电压下才能保证器件导通。一个重要的设计结果是,你不能用比用于达到RDS(on)额定值的最低VGS还要低的电压,来使MOSFET完全导通。例如,用3.3V微控制器驱动MOSFET完全导通,你需要用在VGS= 2.5V或更低条件下能够导通的MOSFET。 导通电阻,栅极电荷,以及“优值系数” MOSFET的导通电阻总是在一个或多个栅源电压条件下确定的。最大RDS(on)限值可以比典型数值高20%~50%。RDS(on)最大限值通常指的25℃结温下的数值,而在更高的温度下,RDS(on)可以增加30%~150%,如图1所示。由于RDS(on)随温度而变,而且不能保证最小的电阻值,根据RDS(on)来检测电流不是很准确的方法。

图1 RDS(on)在最高工作温度的30%~150%这个范围内随温度增加而增加 导通电阻对N沟道和P沟道MOSFET都是十分重要的。在开关电源中,Qg是用在开关电源里的N沟道MOSFET的关键选择标准,因为Qg会影响开关损耗。这些损耗有两个方面影响:一个是影响MOSFET导通和关闭的转换时间;另一个是每次开关过程中对栅极电容充电所需的能量。要牢记的一点是,Qg取决于栅源电压,即使用更低的Vgs可以减少开关损耗。 作为一种快速比较准备用在开关应用里MOSFET的方式,设计者经常使用一个单数公式,公式包括表示传导损耗RDS(on)及表示开关损耗的Qg:RDS(on) xQg。这个“优值系数”(FOM)总结了器件的性能,可以用典型值或最大值来比较MOSFET。要保证在器件中进行准确的比较,你需要确定用于RDS(on) 和Qg的是相同的VGS,在公示里典型值和最大值没有碰巧混在一起。较低的FOM能让你在开关应用里获得更好的性能,但是不能保证这一点。只有在实际的电路里才能获得最好的比较结果,在某些情况下可能需要针对每个MOSFET对电路进行微调。 额定电流和功率耗散 基于不同的测试条件,大多数MOSFET在数据表里都有一个或多个的连续漏极电流。你要仔细看看数据表,搞清楚这个额定值是在指定的外壳温度下(比如TC = 25℃),或是环境温度(比如TA = 25℃)。这些数值当中哪些是最相关将取决于器件的特性和应用(见图2)。

图2 全部绝对最大电流和功率数值都是真实的数据 对于用在手持设备里的小型表面贴装器件,关联度最高的电流等级可能是在70℃环境温度下的电流,对于有散热片和强制风冷的大型设备,在TA = 25℃下的电流等级可能更接近实际情况。对于某些器件来说,管芯在其最高结温下能够处理的电流要高于封装所限定的电流水平,在一些数据表,这种“管芯限定”的电流等级是对“封装限定”电流等级的额外补充信息,可以让你了解管芯的鲁棒性。 对于连续的功率耗散也要考虑类似的情况,功耗耗散不仅取决于温度,而且取决于导通时间。设想一个器件在TA= 70℃情况下,以PD=4W连续工作10秒钟。构成“连续”时间周期的因素会根据MOSFET封装而变化,所以你要使用数据表里的标准化热瞬态阻抗图,看经过10秒、100秒或10分钟后的功率耗散是什么样的。如图3所示,这个专用器件经过10秒脉冲后的热阻系数大约是0.33,这意味着经过大约10分钟后,一旦封装达到热饱和,器件的散热能力只有1.33W而不是4W,尽管在良好冷却的情况下器件的散热能力可以达到2W左右。

图3 MOSFET在施加功率脉冲情况下的热阻 实际上,我们可以把MOSFET选型分成四个步骤。

第一步:选用N沟道还是P沟道 为设计选择正确器件的第一步是决定采用N沟道还是P沟道MOSFET。在典型的功率应用中,当一个MOSFET接地,而负载连接到干线电压上时,该MOSFET就构成了低压侧开关。在低压侧开关中,应采用N沟道MOSFET,这是出于对关闭或导通器件所需电压的考虑。当MOSFET连接到总线及负载接地时,就要用高压侧开关。通常会在这个拓扑中采用P沟道MOSFET,这也是出于对电压驱动的考虑。  要选择适合应用的器件,必须确定驱动器件所需的电压,以及在设计中最简易执行的方法。下一步是确定所需的额定电压,或者器件所能承受的最大电压。额定电压越大,器件的成本就越高。根据实践经验,额定电压应当大于干线电压或总线电压。这样才能提供足够的保护,使MOSFET不会失效。就选择MOSFET而言,必须确定漏极至源极间可能承受的最大电压,即最大VDS。知道MOSFET能承受的最大电压会随温度而变化这点十分重要。设计人员必须在整个工作温度范围内测试电压的变化范围。额定电压必须有足够的余量覆盖这个变化范围,确保电路不会失效。设计工程师需要考虑的其他安全因素包括由开关电子设备(如电机或变压器)诱发的电压瞬变。不同应用的额定电压也有所不同;通常,便携式设备为20V、FPGA电源为20~30V、85~220VAC应用为450~600V。

第二步:确定额定电流  第二步是选择MOSFET的额定电流。视电路结构而定,该额定电流应是负载在所有情况下能够承受的最大电流。与电压的情况相似,设计人员必须确保所选的MOSFET能承受这个额定电流,即使在系统产生尖峰电流时。两个考虑的电流情况是连续模式和脉冲尖峰。在连续导通模式下,MOSFET处于稳态,此时电流连续通过器件。脉冲尖峰是指有大量电涌(或尖峰电流)流过器件。一旦确定了这些条件下的最大电流,只需直接选择能承受这个最大电流的器件便可。   选好额定电流后,还必须计算导通损耗。在实际情况下,MOSFET并不是理想的器件,因为在导电过程中会有电能损耗,这称之为导通损耗。MOSFET在“导通”时就像一个可变电阻,由器件的RDS(ON)所确定,并随温度而显著变化。器件的功率耗损可由Iload2×RDS(ON)计算,由于导通电阻随温度变化,因此功率耗损也会随之按比例变化。对MOSFET施加的电压VGS越高,RDS(ON)就会越小;反之RDS(ON)就会越高。对系统设计人员来说,这就是取决于系统电压而需要折中权衡的地方。对便携式设计来说,采用较低的电压比较容易(较为普遍),而对于工业设计,可采用较高的电压。注意RDS(ON)电阻会随着电流轻微上升。关于RDS(ON)电阻的各种电气参数变化可在制造商提供的技术资料表中查到。   技术对器件的特性有着重大影响,因为有些技术在提高最大VDS时往往会使RDS(ON)增大。对于这样的技术,如果打算降低VDS和RDS(ON),那么就得增加晶片尺寸,从而增加与之配套的封装尺寸及相关的开发成本。业界现有好几种试图控制晶片尺寸增加的技术,其中最主要的是沟道和电荷平衡技术。   在沟道技术中,晶片中嵌入了一个深沟,通常是为低电压预留的,用于降低导通电阻RDS(ON)。为了减少最大VDS对RDS(ON)的影响,开发过程中采用了外延生长柱/蚀刻柱工艺。例如,飞兆半导体开发了称为SuperFET的技术,针对RDS(ON)的降低而增加了额外的制造步骤。 这种对RDS(ON)的关注十分重要,因为当标准MOSFET的击穿电压升高时,RDS(ON)会随之呈指数级增加,并且导致晶片尺寸增大。SuperFET工艺将RDS(ON)与晶片尺寸间的指数关系变成了线性关系。这样,SuperFET器件便可在小晶片尺寸,甚至在击穿电压达到600V的情况下,实现理想的低RDS(ON)。结果是晶片尺寸可减小达35%。而对于最终用户来说,这意味着封装尺寸的大幅减小。

第三步:确定热要求   选择MOSFET的下一步是计算系统的散热要求。设计人员必须考虑两种不同的情况,即最坏情况和真实情况。建议采用针对最坏情况的计算结果,因为这个结果提供更大的安全余量,能确保系统不会失效。在MOSFET的资料表上还有一些需要注意的测量数据;比如封装器件的半导体结与环境之间的热阻,以及最大的结温。   器件的结温等于最大环境温度加上热阻与功率耗散的乘积(结温=最大环境温度+[热阻×功率耗散])。根据这个方程可解出系统的最大功率耗散,即按定义相等于I2×RDS(ON)。由于设计人员已确定将要通过器件的最大电流,因此可以计算出不同温度下的RDS(ON)。值得注意的是,在处理简单热模型时,设计人员还必须考虑半导体结/器件外壳及外壳/环境的热容量;即要求印刷电路板和封装不会立即升温。   雪崩击穿是指半导体器件上的反向电压超过最大值,并形成强电场使器件内电流增加。该电流将耗散功率,使器件的温度升高,而且有可能损坏器件。半导体公司都会对器件进行雪崩测试,计算其雪崩电压,或对器件的稳健性进行测试。计算额定雪崩电压有两种方法;一是统计法,另一是热计算。而热计算因为较为实用而得到广泛采用。不少公司都有提供其器件测试的详情,如飞兆半导体提供了“Power MOSFET Avalanche Guidelines”( Power MOSFET Avalanche Guidelines--可以到Fairchild网站去下载)。除计算外,技术对雪崩效应也有很大影响。例如,晶片尺寸的增加会提高抗雪崩能力,最终提高器件的稳健性。对最终用户而言,这意味着要在系统中采用更大的封装件。

第四步:决定开关性能 选择MOSFET的最后一步是决定MOSFET的开关性能。影响开关性能的参数有很多,但最重要的是栅极/漏极、栅极/ 源极及漏极/源极电容。这些电容会在器件中产生开关损耗,因为在每次开关时都要对它们充电。MOSFET的开关速度因此被降低,器件效率也下降。为计算开关过程中器件的总损耗,设计人员必须计算开通过程中的损耗(Eon)和关闭过程中的损耗(Eoff)。MOSFET开关的总功率可用如下方程表达:Psw=(Eon+Eoff)×开关频率。而栅极电荷(Qgd)对开关性能的影响最大。   基于开关性能的重要性,新的技术正在不断开发以解决这个开关问题。芯片尺寸的增加会加大栅极电荷;而这会使器件尺寸增大。为了减少开关损耗,新的技术如沟道厚底氧化已经应运而生,旨在减少栅极电荷。举例说,SuperFET这种新技术就可通过降低RDS(ON)和栅极电荷(Qg),最大限度地减少传导损耗和提高开关性能。这样,MOSFET就能应对开关过程中的高速电压瞬变(dv/dt)和电流瞬变(di/dt),甚至可在更高的开关频率下可靠地工作。

“芯芯”向荣!南沙实现国内首个宽禁带半导体全产业链布局

随着国内唯一一家专注于车规级、具备规模化产业聚集及全产业链配套能力的碳化硅芯片制造项目主体工程迎来封顶,广州南沙正成为国内首个实现宽禁带半导体全产业链布局的地区。

5月17日,广州南沙举行第二季度重大项目集中签约暨芯粤能碳化硅芯片制造项目主体工程封顶活动。本次活动上,广东“强芯工程”重大项目芯粤能有限公司实现主体封顶。活动当天,9个半导体产业相关项目进行了现场签约,涉及总投资300亿元,达产年产值630亿元。

据了解,近年来,南沙引进培育芯粤能、芯聚能、晶科电子、联晶智能、南砂晶圆等一批龙头企业,初步形成了覆盖宽禁带半导体设计、制造、封测、材料全产业链完整生态,半导体产业呈现“芯芯”向荣的态势。

芯粤能碳化硅项目制造项目主体工程正式封顶。

项目总投资达 75 亿元

填补省内车规级碳化硅芯片规模化生产空白

“芯粤能项目自去年落户广州南沙区以来,我们拿地即开工,不到一年内迎来主体工程封顶,创造了整个芯片行业建设的一个非常领先的速度。”广东芯粤能半导体有限公司董事长肖国伟在接受采访时称赞了“南沙速度”。

南都记者了解到,广东芯粤能半导体有限公司是国内最大的面向车规级和工控领域碳化硅芯片制造和研发企业。公司投资建设的面向车规级和工控领域碳化硅芯片制造项目(简称芯粤能碳化硅芯片制造项目)已被列为广东“强芯工程”重大项目,是目前国内唯一一家专注于车规级、具备规模化产业聚集及全产业链配套能力的碳化硅芯片制造项目,产品主要应用于新能源汽车、充电桩、工业电源、智能电网以及光伏发电等领域。项目一期达产年产值40亿元,二期达产后合计年产值将达100亿元。

据肖国伟介绍,芯粤能碳化硅芯片项目总投资75亿元人民币,占地150亩。一期投资35亿元,建成年产24万片6英寸碳化硅晶圆的生产线;二期建设年产24万片8英寸碳化硅晶圆芯片的生产线。

其中,项目产品包括碳化硅SBD/JBS、MOSFET、IGBT等功率器件,主要应用于新能源汽车、充电桩、工业电源、智能电网以及光伏发电等领域,达产年产值将达100亿元。“芯粤能碳化硅芯片制造项目顺利封顶,将有效填补省内车规级碳化硅芯片规模化生产的空白。”肖国伟如是说。

航拍广东芯粤能项目主体工程。

近年来,我国新能源汽车产业的高速发展带动宽禁带半导体产业蓬勃兴起,发展碳化硅等宽禁带半导体已被写入国家“十四五”规划。肖国伟表示,依托南沙位于粤港澳大湾区地理几何中心的独特区位优势,国家新区、自贸试验区、粤港澳全面合作示范区等重大政策优势,和以千亿级汽车产业集群为引领的现代产业体系优势,芯粤能联合产业链合作伙伴和投资机构,面向新能源汽车、智能电网、工业电源、光伏发电等广阔的市场需求,以宽禁带半导体芯片制造为核心。

据广东芯粤能半导体有限公司总经理徐伟透露,芯粤能将在今年11月初搬入工艺设备,并在明年初进行整个通线的调试。“到明年的4-5月份,我们会有完整的车规级芯片样品送出。在整个车规级认证的过程中,我们还会推出更多的工控级碳化硅芯片,来满足强烈的市场需求和打造南沙更加完整的化合物半导体产业链。”徐伟说。

实现 宽禁带半导体全产业链布局

南沙两项指标增速领跑全市

芯粤能碳化硅芯片制造项目的落户,填补了宽禁带半导体全产业链中的“制造”环节。南都记者了解到,此次芯粤能碳化硅芯片制造项目所在地,正是南沙规划建设的集成电路产业园。园区选址于万顷沙保税港区加工制造业区块西南部,占地约1.97平方公里。

集成电路产业园全貌。

目前,园区内已建成南砂晶圆碳化硅单晶材料与晶片生产项目(材料)、芯聚能新能源汽车第三代半导体研发和生产基地(设计、封测和分立器件)、联晶智能LED车灯模组研发和生产基地(应用)。芯粤能的“入列”后,园区内初步形成了覆盖宽禁带半导体设计、制造、封测、材料全产业链的完整生态,推动南沙新区成为国内首个实现宽禁带半导体全产业链布局的地区。

活动当天,现场还安排了一批半导体产业相关项目集中签约,着力延链补链强链,其中包括巨湾技研储能器件与系统生产基地(世界500强广汽集团在储能新材料领域研发的重要成果转化项目)、安捷利封装载板和类载板项目(国内首个实现半导体柔性封装载板规模化量产的项目)等9个重大项目,涉及总投资300亿元,达产年产值630亿元,为南沙产业高质量发展注入新的强劲动力,塑造半导体集成电路“南沙制造”“湾区制造”新名片。

9个重大项目进行了现场签约。

半导体产业“芯芯”向荣,实体经济根基有力夯实。据了解,今年一季度南沙全区重点项目完成投资263亿元,实现46个先进制造业及产业配套项目动工建设,总投资750亿元,达产后产值可达1200亿元;顺利竣工重点项目20个,总投资130亿元;新引进6个世界500强企业投资项目。同时,重点项目建设的快速推进,带动全区实现地区生产总值484亿元,同比增长6.5%,规模以上工业产值同比增长14.2%,两项增速领跑全市。

南沙区区长董可表示,南沙区将抢抓半导体和集成电路产业发展的历史机遇,建设特色鲜明、实力强劲的半导体和集成电路产业创新集聚区,打造中国集成电路产业“第三级”,推动南沙加快建设,立足湾区,协同港澳、面向世界、面向未来的国际合作战略平台。

据南沙开发区投促局有关负责人透露,未来南沙将按照产业图谱强化产业布局,借助科研机构、行业组织、投融资机构等资源,进一步强化“以商引商”“产业链招商”,加快集聚集成电路产业上下游企业,推动“产业+产业链+产业集群”共振发展。

采写:南都记者 陈卓睿

摄影:何玉帅 刘伟

通讯员:罗瑞娴 罗俊鹏

相关问答

LM317是个啥管?

通讯设备、音频设备等。此外,...它通常被用于需要高精度稳压电源的电子设备中,如电脑、通讯设备、音频设备等。此外,LM317还具有内部频率补偿功能,可以消除...

请问瑞芯微RK3128是什么样的芯片呢?-ZOL问答

该处理器支持H.263、H.264、VP9等多种视频解码技术,可以实现流畅播放高清视频的...瑞芯微(Rockchip)RK3128是一款四核ARMCortex-A53处理器的系统芯片。该芯片....

mt6177mv是什么芯片?

MT6177M_RF_datasheetMT6177基于Cortex-A7架构,采用台积电的28nmLP制程工艺,主频1.2GHz,搭载的GPU图形处理器为powerVR544MP@286MHz。...

外围女可以提供哪些服务?报价单哪里有?她们一个月可以赚多少?...

“海天盛筵”让大众认识“外围女”在2013年之前,普通大众对“外围女”这个名词可能还很陌生,但在“海天盛筵”事件曝光之后,“外围女”一度成为网...

手边有24V的电源,需要转12V输出,有哪些芯片方案可以实现?

将24V电压转换成12V电压可以选用LDO降压芯片,也可以选用DC/DC芯片。相对而言LDO的外设电路较简单,所需器件较少。7812是一款常用的LDO降压芯片,可以实现降压的...

小米3s手机什么时候上市?有哪些功能?-红网问答

小米3s的发布时间,应该是在2014年5月份上市了,因为往常小米都是在推出主力机型半年之后,会发布一款配置相对提升的版本。只知道一点点小米手机3S...

TDA36538是什么集成块?-ZOL问答

295浏览5回答我收到验证码啦可是我回复了TD退订以后再也领不到验证码啦怎么办263浏览5回答广数980tdb对刀怎么显示数据非法331浏览4回答TD-SCDMA和...

主板ID06/26/2007-sis-761GX-6A7ID001C-00这都是什么意思?

这是主板的BIOSID通过这行文字,可以知道:1、这块主板采用SIS761GX芯片组(6A7ID也表示SIS761GX)2、BIOS的日期为2007.6.263、6A7ID001C,这行字的第...

哪位行家跪求回复,5V电源管理IC联系方式,电源管理IC效果好...

[回答]电源IC就是通常所讲的电源管理芯片或电源模块。主芯片则是起主要控制作用的芯片,好比是电脑里的CPU,显示器内的MCU。PCB板是树脂森木板,上面复盖有...

这配置怎样,好多钱,-华硕N73YI263SV-SL-ZOL问答

华擎超频B95,这个板子是B85黑科技过来的,所以叫B95,INTEL家是没有这个型号,所以要跟JS问清楚,G3258是不是一定能超频。小影霸2G独显,你这显卡有问题...

王经理: 180-0000-0000(微信同号)
10086@qq.com
北京海淀区西三旗街道国际大厦08A座
©2026  上海羊羽卓进出口贸易有限公司  版权所有.All Rights Reserved.  |  程序由Z-BlogPHP强力驱动
网站首页
电话咨询
微信号

QQ

在线咨询真诚为您提供专业解答服务

热线

188-0000-0000
专属服务热线

微信

二维码扫一扫微信交流
顶部