技术资料
HOME
技术资料
正文内容
芯片引角 集成电路常见封装外形和引脚顺序识别
发布时间 : 2026-01-09
作者 : 小编
访问数量 : 23
扫码分享至微信

集成电路常见封装外形和引脚顺序识别

常见封装外形

集成电路最常用的封装材料有塑料、陶瓷及金属3类。封装外形最多的是圆筒形、扁平形及双列直插形。圆筒形金属壳封装多为8脚、10脚及12脚,如图9-7所示;菱形金属壳封装多为3脚及4脚,如图9-8所示;扁平形陶瓷封装多为14脚及16脚,如图9-9所示;单列直插式塑料封装多为9脚、10脚、12脚、14脚、16脚,如图9-10所示;双列直插式陶瓷封装多为8脚、12脚、14脚、16脚及24脚,如图9-11所示;双列直插式塑料封装多为8脚、12脚、14脚、16脚、24脚、42脚及48脚,如图9-12所示。

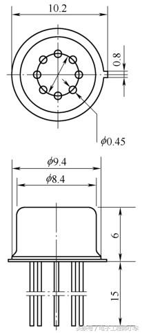
图9-7 圆筒形金属壳封装

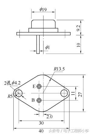
图9-8 菱形金属壳封装

图9-9 扁平形陶瓷壳封装

图9-10 单列直插式塑料封装

图9-11 双列直插式陶瓷封装

图9-12 双列直插式塑料封装

引脚顺序识别

集成电路的封装外形不同,其引脚排列顺序也不一样。对圆筒形和菱形金属壳封装的集成电路,识别引脚时应面向引脚(正视),由定位标记所对应的引脚开始,按顺时针方向依次数到底即可,常见的定位标记有突耳、圆孔及引脚不均匀排列等,如图9-13所示。

图9-13 圆筒形、菱形封装引脚排列顺序

图9-14 单列直插式集成电路引脚排列顺序

对单列直插式集成电路,识别其引脚时应使引脚向下,面对型号或定位标记,自定位标记对应一侧的第一只引脚数起,依次为①、②、③……这一类集成电路上常用的定位标记为色点、凹坑、小孔、线条、色带及缺角等,如图9-14(a)所示。有些厂家生产的集成电路,本是同一种芯片,为了便于在印制电路板上灵活安装,其封装外形有多种。例如,为适合双声道立体声频功率放大电路对称性安装的需要,其引脚排列顺序对称相反。一种按常规排列,即自左向右;另一种则自右向左,如图 9-14(b)所示。对这类集成电路,若封装上设有识别标记,按上述规律不难分清其引脚顺序。但有少数这类器件上没有引脚标识标记,这时应从它的型号上加以区别。若其型号后缀中有一字母R,则表明其引脚顺序为自右向左反向排列。例如,M5115P与M5115PR、HA1339A与HA1339R、HA1366W与HA1366WR等,前者其引脚排列顺序自左向右为正向排列,后者引脚排列顺序则自右向左为反向排列。

对双列直插式集成电路,识别其引脚时,若引脚向下,即其型号、商标向上,定位标记在左边,则从左下角第一只引脚开始,按逆时针方向,依次为①、②、③……如图 9-15 所示;若引脚向上,即其型号、商标向下,定位标志位于左边,则应从左上角第一只引脚开始,按顺时针方向,依次为①、②、③……

图9-15 双列直插式集成电路引脚排列顺序

顺便指出,有个别型号集成电路的引脚,在其对应位置上有缺脚(即无此输出引脚)。对这种型号的集成电路,其引脚编号顺序不受影响。

对某些软封装类集成电路,其引脚直接与印制电路相结合,大部分音乐/音响/语言集成电路采用这种封装形式,如图9-16所示。对四列扁平封装的微处理器集成电路,其引脚排列顺序如图9-17所示。

图9-16 软封装集成电路引脚排列

图9-17 四列扁平封装集成电路引脚排列顺序

什么是芯片的引脚?它有什么作用?

芯片的引脚是指芯片上的金属引脚,它们起着连接芯片与外部电路的作用。每个引脚都有特定的功能和用途,通过引脚,芯片可以与其他电子元件进行通信和交互。

引脚的作用是将芯片内部的电子信号传输到外部电路,或者将外部电路的信号输入到芯片内部。它们充当了芯片与外界之间的桥梁,起到了信号传输和数据交换的关键角色。

引脚的功能多种多样,常见的有电源引脚、地线引脚、输入引脚和输出引脚等。电源引脚提供芯片所需的电源电压,地线引脚则用于接地,以确保电路的稳定性和可靠性。输入引脚接收来自外部电路的信号输入,而输出引脚则将芯片内部处理后的信号输出到外部电路。

引脚的数量和排列方式取决于芯片的设计和功能需求。不同的芯片可能有不同数量的引脚,从几个到几百个不等。引脚的排列方式也有多种,如直插式、贴片式和球栅阵列等。

总之,芯片的引脚是连接芯片与外部电路的关键接口,通过引脚,芯片可以与其他电子元件进行通信和交互,实现各种功能和应用。了解和理解芯片的引脚对于电子工程师和技术人员来说至关重要,它们是实现电路连接和信号传输的基础。

相关问答

芯片引脚图怎么看?

芯片引脚图是指集成电路芯片的管脚排列图,可以通过以下方式查看:在集成电路芯片的首页,查找该芯片的规格书,其中会列出该芯片的引脚排列图。根据规格书中的...

IC的引脚肿么去认识各个引脚的英文所代表的意思-ZOL问答

你有IC的型号之后去查找这个IC的中文资料,我给你几个我自己用的IC的引脚D:漏极引脚S:源极引脚BP:旁路引脚FB:反馈引脚R:参考引脚V:电压检测引脚满意请采...

芯片引脚基本功能?

以下是一些常见的芯片引脚基本功能:1.电源引脚(VCC、VDD):用于提供芯片所需的正电压电源,通常连接到电源电路的正电源。2.地引脚(GND):用于提供芯片...以...

异或芯片引脚图及功能?

ch4030是cmos双列16脚四异或门芯,引脚一组输入1,2脚,输出3脚,二组输入5,6脚,输出4脚,三组输入8,9脚,输出10脚,四组输入12,13脚,输出11脚。Ⅴss7脚,...ch4030...

芯片的引脚是什么材料?

芯片的引脚通常是由铜或者铜合金制成。铜具有良好的导电性和热传导性,同时具有较高的耐腐蚀性,因此非常适合用于制作引脚。在制作过程中,引脚会经过多道工艺,...

有引脚的芯片叫什么?

有引脚的芯片通常被称为集成电路(IC),它是由多个晶体管和其他电子元件组成的微型电子元件,被集成在单个芯片上。这些晶体管和其他元件通过引脚连接到外部电路...

请问如何识别芯片的电源引脚,也就是供电线那脚?

电源管理芯片引脚定义1、VCC电源管理芯片供电,2、VDD门驱动器供电电压输入或初级控制信号供电源,3、VID0-4CPU与cpu供电管理芯片VID信号连...电源...

如何查询芯片的功能管脚等信息?

查询芯片的功能管脚等信息的方式:第一步:打开芯查查APP,点击首页上方搜索栏第二步:输入芯片型号,点击下方想要查看的选项第三步:点击想要查看的型号资料...

芯片引脚源极是什么?

源极引脚是输出MOSFET的源极连接点,用于高压功率的回路。源极引脚是输出MOSFET的源极连接点,用于高压功率的回路。

芯片的引脚顺序的疑问,请大侠帮忙?

引脚顺序都是1,2,3....n,你怎么放他,他在电路里都是这么排的,功能相关引脚放在一起,只是为了看图者直观,方便而已了,当然是要自己编辑引脚循序的了·引脚...

 液下排污泵  公司4个人轮上 
王经理: 180-0000-0000(微信同号)
10086@qq.com
北京海淀区西三旗街道国际大厦08A座
©2026  上海羊羽卓进出口贸易有限公司  版权所有.All Rights Reserved.  |  程序由Z-BlogPHP强力驱动
网站首页
电话咨询
微信号

QQ

在线咨询真诚为您提供专业解答服务

热线

188-0000-0000
专属服务热线

微信

二维码扫一扫微信交流
顶部