技术资料
HOME
技术资料
正文内容
t触发器芯片 震撼!美国民兵 III 型核导弹制导系统和计算机内部欣赏
发布时间 : 2025-05-07
作者 : 小编
访问数量 : 152
扫码分享至微信

震撼!美国民兵 III 型核导弹制导系统和计算机内部欣赏

民兵导弹于 1962 年推出,是老美核威慑力量的重要组成部分。民兵 III 导弹是目前美国唯一的陆基洲际弹道导弹 (ICBM),共有 400 枚导弹随时准备发射,分布在五个中部州。该导弹包含一个精确制导系统,能够将弹头发射到 13000 公里(8000 英里)外的目标, 精度为 200 米(660英尺)。

下图显示了民兵 III 导弹(1970 年)的制导系统。该制导系统包含 17000 多个电子和机械部件,价值510000 美元(按当前美元计算约为450万美元)。制导系统的核心是陀螺稳定平台,它使用陀螺仪和加速度计来测量导弹的方向和加速度。计算机使用平台的测量值来确定导弹的位置并引导导弹沿其轨迹飞向目标。其他关键组件是导弹制导装置控制器,其中包含用于支持陀螺稳定平台的电子设备,以及将计算机与导弹其余部分连接的放大器。本文中,仔细研究了2000年代初之前使用的制导系统的组件。

从根本上讲,制导计算机会不断将导弹位置与预期轨迹进行比较,并生成适当的转向命令以使导弹保持在轨道上。下图显示了如何引导发动机喷嘴使导弹围绕其三个轴旋转:滚转、俯仰和偏航。在发射井中,滚转角(方位角)与目标方向一致。导弹垂直起飞,然后导弹逐渐沿俯仰轴旋转以向目标倾斜。在飞行过程中,沿所有三个轴的调整可使导弹保持在目标上。民兵 III 有四个火箭级,因此制导计算机会抛弃每个火箭级并按顺序点燃下一个火箭级。

稳定平台

惯性导航的原理是通过不断测量导弹的加速度来跟踪导弹的位置。通过对加速度进行积分,可以得到速度。通过对速度进行积分,可以得到位置。惯性导航是独立的,这对导弹来说是一个很大的优势,因为敌人无法干扰你的导航。困难的部分是极其精确地测量加速度和角度,因为即使是微小的误差也会在导弹飞行过程中成倍增加。

更详细地说,民兵导弹的惯性制导是围绕陀螺稳定平台构建的,该平台保持固定方向,平台安装在两个万向节上。陀螺仪的反馈来驱动三个力矩电机旋转万向节,无论导弹如何旋转,都能使稳定平台保持完全相同的方向。

下图显示了稳定平台的组件,其方向与上图大致相同。稳定平台上安装了三个加速度计来测量加速度。加速度计沿三个垂直轴定向,因此每个加速度计沿一个轴测量加速度。(加速度计轴与平台轴不对齐;这会将加速度(大部分“向上”)分布在加速度计上,从而提高准确性。)两个对准镜使稳定平台能够与称为自准直仪的精密设备对准,如下所述。陀螺罗盘利用地球自转精确确定北方,提供备用对准技术。对准镜和陀螺罗盘都可以旋转到精确的角度,最后由解析器解码报告。

发射时必须在发射井内旋转导弹,使其与目标对齐,这个角度称为发射方位角。这个角度必须非常精确,因为即使是微小的角度误差也会在导弹的飞行过程中被大大放大。对准导弹是一个繁琐的过程,需要使用北极星来确定北方。由于在发射井内看不到北极星,因此采用了一种复杂的测量技术,使用测量员的经纬仪测量北极星与发射井外三个混凝土纪念碑之间的角度。在发射井内,可以通过瞄准管看到最近的纪念碑,从而可以将精确的角度测量结果传输到发射井。

在发射井内进行多次测量后,将一种称为自准直仪的特殊装置精确地定位在所需发射方位角的 90° 处。自准直仪通过导弹侧面的窗口发射一束光,光束从稳定平台上的镜子上反射回来,然后返回自准直仪。如果返回的光束不完全平行,自准直仪就会向导弹发送信号,使稳定平台根据需要旋转。这个过程的结果是稳定平台与目标的角度完全对齐。

制导平台为民兵二号和三号进行了彻底重新设计,省去了民兵一号所需的耗时对准。新平台有一个带旋转镜的对准块。自动准直仪不旋转导弹,而是固定在东边位置,镜子(以及稳定平台)则旋转到所需的发射方位角。新的制导平台还在对准块下方增加了一个陀螺罗盘,这是一种特殊的罗盘,可以通过逆着地球自转的进动精确对准北方。起初,陀螺罗盘被用作自动准直仪的备用检查,但最终陀螺罗盘成为主要对准装置。为了进行校准,对准块还包括电解气泡水平仪,将稳定平台定位在已知的相对于当地重力的方向。

上图显示了陀螺罗盘顶部的校准块。校准块的正面和背面是精密镜子,用于反射来自自准直仪的光束。校准块顶部和右侧的圆圈是两个水平检测器,带有用于精确调节的固定螺钉。平台有四个水平检测器,使其能够在多个位置与重力对齐。与万向架一样,陀螺罗盘组件也是由铍制成的,因为它具有刚性和重量轻的特点,它有一个警告标签,因为铍具有剧毒。

下图显示了轴如何与稳定平台的万向节对齐。注意照片顶部的窗口。来自自准直仪的光线透过窗口照射进来,从对准块上的镜子反射回来,然后通过窗口返回到自准直仪。自准直仪会检测到对准中的任何错误,并向导航系统发出信号以相应地纠正其位置。

稳定平台使用陀螺仪在导弹转动时保持其固定方向。陀螺仪背后的原理是旋转的磁盘将倾向于保持其旋转轴。问题是任何摩擦,即使是精密滚珠轴承,也会降低精度。民兵的解决方案是“气体轴承”,其中陀螺仪转子由极薄的氢层支撑。如下图所示,陀螺仪围绕一个大理石大小的固定球(蓝色)构建,固定在陀螺仪框架的顶部和底部。转子(粉红色)夹在球的赤道周围并以高速旋转,由感应电动机(绕组绿色,转子黄色)驱动。如果陀螺仪框架倾斜,转子将保持其方向。框架和转子之间角度的改变由灵敏的电容拾音器(紫色)检测。陀螺仪对两个轴的倾斜敏感:左右和前后。由于除了球周围的薄薄一层气体外,没有任何东西接触转子,因此摩擦的影响很小。

民兵 D-17B 计算机

制导计算机在民兵导弹中发挥着关键作用,它根据稳定平台数据确定导弹的位置,执行制导算法,并引导导弹沿预期轨迹飞行。在解释民兵 II 和 III 中使用的 D-37 计算机之前,首先看下第一代民兵导弹中使用的 D-17B 计算机,因为它的特性对后来的计算机产生了很大的影响。按照现代标准,民兵 I 计算机非常原始。虽然它是一台 24 位机器,但它是一台串行计算机,每次只对一位进行操作。串行处理的一大优势是它大大降低了硬件要求。由于计算机每次只处理一位,因此它使用一位 ALU。此外,总线和数据路径的宽度为一位,而不是 24 位。当然,缺点是串行计算机速度慢。D-17B 需要 27 个时钟周期(24 位和三个开销)才能执行任何操作。计算机最多可以每秒执行 12,800 次加法。

该计算机具有独特的圆柱形结构,直径为 29 英寸(74 厘米),设计用于适应民兵导弹的直径。计算机本身是圆柱形外壳的下半部分。上半部分是电子设备底盘,装有计算机和稳定平台的电源,以及伺服控制放大器、振荡器和转换器。(芯片之家)

该计算机没有任何 RAM。相反,所有指令、数据和寄存器都存储在硬盘上,但与现代硬盘不同。磁盘的每个磁道都有单独的固定磁头,因此无需寻道即可访问磁道。(这种方法类似于围绕磁鼓存储器构建的计算机,只是磁鼓是扁平的。)总的来说,磁盘只保存了 2727 个 24 位字(大约 8 KB)。计算机的串行处理和基于磁盘的存储协同工作良好。磁盘一次提供一位数据,计算机将串行处理这些数据。随着计算的进行,结果被写回磁盘,一次一位。写入磁头位于读取磁头的正后方,因此计算值时可以覆盖该值。

下图显示了 D-17B 硬盘的众多读写磁头。注意看,磁头是固定的(与现代硬盘不同),并且磁头广泛分布在表面上。(无需对齐不同的轨道。)我相信成对的绿色和白色磁头用于“常规”轨道,而具有其他间距的磁头实现寄存器和称为循环的短期存储。

D-17B 计算机是晶体管计算机。下图显示了它的一块电路板,上面塞满了晶体管(黑色圆柱体)、电阻器、二极管和其他元件。(这块电路板是一个读取放大器,用于放大硬盘信号。)该计算机使用二极管-电阻器逻辑和二极管-晶体管逻辑来减少晶体管的数量;因此,它使用了 6282 个二极管和 5094 个电阻,而硅和锗晶体管则使用了 1521 个。

该计算机支持 39 条指令。许多指令都很简单:加、减、乘(但不能除)、补码、数值、AND、左移和右移。该计算机处理 24 位字以及 11 位拆分字,因此许多这些指令都有“拆分”版本以对较短的值进行操作。一条不寻常的指令是“拆分比较和限制”,如果累加器值超过限制,则用内存中的限制值替换累加器值。

计算机的重点是 I/O,它有 48 个数字输入、26 个增量输入、28 个数字输出、12 个模拟电压输出和 3 个用于陀螺仪控制的脉冲输出。计算机有特殊指令来支持各种输入和输出。例如 ,为了积分来自稳定平台的脉冲信号,计算机有指令进入和退出“精细倒计时”模式,这会导致两个特殊寄存器作为数字积分器运行,与常规计算并行。

D-37 计算机

Autonetics 公司为民兵二号导弹制造了 D-37 计算机,这是最早的集成电路计算机之一。通过使用集成电路,制导计算机的尺寸大大缩小,射程、功能和准确性都有所提高。下图比较了老式 D-17B 计算机(半圆柱体)和 D-37B(工程师手持)的尺寸。

虽然计算机的主要任务是制导,但随着 D-37 容量的增加,计算机接管了许多以前由地面支持设备执行的任务。D-37 管理“地面控制和检查、监控、通信编码和解码,以及空中导航、制导、操纵和控制任务”。

下图显示了民兵二号中使用的 D-37C 计算机。左侧是提供计算机内存的硬盘。计算机的大部分被覆盖有扁平集成电路的复杂电路板占据。右侧是先进的开关电源,为计算机产生多种电压(±3、6、9、12、18 和 24 伏)。顶部的连接器提供计算机与系统其余部分之间的接口,由于计算机有如此多的数字(离散)和模拟信号,因此它使用多个 61 针连接器。

D-37C 计算机由 22 种不同的集成电路组成,由德州仪器为民兵项目定制。这些芯片包括数字功能(例如 NAND 门和触发器)、线性放大器和特殊功能(例如解调器/斩波器)。德州仪器在公开市场上销售民兵系列集成电路,但这些芯片价格高得惊人(触发器 55 美元,按当前美元计算超过 500 美元),而且不如 TI 的通用集成电路那么受欢迎。当时的电路板非常复杂,有 10 个互连层。每块电路板约 4 × 5英寸,可容纳约 150 个扁平集成电路,两面都有元件。

集成电路行业的发展很大程度上要归功于民兵计算机和阿波罗制导计算机,这两款计算机都是在集成电路发展初期开发的。这些项目购买了数十万块集成电路,帮助集成电路行业从小批量原型转向批量生产商品,既提供了需求,也激励了公司解决产量问题。此外,这两款计算机都需要高可靠性的集成电路,迫使行业改进其制造工艺。最后,民兵计算机和阿波罗计算机让集成电路获得了可信度,表明集成电路是一种实用的设计选择。

Minuteman III 使用的是 D-37D 计算机,磁盘容量约为其两倍,为 14137 个字。布局与上面的 D-37C 类似,磁盘驱动器在左侧,电源在右侧。由于计算机是“倒置”安装的,因此内部的电路板不可见,被互连板挡住了。这里不可思议的是,竟然有柔性 PCB 的使用,这在当时是先进的技术,焊接时采用低熔点铟/锡焊料。

P92 放大器

放大器提供计算机与导弹其余部分之间的接口。放大器向导弹的四个阶段发送控制信号,控制发动机和转向。(民兵 I 型喷嘴控制单元的电子电路被转移到放大器,简化了维护。) 此外,民兵导弹在许多地方都有爆炸物,从启动阀门的小型引爆器到分离导弹各级的炸药。放大器发送高电流(30 安培)信号来引爆弹药,同时监测电流以检测故障。放大器充当 弹药的安全装置,除非放大器已配备正确的代码,否则会阻止信号。放大器向再入系统(即弹头)以及箔条分配器发送控制信号,箔条分配器发射大量电线来干扰敌方雷达。放大器还通过脐带电缆从地面设备发送和接收信号。

上图显示的是已拆下盖子的放大器。放大器由两叠六块电路板构成,位于双倍宽度的电源板之上。每块电路板的顶部和底部,带有粗电缆的连接器将电路板连接到系统的其余部分。每块电路板都是多层印刷电路板,安装在厚厚的镁框架上,以便冷却。放大器有五个电源开关板、一个阀门驱动器板、三个伺服放大器板和一个 ACTR 控制板(不管它是什么)。系统板在左侧可见,带有大电容和 0.01% 精度的电阻。它的右侧是解码板,大概是解码计算机命令以选择特定的 I/O 设备。请注意,该电路板上大量使用了德州仪器的扁平集成电路,即微小的白色矩形部分。

导弹制导装置控制

导弹制导装置控制 (MGSC) 包含为惯性测量单元 (IMU) 供电和运行的电子设备,为计算机提供接口。MGSC 处理平台伺服回路、加速度计服务器回路、陀螺仪扭矩、陀螺罗盘扭矩和回转以及加速度计温度控制。MGSC的 一个意想不到的功能是为计算机的硬盘供电,提供 400 Hz、27.25 伏的三相电源。(芯片之家)

电池

民兵制导系统中的电池非常不寻常,因为它是一块“备用电池”,在激活之前完全处于惰性状态。它是一块银/锌电池,电解液单独存放,使电池的使用寿命几乎无限长。为了在发射过程中给电池供电,电池内的气体发生器由爆管点燃。气压迫使氢氧化钾电解液从储罐中流出并进入电池,在不到一秒钟的时间内为电池通电。当然,电池只能使用一次,无法测试它。该电池由 Delco-Remy(通用汽车的一个部门)制造。它提供 28 伏特、14.5 安培小时的电压,为制导系统和大部分导弹供电,另一块电池为第一级火箭供电。

引爆开关

另一个不寻常的组件是引爆开关,这种开关由一个小的爆炸引爆器启动。当引爆时,引爆器会迫使开关改变位置,这种开关可能看起来过于夸张,但它比电磁继电器等有一些优势。引爆开关将稳定切换,而继电器上的触点在稳定到新位置之前可能会“颤动”或弹跳。电磁继电器可能需要更多的电流来切换,特别是当它有大触点或许多触点时。但是,像电池一样,引爆开关只能使用一次。

开关的作用是在发射过程中断开重要信号(称为关键引线)。民兵导弹有一个脐带连接,可在导弹位于发射井时提供电力、冷却和信号。在脐带电缆断开之前,开关会切断主复位信号以及启用和禁用信号的连接。据推测,这些控制信号被干净地断开是为了避免杂散信号或电噪声,因为当脐带连接断开时,杂散信号或电噪声可能会引起问题。

下图显示了连接到发射井中的民兵 II 导弹的脐带电缆。请注意导弹侧面的窗口,以便自准直仪的光束反射到制导平台上进行对准。

冷却

制导系统在发射井中时采用水冷,使用铬酸钠溶液来抑制腐蚀。发射后,制导系统在释放弹头之前只运行了几分钟,因此无需水冷。(稳定平台配有风扇和热交换器,以在飞行过程中保持冷却。)下图突出显示了冷却管线。冷却剂由地面支持设备通过右上方的脐带连接器提供。它流经计算机、二极管组件、MGSC 和稳定平台。最后,冷却剂通过脐带连接器流出。

二极管

在制导系统的中间,二极管组件由七个功率二极管组成。这些二极管在从地面电源切换到电池电源时控制电流,下图显示了二极管组件,顶部和底部有冷却剂连接。二极管组件中心的粗灰色电线从左侧的电池接收电源。

置换插头

置换插头(或 P 插头)是制导系统的关键加密元件,用于定义特定导弹的发射代码。P 插头看起来类似于冰球,插入连接到放大器的 55 针插座中,固定杆将 P 插头固定到位。

由于导弹的安全性取决于 P 插头,因此 P 插头的处理方式非常仪式化,由一个两人小组运输,一名飞行员和一名军官,两人都持枪(来源)。制导系统维护完毕后,P 插头小组将确保插头安装正确,然后才将导弹重新固定在一起。磁盘内存周围也有很多仪式,因为它保存着安全代码和目标信息。在任何人操作计算机之前,一个特别小组会来到发射井并擦除内存。之后,另一个小组会从磁带(民兵 III 的情况)或穿孔带(早期)中加载计算机。

据说导弹发射代码被分成硬盘和置换插头两部分。具体来说,导弹软件为五个发射控制设施各保留一个双字代码。执行 发射命令 (ELC) 中的发射代码必须与磁盘上的 P 插头值和站点特定值的组合相匹配。因此 ,发射代码对于每个发射控制站点和每枚导弹都是唯一的,作为另一项安全功能,发射需要来自两个发射控制站点的消息,除非只有一个可用。

瞬态电流检测器

核爆炸对半导体有许多不良影响,并可能导致瞬时错误。D-37C 和 D-37D 计算机使用了一种相当强力的方法来尽量降低这种风险,如果检测到核爆炸,计算机将停止写入磁盘,直到辐射爆发过去。当辐射水平下降时,计算机从中断的地方继续运行,推断以弥补失去的时间,从而尽量减少错误。由于所有数据都存储在硬盘上,因此系统不必担心半导体 RAM 可能发生的内存损坏。

民兵 III 型导弹的制导环外侧还安装有两个“场探测器”。据推测,这些探测器可以探测到电磁场的大幅波动,表明存在电磁脉冲 (EMP),与瞬态电流探测器探测到的电离辐射不同。

结论

民兵制导系统充满了创新技术。除其它外,民兵 I 使用了早期晶体管计算机,而民兵 II 使用了最早的集成电路计算机之一。不过,民兵导弹并非只是过去的东西。目前美国有 400 枚民兵导弹,随时准备发射并造成全球破坏。因此,如果不反思其潜在目的的消极性,就不能赞美它的技术成就。

555定时器工作原理及仿真测试

一、功能概述

集成时基电路又称为集成定时器或555电路,是一种数字、模拟混合型的中规模集成电路,应用十分广泛。它是一种产生时间延迟和多种脉冲信号的电路,由于内部电压标准使用了三个5K电阻,故取名555电路。

555定时器是一种模拟电路和数字电路相结合的中规模集成电路,使用灵活,逻辑功能强,内部的比较器灵敏度较高,而且采用差分电路形式,用其构成的多谐振荡器的振荡频率受电源电压和温度的影响很小,可以很方便的组成各种自己所需的电路。

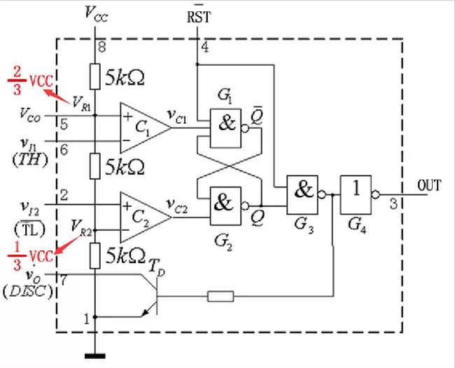
二、555定时器集成芯片引脚图

三、555定时器集成芯片引脚功能

1脚:外接电源负端VSS或接地,一般情况下接地。

2脚:低触发端TL,该脚电压小于1/3 VCC时有效。

3脚:输出端OUT。

4脚:直接清零端RST。当此端接低电平时,则时基电路不工作,此时不论TL、TH处于何电平,时基电路输出为“0”,该端正常工作时应接高电平。

5脚:CO为控制电压端。若此脚外接电压,则可改变内部两个比较器的基准电压,当该脚不用时,应将该脚串入一只0.01μF(103)瓷片电容接地,以防引入高频干扰。

6脚:高触发端TH,该脚电压大于2/3 VCC时有效。

7脚:放电端。该端与放电管T的集电极相连,用做定时器时电容的放电引脚。

8脚:外接电源VCC,双极型时基电路VCC的范围是4.5-16V,CMOS型时基电路VCC的范围为3-18V,一般用5V。

四、555定时器集成芯片的内部结构

它内部包括两个电压比较器,三个5K等值串联电阻,一个 RS 触发器(由G1和G2构成),一个放电三极管T 及功率输出级。它提供两个基准电压VR2(1/3 VCC) 和VR1(2/3 VCC),如下图所示。

555 定时器的功能主要由两个比较器决定。两个比较器的输出电压控制RS 触发器和放电管T的状态。在电源与地之间加上电压,且当5脚悬空时,则电压比较器 C1 的同相输入端的电压为2/3VCC,C2反相输入端的电压为1/3VCC。若低触发输入端 TL的电压小于1/3 VCC,则比较器C2的输出为 0,可使 RS 触发器置 1,使输出端 OUT=1,即输出高电平。如果高触发端TH的电压大于 2/3 VCC,同时 TR端的电压大于1/3 VCC,则 C1 的输出为 0,C2 的输出为 1,可将 RS 触发器置 0,使输出端OUT=0,即输出低电平。

综上所述,在8脚接电源VCC,1脚接地,5脚未外接电压,555时基电路的逻辑功能表如下:

只有彻底理解了这个功能图,才能灵活运用555集成芯片设计产品。

五、仿真测试

为了测试555定时器的功能,我们采用电子仿真软件MultisimV11.0进行搭建仿真电路测试,如下图所示。

当A点电位为0V时,555定时器低触发端(2脚)有效,3脚输出高电平,LED1被点亮。

调节电位器R3,可以改变A点的电位(0到5V可变)。

当A点的电位从0开始上升,一直到4V(2/3 VCC)时,555定时器高触发端(6脚)有效,555定时器3脚才发生跳变输出为0V,LED1被熄灭,如下图所示。

当A点的电位继续上升到5V,555定时器3脚输出电平将保持不变。

如果让A点的电位从5V开始下降,一直下降到2V时,555定时器低触发端(2脚)有效,3脚输出高电平,LED1被点亮。

相关问答

t触发器的别称?

t触发器的具体别称为如下表述:T触发器又称翻转触发器或计数触发器,每接收一个时钟脉冲(或计数脉冲)CP,触发器就翻转一次。只要将JK触发器中的J=K=1时,为防止...

计数器芯片使用方法?

当计数器接收到每个脉冲时,它会自动增加计数值。最后,可以通过读取计数器的输出端来获取计数值。计数器芯片广泛应用于计时、频率测量、事件计数等领域。接下来,...

触发器的类型及应用基本RS触发器JK触发器的逻辑电路及逻辑功能?

1.触发器的特点触发器具有两个稳定的状态,在外加信号的触发下,可以从一个稳态翻转为另一稳态。这一新的状态在触发信号去掉后,仍然保持着,一直保留到下一次...

555芯片是什么?-ZOL问答

555芯片是什么?555讨论回答(5)555定时器是一种中规模集成器件,具有模拟和数...其输出驱动电流约为200mA,因此可以与TTL、CMOS或模拟电路电平兼容。由于成本...

什么是触发器?模拟电子技术中触发器有哪几种?

什么是触发器?其是一种特殊存储过程,跟数据库对象紧密相连。不能被直接调用,要通过事件进行触发而执行。若数据库对象中结构或数据发生变化会自动强制执行,但...

t触发器的功能和用途?

T触发器的主要功能是输出翻转控制。在数字电路中,凡在CP时钟脉冲控制下,根据输入信号T取值的不同,具有保持和翻转功能的电路,即当T=0时能保持状态不变,T=1时一...

T触发器的表达式?

1,Rs触发器方程:Qn+1=S+R.Qn用Q表示触发器接收输入信号之前的状态,称为现态,用Q“表示触发器接收输人信号之后的状态,称为次态。将触发器现态和次态之间的...

t’触发器什么时候触发?

T=1时触发T触发器T触发器是在数字电路中,凡在CP时钟脉冲控制下,根据输入信号T取值的不同,具有保持和翻转功能的触发器,即当T=0时能保持状,T=1时一定翻转的...

触发器按照逻辑功能分有什么、什么、D触发器、T触发器等?

按逻辑功能分,触发器主要有:1、rs触发器:在时钟脉冲操作下,根据输入信号R,S取值不同,凡是具有置0,置1和保持功能的电路,都叫做RS型时钟触发器,简称为RS...按...

d触发器转换成t’触发器的转换步骤?

将D触发器转换为T'触发器的步骤如下:1.将D输入端的所有引脚连接到T'输入端的所有引脚,并将D输出端的所有引脚连接到T'输出端的所有引脚。2.在T'输入......

王经理: 180-0000-0000(微信同号)
10086@qq.com
北京海淀区西三旗街道国际大厦08A座
©2026  上海羊羽卓进出口贸易有限公司  版权所有.All Rights Reserved.  |  程序由Z-BlogPHP强力驱动
网站首页
电话咨询
微信号

QQ

在线咨询真诚为您提供专业解答服务

热线

188-0000-0000
专属服务热线

微信

二维码扫一扫微信交流
顶部