技术资料
HOME
技术资料
正文内容
8a芯片 谷歌Pixel 8a手机拆解:电池难拆,Tensor芯片无VC均热板
发布时间 : 2026-01-08
作者 : 小编
访问数量 : 23
扫码分享至微信

谷歌Pixel 8a手机拆解:电池难拆、Tensor芯片无VC均热板

IT之家 5 月 23 日消息,谷歌承诺为 Pixel 8a 手机提供 7 年的使用寿命,不仅在于提供 7 年系统和安全更新,更重要的是到 2030 年之前依然为其提供可更换零件。

那么如果消费者想要自己修理一台,会有多难呢?

YouTube 频道 PBKreview 在最新一期视频中,拆解了谷歌 Pixel 8a 手机,表示整体维修难度还可以,但在拆解电池过程中遇到了一个难题,尽管有一个拉片,但电池与边框粘得很紧,即使使用大量异丙醇(isopropanol)也很难将其取出 。IT之家附上相关图片如下:

拆解过程中还发现 Pixel 8a 手机内部没有热导板(Vapor Chamber),有大量的石墨和铜膜以及散热垫,但没有用于 Tensor G3 芯片组的 VC 均热板。

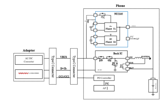
伏达电荷泵芯片NU2105新品发布,支持8A充电,效率98%

据充电头网获悉,伏达半导体近日发布了旗下首款电荷泵芯片NU2105,成为了业界为数不多的掌握电荷泵快充技术的国内半导体公司。值得一提的是,NU2105芯片面积小,效率高。损耗*面积乘积的FOM指标仅为5.91,处于目前业界的领先水准。

电荷泵是一种无电感式DC-DC转换器,利用电容作为储能元件来进行电压电流的变换。半压电荷泵(2:1 charge pump)可以使输出电压减半、输出电流加倍。转换效率可以达到97%以上,远高于普通的充电IC。如此高效的转化很好地解决了高压快充时充电IC发热的问题。

据了解,伏达NU2105是一款最高效率达98%的电池充电解决方案,该芯片集成的FET经过优化,可实现50%的占空比,从而使电缆电流仅为电池充电电流的一半,大幅减少了充电线缆上的损耗。同时通过高效率实现了对温升的良好控制;相对于低压直充方案,大大降低了线材和接口的成本。

通过效率曲线可以看到,伏达NU2105在2:1工作模式下,其最高效率达98%。即使电流达到了6A,其转换效率依然保持在97%以上。

高效率带来的低升温,满足电荷泵在大电流工作的需求。从温度测试来看,伏达NU2105在2:1电荷泵模式下,两颗芯片并行8A电流充电,最高温度为40.5℃;一颗芯片运行6A电流充电,最高温度约为42.7℃。总体温度较低。

伏达NU2105集成了丰富的可编程保护功能,包括输入过压保护、可调警报的输入过电流保护、带有外部OVP FET的输入过压保护、可调警报的电池过压保护、输出过压保护、可调警报的输入过电流保护、可调警报的IBAT过电流保护、电池温度监控、连接器温度监控等,非常适合应用于手机、平板电脑等数码产品中。

关于伏达半导体 伏达半导体成立于2014年,是一家专注电源管理芯片开发和解决方案的高科技半导体企业。全球设有6个分支,其中3个研发中心分别在中国和美国。作为无线充电行业的领导者,伏达在6年里推出了20多款芯片,其中包括接收芯片、发射端控制芯片、发射端智能全桥芯片、电荷泵芯片等,并且与多家知名消费类电子品牌合作。

伏达通过对系统构架,电路以及器件工艺的全面创新,为各种无线充电应用场景提供系统解决方案,使无线充电成为消费者的新的生活方式。

相关问答

8a芯片和46芯片区别?

8a芯片和46芯片是不同类型的芯片。8a芯片是一种架构为RISC-V的微控制器(MCU)芯片。RISC-V是一种开源的、自由的、可扩展的指令集架构(ISA),它可以被用于设...

请推荐几款隔离型dc-dc降压芯片输出电流8A以上?

隔离型的只能自己设计,TPS40050、TPS40051、TPS40053,输出电压在0~30V可调的,电流10A,功率300W以上。隔离型的只能自己设计,TPS40050、TPS40051、...

斯巴鲁xv8a芯片匹配方法?

斯巴鲁xv8a芯片的匹配方法可以通过以下步骤实现:首先,在钥匙复制机上选择相应的车型和年份,然后将原始钥匙放在读卡器上,读取芯片信息并将其保存。接着,将...

父母使用,只玩微信,看视频,红米9和红米8a哪个性价比好?

你好,红米9于6月30日零点开卖,希望这个回答能及时帮助到你:)先放结论,按照题设,红米9的使用体验会更好,但是红米8a性价比更高。1.先上价格。即将发售的...第...

kds8a晶振是多少频率?

对于KDS8A晶振,频率通常是8MHz。请注意,不同的型号或供应商可能会提供不同频率的晶振选项。因此,最好查阅相关的产品规格表或官方文档以获取确切的频率信...

ipad8a几处理器?

第六代,MPGW2CH/A是苹果公司于2017发布的第六款IPAD。iPad(第六代)屏幕的尺寸是9.7英寸,分辨率是2048×1536,它的屏幕不支持广色域显示(P3)和原彩显示,...第...

a78和a88主板区别?

a78起步比较好。a58可能是sata2或者没有前置u3或者显卡插槽是2.0的并且主板显示接口一般是vga。a68和a58差不多,有部分扩展本质上芯片组没变,不多说了。a78基...

TC芯片是什么?

TC1205为节能型高精度闭环控制两相步进电机驱动芯片,采用QFN34封装,自带微步、脉冲+方向接口和SPI通信接口,电流自适应负载和堵转检测功能,同时可以选择不同M...

红米8a和红米9a和红米9哪个值得买?

红米9值得买。首先红米9和红米9A最大的差别在于处理器,红米9是联发科MTKHelioG80芯片,而9A则是HelioG25处理器,虽然两款处理器的最高主频都为2.0GHZ,但...

什么是ASEMI快恢复二极管SFF806A的正向压降?-山本806-ZOL问答

ASEMI快恢复二极管SFF806A的压降是多少呢?SFF806A参数描述型号:SFF806A封装:ITO-220AC特性:超快恢复二极管电性参数:8A,600V芯片材质:抗冲击...

 郑爽和俞灏明  jason williams 
王经理: 180-0000-0000(微信同号)
10086@qq.com
北京海淀区西三旗街道国际大厦08A座
©2026  上海羊羽卓进出口贸易有限公司  版权所有.All Rights Reserved.  |  程序由Z-BlogPHP强力驱动
网站首页
电话咨询
微信号

QQ

在线咨询真诚为您提供专业解答服务

热线

188-0000-0000
专属服务热线

微信

二维码扫一扫微信交流
顶部