电子展会
HOME
电子展会
正文内容
高精度恒流源芯片 高精度恒流源芯片有什么用
发布时间 : 2026-01-02
作者 : 小编
访问数量 : 23
扫码分享至微信

高精度恒流源芯片有什么用

高精度恒流源芯片是一种关键的电子元件,可以用于各种电子设备中,包括移动电话、平板电脑、电视和汽车等。它的作用是稳定输出恒定的电流,确保电子设备的正常运行。

首先,我们来了解一下什么是恒流源。恒流源是一种电路,它可以在电路中生成稳定的恒定电流,无论负载的变化和其它外界因素的影响。在很多应用中,需要保证电流的稳定性是非常重要的,因为电流的变化可能导致电子设备的故障或者性能下降。

那么,高精度恒流源芯片有什么用呢?首先,它可以提供高精度的恒定电流输出。在某些应用中,比如LED照明、激光驱动和电池充放电控制等,需要非常精确地控制电流大小。高精度恒流源芯片的出现,可以提供更加准确和稳定的电流输出,保证设备的正常工作。

其次,高精度恒流源芯片具有较高的工作效率。通过采用先进的电路设计和材料选择,高精度恒流源芯片可以实现较低的功耗,减少能量的浪费。这对于需要长时间运行的电子设备来说尤为重要,因为它可以延长电池的续航时间,提高设备的使用寿命。

高精度恒流源芯片还具有良好的稳定性和可靠性。它采用了先进的故障保护机制,可以避免电流过载、过热和短路等问题,确保设备的安全运行。这对于电子设备的稳定性和可靠性而言至关重要,特别是在一些严苛的工作环境下。

此外,高精度恒流源芯片还可以提高设备的性能。通过精确地控制电流输出,它可以改善设备的灵敏度和响应速度。这在一些要求高精度控制的应用中特别有用,比如医疗仪器、通信设备和工业自动化控制系统等。

总之,高精度恒流源芯片在现代电子设备中发挥着重要的作用。它能够提供高精度、高效率、稳定可靠的电流输出,改善设备的性能,并保证设备的正常工作。高精度恒流源芯片的应用范围广泛,涵盖了各个领域。我们可以期待,随着科技的不断发展,高精度恒流源芯片将会越来越被广泛应用,并为我们的生活带来更多的便利和创新。

如果您对高精度恒流源芯片有更多的了解或者想了解更多相关信息,欢迎关注我们的账号,点赞支持以获取更多精彩内容。感谢您的阅读!

TM1810芯片:18mA的LED恒流驱动电路方案

LED作为一个发光元器件,工程师在开发一些项目,可以用它来作为各种不同的应用,比如在

LED手电筒项目中,LED是被用来作为发光源处理的;

路上的交通红绿灯项目中,LED是被用来作为信号指示灯处理的;

LCD液晶显示屏项目中,因为液晶屏自身不会发光,所以需要加入LED作为背光源;

LED数码管项目中,LED是被用来作为数字显示的,由8个LED发光二极管组成;

还有LED点阵,可以用来显示各种不同的数字和图形文字。

LED灯

但不管LED如何应用,工程师如果想要获得稳定的发光效果,就需要开发出一套稳定的恒流源电路来驱动它。

这个问题该如何解决呢?

01 TM1810芯片

TM1810芯片,它是一个高度集成的恒流驱动芯片,驱动LED的电流能达到稳定的18mA,精度控制在±3%。

这里,芯片哥有必要解释一下,恒流驱动电路的特点。

恒流驱动电路,顾名思义,就是它的电流不随着外界电压的变化而变化;换句话说,尽管电路中的电压有高有低,有大有小,但流过的电流始终是维持不变的,是保持恒定的,这就是恒流电路。

TM1810芯片

TM1810芯片,它只有3个Pin脚,分别是Pin1是NC,悬空;Pin2是OUT输出引脚,直接驱动LED,是恒流电路的输出端;Pin3是GND引脚,属于地线。

其中芯片的Pin2引脚OUT,它驱动LED,能承受最大的耐压值为24V,最小为2.5V。

这句话什么意思呢?

也就是说,工程师利用TM1810芯片驱动LED,只要电路能控制OUT引脚的电压在2.5V ~ 24V之间,流过LED的电流就是恒定的,18mA。

当然,过高的电压会承担过大的热损耗,由于TM1810芯片,是一个SOT-23封装,是一个小功率的封装。

所以,结合芯片的使用实际,芯片哥建议,OUT引脚的电压控制在2.5V ~12V范围内比较理想,这样芯片不会发烫而出现损坏的风险。

02 TM1810芯片的恒流驱动电路方案

看一个具体的恒流驱动电路,可能对TM1810芯片的功能就理解地更深了。

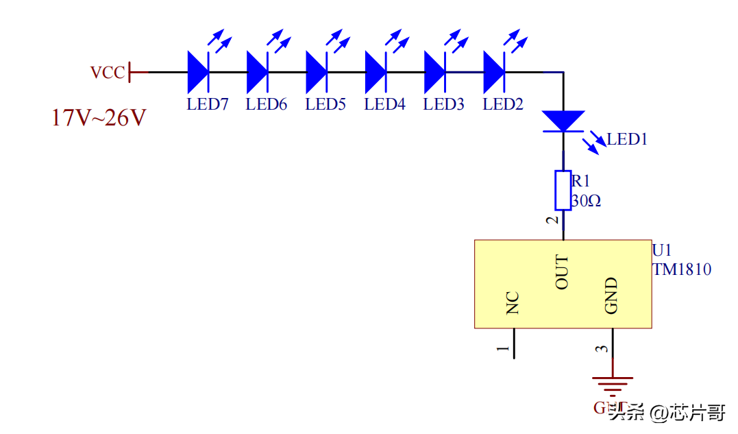
TM1810芯片应用电路

在这个恒流电路中,电源VCC的工作电压是17V~26V,显然它是变化的。

尽管电压是变化的,但通过TM1810驱动芯片,流过7个串联LED灯的电流是不变的,是18mA。

它的计算过程,可以参考

7个LED灯串联,假设每个LED灯在18mA电流的工作条件下,它的压降是2V,那么总计会产生14V的压降,这是其一。

其二是,电阻R1是一个限流电阻,它的阻值大概在30Ω,封装尽可能选择大一点的,便于散热,比如2010,或者2512封装。

在限流电阻两端,产生的压降大概在30Ω * 18mA ,约等于0.5V。

其三,TM1810芯片,OUT引脚能承受的工作电压,芯片哥的建议是2.5V ~12V。

所以三者相加一起,就可以得到工作电源VCC的电压是在17V~26V。只要电源的电压维持在17V~26V之间,流过LED灯的电流就是恒定18mA的。

03 结尾

虽然使用TM1810芯片,可以较为简单地就能开发出一个LED的恒流驱动电路;但它也是存在一些不足的

封装只有SOT-23的小封装,不适合大功率的LED驱动电路;

恒流电路驱动的电流,是一个18mA的固定值,是不能更改调整的,这样就限制了它的项目应用;

当然,好处就是TM1810芯片的外围电路简单,很适合功能较为单一的项目。

请持续关注【芯片哥】,后面会定期更新有关于电子元器件和芯片,包括一些电子产品项目开发案例的相关内容。

相关问答

恒流源芯片有哪些型号,led光源常用的是那种?

1、LED常用的恒流芯片:LM2623,MAX5033,NCP3063,TPS61042,FSDM311,NCP1027,NCP1216。2、恒流源由信号源和电压控制电流源(VCCS)两部分组成。正...

高精度开关电源恒流源类型有哪些?

[回答]恒流源在开关电源的控制芯片中常用到,主要是用来给控制芯片供电或者提供一个基准源。也有用来控制软起动和反馈的。如KA1L0380,KA1L0365,TNY280,UC3...

诸位盆友,在线等!急急急!正规的高精度恒流源产品,高精度恒...

[回答]在额定工作电流范围之内,基准电压源器件的精度(电压值的偏差、漂移、电流调整率等指标参数)要大大优于普通的齐纳稳压二极管或三端稳压器,所以用于...

dp8628恒流源芯片参数?

dp8628恒流源芯片采用的是基于六纳米制程工艺的台积电的技术的高通骁龙870处理器,这款处理器的性能十分强大,并且支持5G全网通功能,另外它采用的是6.7英寸的l...

led恒流源芯片多少钱一片?-一起装修网

[回答]led恒流源芯片价格在80元左右一片,led恒流源芯片相对与第一代的创新是:固定Toff技术。固定开关管的关断时间,就可以允许较大的电感纹波电流,占空...

麻烦在线的看官!你们谁清楚!昆山高精度恒流源产品,高精度恒...

[回答]恒流源在开关电源的控制芯片中常用到,主要是用来给控制芯片供电或者提供一个基准源。也有用来控制软起动和反馈的。如KA1L0380,KA1L0365,TNY280,UC3...

led恒流源电路的组成?

恒流源由信号源和电压控制电流源(VCCS)两部分组成。正弦信号源采用直接数字频率合成(DDS)技术,即以一定频率连续从EPROM中读取正弦采样数据,经D/A转换并滤...

老司机们,能问一下!服务好的脉冲恒流源制作,脉冲恒流源哪...

[回答]遥控汽车原理遥控器主要由形成遥控信号的微处理器芯片、晶体振荡器、放大晶体管、红外发光二极管以及键盘矩阵组成。其工作原理如下微处理器芯片IC1...

安庆led显示屏价格谁知道?-设计本有问必答

据我了解,安庆led显示屏价格一般都是5000元左右的,不会很贵,选购时,要注意以下几点:(1)最大输出电流:目前主流的恒流源LED驱动芯片最大输出电流...

求推荐!杭州正规的精密恒流源,精密恒流源保质期有多久??

恒流源就是一个能输出恒定电流的电源。恒流源的应用领域非常广阔,然而不少应该用恒流源供电的场合,不适当的使用了稳压电源。下面举一些实际例子来...

 何润峰  牛栏山二锅头酒 
王经理: 180-0000-0000(微信同号)
10086@qq.com
北京海淀区西三旗街道国际大厦08A座
©2026  上海羊羽卓进出口贸易有限公司  版权所有.All Rights Reserved.  |  程序由Z-BlogPHP强力驱动
网站首页
电话咨询
微信号

QQ

在线咨询真诚为您提供专业解答服务

热线

188-0000-0000
专属服务热线

微信

二维码扫一扫微信交流
顶部