芯片供应商
HOME
芯片供应商
正文内容
触发芯片 6脚一键开关机芯片 长按10秒开关机IC 触发延时开关芯片方案
发布时间 : 2025-05-05
作者 : 小编
访问数量 : 168
扫码分享至微信

6脚一键开关机芯片 长按10秒开关机IC 触发延时开关芯片方案

EY321-EAE12F长按10秒开关机芯片

一.功能说明

开关控制芯片,工作电压范围:DC 2.2-5.0V,按键轻触开关KEY,控制2路OUTH-OUTL输出,上电OUTH为低电平,OUTL为高电平,长按按键 10 秒后OUTH输出高电平,OUTL输出低电平,再次长按10秒后输出电平翻转(OUTH输出低电平,OUTH输出高电平)。

二.电气参数 (VDD=5.0V TA=25℃)

参数

符号

最小值

典型值

最大值

单位

条件

工作电压

VDD

2.2

3.0

5.0

V

工作电流

IOP

5

uA

VDD=3.0V,输出悬空

静态电流

ISTB

5

uA

VDD=3.0V,输出关闭

驱动电流低电平输出

IOL

14

mA

VDD=3.0V,VOL=0.7V

驱动电流高电平输出

IOH

6

mA

VDD=3.0V,VOH=0.7V

过VDD极限电流

IVDDmax

50

mA

过GND极限电流

IGNDmax

50

mA

工作温度

TA

-10

25

65

储存温度

Tstg

-20

25

125

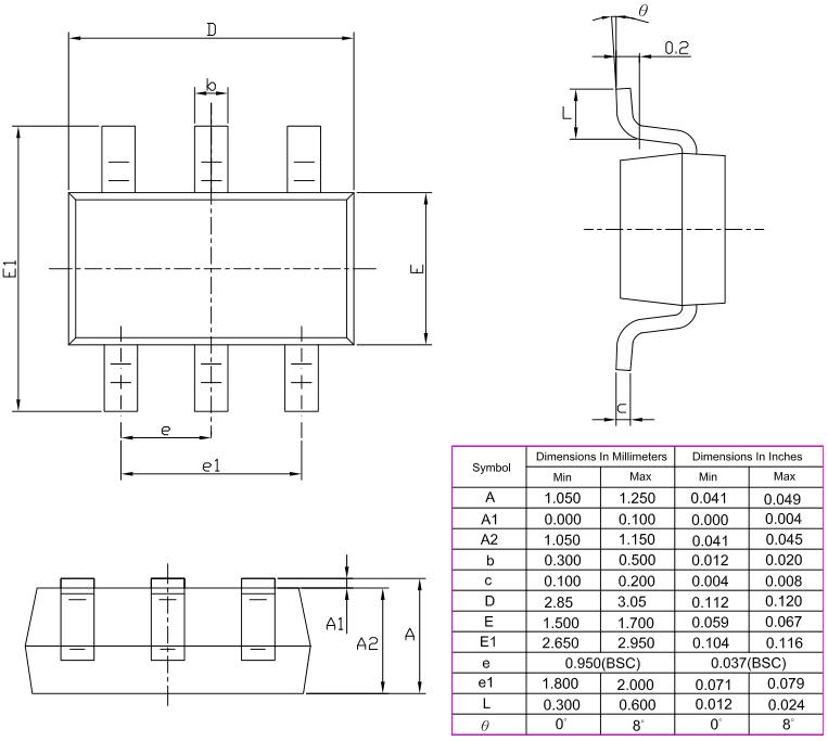
三.封装脚位图(SOT23-6)

长按10秒开关机芯片

管脚号

符号

功能描述

1

OUTH

信号输出,高电平有效

2

GND

IC负极

3

KEY

触发开关

4

OUTL

信号输出,低电平有效

5

VDD

IC正极

6

NC

悬空

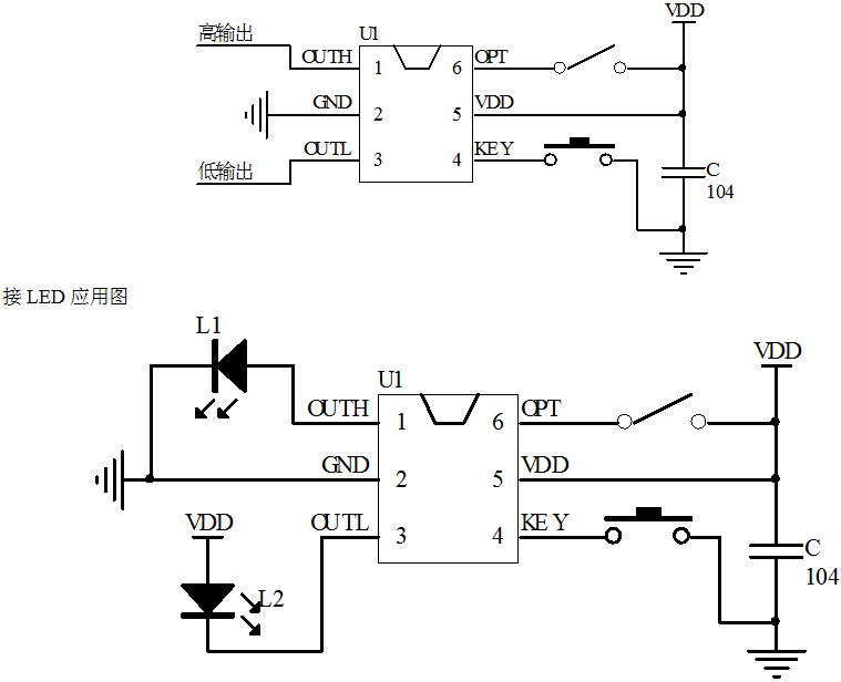
四. 参考电路图

一键开关机IC

*C2电容可根据电源实际需要调整或省略

五.封装尺寸(SOT23-6)

SOT23-6电源开关芯片

六.版本说明

版本

日期

描述

EY321-EAE12F

2023/10/20

V01F版本

10秒延时开关IC

长按15秒开关机芯片 sot23-6一键开关机IC 按键触发开关芯片

1489-EBD7长按1.5秒开关机芯片

一. 功能说明

供电方式:DC3.7V充电锂电池。两路输入控制,两路输出:1路高电平、1路低电平(2路同步输出)。

上电不工作,长按KEY1按键1.5秒开机,OUTH输出高电平、OUTL输出低电平。再长按 1.5 秒关机,OUTH翻转为低电平、OUTL翻转为高电平。

OPT :检测到高电平输入时,OUTH输出高电平、OUTL输出低电平,OPT一直检测到高,OUTH一直保持高电平输出;OUTL一直保持低电平输出,直到OPT高信号消失。

注意:OPT检测到高电平时,KEY触发开关无效。

二. 电气参数 (VDD=3.0V TA=25℃)

参数

符号

最小值

典型值

最大值

单位

条件

工作电压

VDD

2.4

3.0

5.0

V

工作电流

IOP

3

mA

静态电流

ISTB

10

uA

驱动电流

Iol

30

mA

工作温度

TA

-10

25

70

储存温度

Tstg

-20

25

100

三. 封装脚位图(SOT23-6)

长按1.5秒开关机芯片

管脚号

符号

功能描述

1

OUTH

高电平输出

2

GND

电源负

3

OUTL

低电平输出

4

KEY

触发开关

5

VDD

电源正

6

OPT

信号检测

四. 电路图参考

触发按键开关IC

五. 封装尺寸图(SOT23-6)

长按延时开关机芯片

六. 版本说明

版本

日期

描述

1489-EBD7

2021/3/27

V01初版

单键长按开关机芯片

相关问答

芯片内部开关是如何自己触发的?

以只有两个数字0和1.但为什么主流会使用0和1呢?因为0和1刚好可以代表电路上的高低电平(也就是高低电压),高低电压都有一个范围!也就是说电路上的电压在某个...

555芯片构成风铃的原理?

集成电路的②脚,使电路翻...555时基集成电路工作在单稳状态,平时③脚和⑦脚均为低电平.当用手触摸一下金属感应片M时,人体的感应信号通过0.1μF电容加至555时基...

jk触发器芯片功能介绍?

JK触发器具有置位、复位、保持(记忆)和计数功能。JK触发器属于脉冲触发方式,触发翻转只在时钟脉冲的负跳变沿发生;由于接收输入信号的工作在CP下降沿前完成...

8259a芯片有哪几种中断触发方式?

NMI(非屏蔽中断)和INTA(可屏蔽中断)两种中断方式。NMI触发是必须立即响应的中断,紧急情况的中断,其不受中断屏蔽位的影响。INTA是外设请求的中断,可以根...

555产生时钟脉冲原理?

555定时器在三种不同工作模式下的工作原理不同:1、单稳态模式在单稳态工作模式下,555定时器作为单次触发脉冲发生器工作。当触发输入电压降至VCC的1/3时开始...

外部中断0和外部中断1的触发方式?

国内外生产的51单片机,在外部中断0/外部中断1触发方式上略有不同。以ATMEL和飞利浦为代表的51单片机采用了边沿触发和电平触发方式,例如AT89C系列,外部中断既...

可控硅触发板脉冲点数是什么意思?

1、可控硅触发板脉冲点数的意思是:电磁线圈驱动中采用的大功率开关有三电极间隙开关、真空触发开关和半导体可控硅开关。2、脉冲,科技名词,主要指一个物理量...

共享单车锁原理?

市场上常见的共享单车锁大概有3种。1、物联网性质的智能锁由中心控制单元通过无线移动通信模块与后台管理系统进行连接,把从GPS模块获取的位置信息发送给后...

点火信号发生器_电子点火系统-汽车维修技术网

[回答]点火信号发生器在电子点火系统中点火信号发生器取代了传统点火系统断电器中的凸轮,用来判定活塞在气缸中所处的位置,并将非电量的活塞位置信号转变...

74hc113是什么芯片?

74HC113是数字电路中一种常用的芯片。1.74HC113是一种常用的数字逻辑集成电路,可用于实现各种数字电路。2.它的功能强大,性能稳定,成本适中,所以在数字电...

王经理: 180-0000-0000(微信同号)
10086@qq.com
北京海淀区西三旗街道国际大厦08A座
©2026  上海羊羽卓进出口贸易有限公司  版权所有.All Rights Reserved.  |  程序由Z-BlogPHP强力驱动
网站首页
电话咨询
微信号

QQ

在线咨询真诚为您提供专业解答服务

热线

188-0000-0000
专属服务热线

微信

二维码扫一扫微信交流
顶部