芯片供应商
HOME
芯片供应商
正文内容
dmx512芯片 DMX512AW芯片:适合DMX512通信协议的LED驱动电路方案
发布时间 : 2026-02-14
作者 : 小编
访问数量 : 23
扫码分享至微信

DMX512AW芯片:适合DMX512通信协议的LED驱动电路方案

在LED驱动行业,有一种控制协议,用得比较多,它经常被工程师用来控制多个LED灯,比如LED舞台灯,LED装饰灯等等。

这种控制协议是什么呢?

答案是DMX512通信协议,它不同于工程师熟悉的IIC通信协议,SPI通信协议,CAN通信协议,可以应用到不同的行业项目。但DMX512通信协议,它只是应用在LED驱动行业用的比较多。

这里面可能会涉及到两个问题。

其一,DMX512通信协议到底是一个什么样的协议?这个问题,比较容易理解。工程师在开发LED相关项目,如果DMX512通信协议是个什么东西都不清楚,软件的代码程序怎么去做呢?对吧

其二,是否带有DMX512通信协议的LED驱动功能方案?既然在LED驱动行业有使用到DMX512通信协议,如果在开发LED驱动电路方案的时候,电路自身就携带DMX512通信协议,是不是一个电路就解决了两个问题呢?

01 DMX512AW芯片

DMX512AW芯片,它是一个能同时控制RGB三色LED灯的驱动芯片,并且还是恒流驱动,驱动的电流是可以自由设置的,范围在18mA ~ 60mA。

就单单这个功能,经常看芯片哥写的内容都知道,之前已经介绍过好几次类似的芯片方案了。如果再是这样,意义就不是很大了。

DMX512AW芯片

重点是,DMX512AW芯片,它能驱动RGB三色LED,还能具有支持DMX512通信协议功能。也就是说只要是带有DMX512通信协议的其他LED电路,都可以直接把DMX512AW芯片的LED电路串联进去。

DMX512AW芯片内部电路

其中,DAI引脚是DMX512通信的输入引脚,DAO引脚是DMX512通信的输出引脚。工程师就是通过这DAI引脚或者DAO引脚控制RGB三色LED灯的。

既可以控制颜色,也可以控制亮度。

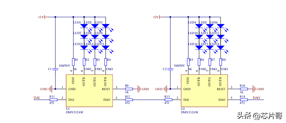
02 DMX512AW芯片驱动LED电路

在DMX512AW芯片驱动LED电路,OUTR引脚、OUTG引脚与OUTB引脚分别通过一个限流电阻驱动LED灯。

DMX512AW芯片驱动LED级联电路

其中,LED灯的恒定电流,是由芯片的REXT引脚下拉的电阻R9和R10决定的。具体的关系可以参考

I = 18 +30000* VREXT / REXT,VREXT = 1.2V

比如R9和R10电阻阻值为1K,代入进去可以计算出电流为54mA。如果芯片的REXT引脚是悬空呢,还是一样,就相当于REXT的阻值为无穷大,电流基本就为18mA了。

输入的电源电压12V,经过一个限流电阻R1和R5,输入到芯片的VDD引脚提供稳定的电源5V。

为什么变为5V了,是因为它的内部有一个钳位电路,把12V转换成了5V。

这样芯片的DAI引脚和DAO引脚,它的控制信号逻辑电平就可以为5V了。至于其他的一些参数,小伙伴们可以重新浏览芯片哥之前的关于LED驱动文章,那里面已经介绍的比较详细了,就不再重复了。

03 DMX512通信协议

重点介绍一下DMX512通信协议内容。了解清楚它的协议,工程师才能开发出适合它逻辑控制的软件代码啊,才能开发出项目,才能解决实际的问题,才有意义。

如果工程师熟悉IIC通信协议或者SPI通信协议,就会发现,DMX512通信协议与这些协议都是大同小异的。

就开发实现起来而言,它们是一个数量级的难易程度,都是由一组数据包格式组成的。比如IIC通信协议,它的一个标准数据包就涵盖了

起始位、地址位、控制位、数据位、应答位、停止位等等。

与之类似,DMX512通信协议也是一连串的数据位组成的

DMX512通信协议数据包格式

工程师按照它的协议,也就是对数据包的功能定义格式,通过单片机的串口逐一地发送就可以了。比如DMX512通信协议,它就规定了

起始位、停止位、间隔位、信号数据位、复位位等等,以及每位的脉冲宽度时间要求。

在开发遇到DMX512通信协议,工程师可以直接参考和借鉴IIC通信协议即可。

请持续关注【芯片哥 】,后面会定期更新有关于电子元器件和芯片,包括电子产品项目开发案例的相关内容。

爱克股份取得一种基于 DMX512 控制的超远距离级联灯带专利,简化了布线施工环境的施工难度,减少了施工成本

金融界 2024 年 7 月 19 日消息,天眼查知识产权信息显示,深圳爱克莱特科技股份有限公司取得一项名为“一种基于 DMX512 控制的超远距离级联灯带“,授权公告号 CN221381218U,申请日期为 2023 年 12 月。

专利摘要显示,本申请涉及灯带领域,尤其涉及一种基于 DMX512 控制的超远距离级联灯带,包括 DMX512 控制电路模块、驱动电路模块、稳压电路模块,所述驱动电路模块包括若干个 LED 灯,若干个所述LED 灯形成 LED 灯串联电路,所述 DMX512 控制电路模块包括 DMX512 控制芯片,所述 DMX512 控制芯片分别与所述驱动电路模块和所述稳压电路模块连接,所述稳压电路模块用于为所述 DMX512 控制芯片供电,所述 DMX512 控制芯片用于输出 PWM 信号并控制所述驱动电路模块实现恒流驱动。

本文源自金融界

相关问答

幻彩DMX灯条环境好吗?DMX512幻彩灯条,RGB和RGBW使用的全彩...

之前考查过阶新科技发现这公司制度完整规范,公司员工自觉遵守,员工面貌新颖,穿着整齐干净,工作努力、积极主动。这是一个成熟企业应有的基本.以前...

户外亮化DMX512线条灯安装需要如何选材?

品质包括:1.DMX512控制系统,目前国内大部分用3针的XLR接口,国外的大部分用5针XLR接口,XLR接口对信号传输有着至关重要的...DMX512线条灯选购主要以品质为原则,品...

明瑞LED控制系统怎么用?

研发团队在图形图像软件、多种单片机与ARM处理器、大型可编辑逻辑器件具备突出能力,并成功研制多系列软硬件产品,投入市场后得到业内众多知名企业的肯定...明...

高分悬赏灯具5芯电线中的黄色线接DMX512信号解码驱动器输...

[最佳回答]corewiresasofthelampisconnectedtothepositiveelectrodeoftheoutputterminaloftheDMX5....

512DMX灯光控制器的具体使用说明,包括如何编程?

三通道,单像素RGB变色写码:MODE(切换界面)、CFM写码键、+、-CH-X(几通道)//3通道CH-3切换到地址设置d:xxx(xxx代表数字)设置好后按切换键到5:00x写....

DMX512放大器l连接方法?

加在每个回路的最后一个灯的输出端口。方法:将120欧姆1瓦电阻,焊接在卡侬头的二三脚,确保无虚焊,无短路,带好外帽后插入在每个回路最后一台灯具的信号输出口...

dmx通讯是什么?

数字多路复用(DMX)通道是通过一条通信线路来控制各种设备的单独数据流。它们以用于照明控制而闻名,特别是在DMX512协议中;'512'表示可用的通道数。尽管512通...

512控台可以控制几个灯?

512控台可以控制多达512个不同的灯光设备。这是因为512控台使用DMX512协议来进行数据传输,该协议可以支持512个通道进行控制。每个通道可以控制一个灯光设备的...

dmx512信号线是什么线?

DMX512信号电缆采用高纯度无氧铜细铜线复合绞制而成,柔软性好、信号传输抗干扰能力强,符合DMX512协议,用于舞台灯光控制台,调光器、电脑灯、换色器、LED灯,L...

洗墙灯段、通道、位、像素分别什么意思?dmx512控制器能带多少灯具如何计算,由什么来决定?求详解?

dmx512包含512个通道一个像素RGB占3个通道,所以一路DMX能带512/3大约170个像素。dmx512包含512个通道一个像素RGB占3个通道,所以一路DMX能带512/3大约17...

 无翼乌全彩之少女漫画大全  加蓬总统 
王经理: 180-0000-0000(微信同号)
10086@qq.com
北京海淀区西三旗街道国际大厦08A座
©2026  上海羊羽卓进出口贸易有限公司  版权所有.All Rights Reserved.  |  程序由Z-BlogPHP强力驱动
网站首页
电话咨询
微信号

QQ

在线咨询真诚为您提供专业解答服务

热线

188-0000-0000
专属服务热线

微信

二维码扫一扫微信交流
顶部