芯片供应商
HOME
芯片供应商
正文内容
降压芯片选型 降压电源芯片选择——DCDC还是LDO?
发布时间 : 2025-05-07
作者 : 小编
访问数量 : 164
扫码分享至微信

降压电源芯片选择——DCDC还是LDO?

LDO是low dropout regulator为低压差线性稳压器,仅能使用在降压应用中,输出电压必须小于输入电压。

低压差线性稳压器(LDO)的基本电路如下图所示,由调整管Q1、反馈电阻R1和R2、比较放大器、内部基准电路组成。

当Uin电压接入,Q1打开,内部基准电压连接比较放弃,Vout电压经反馈电阻(R1、R2),将输出电压反馈到放大器与内部基准电压进行比较,通过反馈电压与内部基准电压的差值经放大器放大后控制Q1的压降,得到稳定输出电压。

LDO应用主要关注参数

1.输出电压;

2.输出电流;

3.输入输出电压差:保证输出电压稳定的条件下输入与输出的最小电压差;

4.静态电流:无负载的条件下,输入电源提供的稳压器工作电流;

5.负载调整率:负载变化输出电压变化比例,负载调整率越小,抑制负载干扰的能力越强;

6.线性调整率:LDO的线性调整率越小,输入电压变化对输出电压影响越小,性能越好;

7.电源抑制比(PSSR):对输入干扰(纹波)的抑制能力,数值越大性能越好。

DCDC的意思是直流转直流(不同直流电源值的转换),只要符合这个定义都可以叫DCDC,包括LDO。一般的说法是把直流转直流由开关方式实现的器件叫DCDC。

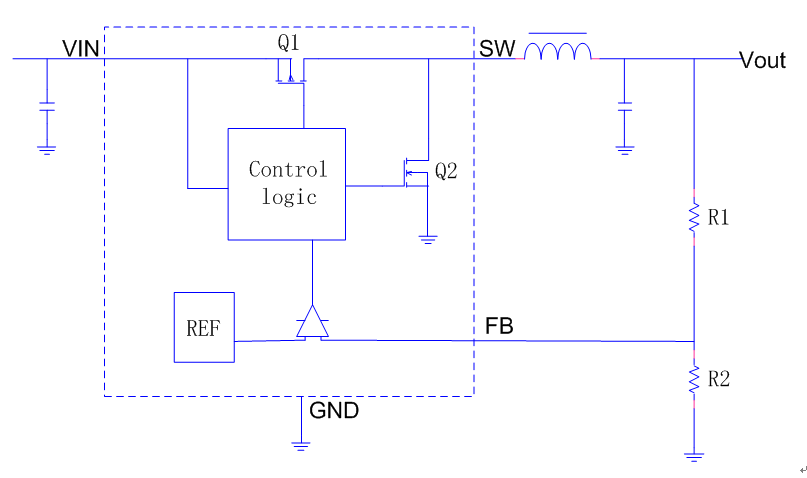
DC-DC(Buck)的基本电路如下图所示,电路由开关管Q1、Q2,电感、反馈电阻R1和R2、比较器、内部基准电路、控制电路组成;控制电路产生PWM信号控制Q1、Q2,通过电感蓄能的特性,Q1打开给电感充电同时给负载提供电流;Q1关断Q2打开,由电感给负载提供电流,通过反馈电阻R1、R2将输出电压反馈与内部基准电压比较,通过调整PWM占空比得到稳定的输出电压。

DCDC应用主要关注参数

1、输入电压范围;

2、输出电压范围;

3、输出电流;

4、输出电压纹波:由于DC-DC是根据电感的高速充放电原理进行电压的调节,输出电压纹波远远大于LDO,外部需要增加电感和电容进行滤波,使输出电压和电流趋于平稳;

5、效率:DC-DC的输入电流不连续,输出电流连续,损耗在芯片内部电路、电感、外部走线等,效率远高于LDO;

6、开关频率:开关频率决定了外部电感的选型,频率越高电感量可以选择相对较小值;频率越高输出纹波相对较小;频率高相对容易引起EMI问题,应用时需要注意。

LDO与DCDC优劣比较:

LDO与DC-DC的本质区别在于,LDO内部晶体管工作在线性区(放大状态),DC-DC内部晶体管工作在饱和区(开关状态)。

LDO: 优点:稳压性好,负载波动较大情况下也能保证输出电压稳定,输出纹波小,外围电路简单。

缺点:输入输出压差越大效率越低,负载不能太大。

DC-DC: 优点:效率高,输入电压范围较宽,负载能力大。

缺点:负载响应比LDO差,输出纹波比LDO大。

LDO与DC-DC的选择: 取决于应用场合,主要通过以下参数确定:

1. 输入与输出的电压差、输出电流、输出纹波、效率、温度、环境温度,输出纹波有特别要求的电路选用LDO;

2. 要求高效率的应用中选用DC-DC;

3. 温度有要求的应用中选用DC-DC;

4. LDO的选择还需要结合输入输出压差、输出电流、结温参数综合确定;

该内容是小编转载自网络,仅供学习交流使用,如有侵权,请联系删除。如果你还想了解更多关于电子元器件的相关知识及电子元器件行业实时市场信息,敬请关注微信公众号 【上海衡丽贸易有限公司】

MCU单片机选型,电子工程师很容易犯的错!芯片哥教你如何避免

日常看到的电子产品中,几乎里面都有一个或多个MCU单片机,如家用的冰箱,电磁炉等;面对国内外如此多的MCU单片机品牌,电子工程师如何找到能匹配自己需求的品牌与型号呢?按照以往的经历,大部分电子工程师都是询问元器件代理商或者在网上找资料,但是元器件代理商毕竟只是代理一个或者几个品牌,不能包含全部MCU的品牌;网上找资料,也是类似,这就是在找新的型号很容易犯的错;如果芯片哥和各位小伙伴分享汇集一下各品牌,方便电子工程师快速找到心仪的MCU品牌与型号,是不是就有效的避免这个问题了;

MCU单片机品牌汇总:

1,国产品牌:宏晶STC,上海晟矽微,赛元微,深圳中微,上海灵动微,深圳博巨兴,屹晶微,上海复旦微,上海贝岭,杭州士兰微,华润微,深圳中广芯源,上海昂宝,北京兆易创新,上海钜泉,上海新茂,北京晓程,北京芯盈速腾,上海东软载波,上海山景,深圳汇春,苏州聚元微,深圳辉芒微,南京微盟,无锡力芯微,苏州华芯微,西安后羿,华大半导体,广东华冠,深圳锦锐,深圳富满,深圳德普微,深圳强国,杭州正芯微,深圳中微,上海芯旺,苏州锐控微,卓荣,上海高通,深圳航顺,深圳微驰恒通,成都华微,深圳矽海,深圳锐能微,深圳芯海,深圳驰芯微,深圳爱思科,上海芯圣,富享微,深圳菉华,深圳亿矽特,福州福大海矽微,深圳峰岹,乾野微纳等等;

2,港台品牌:新茂,中颖,远翔,义隆,新唐,九齐,应广,迅杰,瑞昱Realtek,合泰,笙泉,联杰,世纪民生,智成,十速,松翰,通泰,精拓,太欣,佑华微,伟诠等等;

3,欧美品牌:ST意法,英飞凌,赛普拉斯,安森美,Microchip微芯,NXP,TI,美信,艾塞斯IXYS,英特矽尔,ADI亚德诺,爱普生,技领,Marvell美满,芯科Silicon等等;

4,日韩品牌:松下,Abov现代,蓝碧石LAPIS,瑞萨,东芝,三垦等等;

有了以上芯片哥总结的MCU单片机品牌汇总,工程师们是不是方便了很多自己的选型,以后就不会在设计新项目开发的时候为选合适的单片机而犯愁了,和芯片哥一起加油吧!

相关问答

自耦降压启动器选型问题-盖德问答-化工人互助问答社区

看说明书上相关内容吧稍微大点好

开关电源芯片选型怎么选择?_土巴兔装修问答

LDO线性降压芯片:原理相当于一个电阻分压来实现降压,能量损耗大,降下的电压转化成了热量,降压的压差和负载电流越大,芯片发热越明显。这类芯片的封...

自耦降压启动接触器选型?

关于这个问题,自耦降压启动接触器的选型应该根据所需的电压和电流来确定。以下是一些选型的要点:1.电压等级:自耦降压启动接触器应该与所需的电压等级匹配。...

电机星三角启动断路器选型?

电机星三角启动,选择断路器的原则是,启动接触器必须选择额定电流的两倍,运行断路器选择额定电流的两点五倍。因为星三角在启动瞬间的电流是额定电流的三倍以上...

自耦变压器怎么选?

明确用途,变压器是用来升压的还是降压的,根据用途,变压器可以分为很多种。用的电源的相数是多少,单相的还是三相的。根据使用的环境选择变压器的冷却方式。根...

星三角启动开关怎么选?

星三角降压启动时,启动电流远比满压时启动电流小,理论上讲是降压启时的三分之一,大约是额定电流的2倍左右。所以电路中三个接触器额定电流规格可以小于满压启...

30万吨合甲醇成塔德选型-盖德问答-化工人互助问答社区

30万吨的合成甲醇,用国内的完全够用了,就用管壳式的的就行,一个是设备国内制造,周期会短点,一个是对操作人员要求不是太高,操作起来很容易的。再...

电机马达如何选择?

1、选型基本原则:市场上电机保护产品未有统一标准,型号规格五花八门。制造厂商为了满足用户不同的使用需求派生出很多的系列产品,种类繁多,给广大用户选型带...

45kw星三角启动柜配多大接触器?

45KW电机正常运行电流是45*2=90A,100的接触器够用,用大点接触器寿命更长点,启动电流是90/3*2大概60A左右所以星交流选60A左右的。电机的星三角启动的原理...

变压器选型的依据?

变压器选型依据:1、变压器容量一般按变电所建成后5-10年的规划负荷选择,并适当考虑到远期10-20年的负荷发展。对于城郊变电所,主变压器容量应与城市规划相结...

王经理: 180-0000-0000(微信同号)
10086@qq.com
北京海淀区西三旗街道国际大厦08A座
©2026  上海羊羽卓进出口贸易有限公司  版权所有.All Rights Reserved.  |  程序由Z-BlogPHP强力驱动
网站首页
电话咨询
微信号

QQ

在线咨询真诚为您提供专业解答服务

热线

188-0000-0000
专属服务热线

微信

二维码扫一扫微信交流
顶部