技术资料
HOME
技术资料
正文内容
7555芯片 555定时器引脚图及功能表
发布时间 : 2025-05-06
作者 : 小编
访问数量 : 388
扫码分享至微信

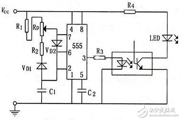
555定时器引脚图及功能表

555定时器是一种模拟和数字功能相结合的中规模集成器件,用双极型(TTL)工艺制作的称为 555,用互补金属氧化物(CMOS )工艺制作的称为 7555。555定时器能够产生的波形在一些家电、控制器、电子玩具等有一些应用。本文介绍555定时器的引脚图以及功能。

555定时器引脚图

555定时器引脚图及引脚描述:555定时器中有八个脚,每个脚的电压输入端都是不一样的,要用UCC来表示,今天就从这八个脚来了解一下555定时器引脚图吧。

1脚是接地的,2脚是作为触发的输入端口,3脚是作为输出的端口,能够在输出的状态能够得以控制,3脚的输出感受器上接到信号后,会使6脚和2脚得以控制。当2脚的触发器感受到高于A1的输入,就会归置到复位的状态。其中这八个脚中,2脚和6脚是作为互补脚,2脚对低于电压具有平起的作用,对高雅没有任何的作用,在这个时候,3脚是处于高压的电平状态;6脚是一个阈值端口,对高压平起有作用,在低压平起状态完全不起任何作用。3脚的电压很是接近电源的电压,它的输出最大的电流能够达到200mA。

4脚是复位端口,不得低于零点四伏特,2脚和6脚在任何状态都会使3脚的输出会是低电平的状态。5脚是整个定时器的控制端口,7脚是定时器的放电的端口,和3脚是处于同步的状态,特别是它们所输出的电平是一样的,但是它们之间还是有不同的,那就是7脚是没有输出的电流,因此,3脚被我们规定成为是实高(低),而7脚被我们规定成为虚高(低)。

555定时器的功能表

将高触发端TH和低触发端TR连接在一起,上述的555功能表变为如下功能表。

555定时器引脚图就是一种集成电路,对555定时器的应用很是广泛:

1、555定时器应用到构成的施密特触发器上,特别是在TTL的系统接口上得以广泛应用,还有就是在整形的电路中被应用。

2、555定时器应用到构成谐振荡器,能够与组合信号结合,形成电路。

3、555定时器应用到构成的单稳态的触发器上,在一定程度上能够延时一些定时的开关等。

文章素材来自互联网​​​​​​

千元机怎么选?骁龙8Gen2三芯片3840Hz护眼屏,跌至1898元

荣耀90GT核心亮点之一是它处理器——骁龙8Gen2,这款处理器以其强大性能闻名,为用户提供流畅无比操作体验,无论是日常社交媒体浏览,还是高负载游戏运行,荣耀90GT都能轻松应对

除强悍处理器,荣耀90GT还装备先进射频增强芯片和超帧独显芯片,这些都大大增强手机信号接收能力和图像处理能力,无论你何种环境下使用手机,都能享受到稳定流畅通信和视觉体验

荣耀90GT另一大卖点是其绿洲护眼屏,这块3840Hz高频PWM护眼屏亮度调节上极为精细,有效减少屏幕闪烁,保护用户视力,配合360°自适应调光功能,无论何种光照环境下,荣耀90GT都能自动调节到最适合眼睛亮度,大大减轻长时间使用手机对眼睛负担

荣耀90GT还支持120Hz高刷新率,这让屏幕滑动、动画过渡等操作异常顺滑,极大地提升用户操作体验,这样屏幕配置,无疑是追求高品质视觉体验用户福音

谈到续航能力,荣耀90GT同样不会让用户失望,它内置一块5000mAh大电池,即使是重度使用,也能轻松度过一整天,更令人兴奋是,荣耀90GT支持100W超级快充技术,短短几十分钟就能充满电,大大减少用户等待时间

摄像头配置上,荣耀90GT也表现出色,它搭载索尼IMX906传感器5000万像素主摄,无论是白天还是夜晚,都能捕捉到细腻画面,加上OIS光学防抖技术,即使动态拍摄中也能保持图像清晰稳定

为保证长时间运行大型应用时流畅体验,荣耀90GT还配备3D冰封冷驱散热系统,这套系统有效降低设备运行时温度,确保持续高性能输出,让用户使用过程中不会感到手机过热

荣耀90GT设计同样值得一提,它机身轻薄,重量只有185克,厚度仅为7.9毫米,握持感极佳,这种设计不仅美观,也使得长时间握持手机时更为舒适

荣耀90GT性价比极高,它12GB+256GB版本价格仅为1898元,这对于一款拥有如此多高端配置手机来说,无疑是非常具有吸引力,同价位手机中,荣耀90GT无疑是性能和配置佼佼者

荣耀90GT是一款集高性能、优质屏幕、强大续航和精美设计于一体智能手机,无论是游戏爱好者、视频追剧党还是日常高效办公用户,荣耀90GT都能满足你需求,不仅满足用户对高性能智能手机需求,也推动千元机市场竞争,使得更多用户能以更低价格享受到高质量产品体验,欢迎大家评论区分享你们对荣耀90GT看法和体验

荣耀90GT吸引力不仅仅于其硬件配置,软件优化也是其成功关键因素之一,该设备运行基于AndroidMagic UI系统,该系统以其流畅性和定制性而受到用户好评,系统优化确保硬件能够发挥最大效能,同时也提供丰富用户定制选项,包括主题、图标和手势操作等,使得每位用户都能根据自己偏好来调整手机使用体验

荣耀90GT用户安全方面也表现出色,它配备最新生物识别技术,包括面部识别和屏幕下指纹解锁,这些功能不仅提高设备安全性,也极大地增强用户便利性,无论是光线不足环境下还是日常快速解锁中,这些生物识别技术都能提供快速而准确响应

通信技术方面,荣耀90GT支持5G网络,这意味着用户可以享受到超高速下载和上传速度,无论是线游戏、高清视频通话还是大文件传输,都能体验到前所未有速度,5G网络支持,确保荣耀90GT未来几年内仍将是一款竞争力强设备

荣耀90GT还特别注意用户听觉体验,它配备高质量立体声扬声器,无论是观看电影、播放音乐还是进行视频通话,都能提供清晰丰富音质,通过与知名音频技术公司合作,荣耀90GT优化其音频系统,提供多种预设音效模式,满足不同用户听音习惯和偏好

对于那些喜欢旅行和摄影用户,荣耀90GT相机系统提供多种创新拍照模式,如夜景模式、超广角模式和高动态范围模式等,这些模式利用先进算法和AI技术,即使复杂光线条件下也能捕捉到美丽照片,相机快速启动和响应功能,确保不错过任何精彩瞬间

荣耀90GT也非常注重用户隐私保护,它提供全面隐私设置,包括应用权限管理、文件加密和安全支付等功能,这些功能让用户享受便利智能手机体验同时,也能确保个人信息安全

荣耀90GT设计同样体现对细节关注,它采用优质材料和精致工艺,不仅外观时尚,手感也非常舒适,手机背面采用特殊防指纹涂层,减少使用过程中污渍和划痕,保持设备美观

荣耀90GT推出时间和定价策略也是其成功关键,通过精确市场分析和用户需求调研,荣耀90GT推出恰到好处地满足市场需求,而其亲民价格,更是让这款高性能智能手机成为千元机市场中明星产品

相关问答

7555是什么芯片?

555是定时器,7555是Harris公司生产的555定时器555是定时器,7555是Harris公司生产的555定时器555是定时器,7555是Harris公司生产的555定时器

555芯片资料-ZOL问答

谁有555芯片资料要全面点的哈最好有555时基电路作多谐振荡器的应用。和555芯片的工作原理及介绍等等用来写毕业论文的拜托各位大虾了我找了很久都没找...

555定时电路及应用小结?

555定时器是一种模拟和数字功能相结合的中规模集成器件。555定时器的电源电压范围宽,可在4.5V~16V工作,7555可在3~18V工作,输出驱动电流约为200mA,因...

555定时器音响报警电路工作原理?

555定时器是一种模拟和数字功能相结合的中规模集成器件。一般用双极型(TTL)工艺制作的称为555,用互补金属氧化物(CMOS)工艺制作的称为7555,除单定时器...

怎么将汇编程序烧进stc系列的单片机-ZOL问答

号称对标英伟达、曾市值300亿的芯片“ST神话”,为何会退市7713浏览7回答STM镜头和USM有什么区别?20.4万浏览6回答扩展阅读vivoY300Pro性能测试:保证...

iQOONeo3、荣耀30和华为nova7哪个更好?-ZOL问答

7人讨论7555次围观关注问题写回答讨论回答(7)aaa2328541华为nova75G手机...2、性能方面:iQooNeo3有2020上半年安卓阵营最快的处理器芯片-骁龙865,...

王经理: 180-0000-0000(微信同号)
10086@qq.com
北京海淀区西三旗街道国际大厦08A座
©2026  上海羊羽卓进出口贸易有限公司  版权所有.All Rights Reserved.  |  程序由Z-BlogPHP强力驱动
网站首页
电话咨询
微信号

QQ

在线咨询真诚为您提供专业解答服务

热线

188-0000-0000
专属服务热线

微信

二维码扫一扫微信交流
顶部