芯片元器件
HOME
芯片元器件
正文内容
苹果u2芯片 [手机维修自学教程]苹果手机中的USB控制芯片 U2芯片故障维修分析
发布时间 : 2026-02-26
作者 : 小编
访问数量 : 23
扫码分享至微信

[手机维修自学教程]苹果手机中的USB控制芯片 U2芯片故障维修分析

今天是正月初三

传说:正月初三称为小年朝,也称为赤狗日。传说中赤狗是熛怒之神,遇到他的人一定会不吉利,故初三为凶日,不宜外出。据说在初三跟谁拜年,就会跟谁吵架,因而不拜年;另外赤字有赤贫的意思,所以中国民间也不在这天宴客,会冲犯赤狗,带来贫穷。

今天跟大家聊聊苹果手机中的USB管理芯片,好多朋友叫U2。USB管理芯片是USB数据传输和充电都需要的一个很重要的芯片,几个电子开关被集成在里面,此芯片出现故障可能会出现漏电、不联机、不充电、蓝屏故障、重启故障等。

如何判断此芯片出现故障呢?

我们谈谈维修技巧。从芯片的工作条件入手进行分析。(以苹果6为例分析)

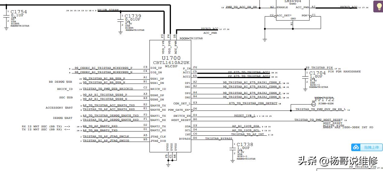
在苹果6手机中,此芯片序号为U1700,型号为:CBTL1610A2UK。

1、自身供电

此机器有三组供电,D5脚为PP3V3_ACC;F3脚为PP1V8_SDRAM;F4脚为PP3V0_TRISTAR。

这三个电压可以分别在C1299;C1739;C1754、C1700。非地端测到相应电压。

2、复位信号

U1700的E4脚为复位信号,可以测到1.8V,此信号来自CPU U1202的R4脚,如果此电压没有,可以从别处飞线过来。比如显示电源U1502的C2脚。

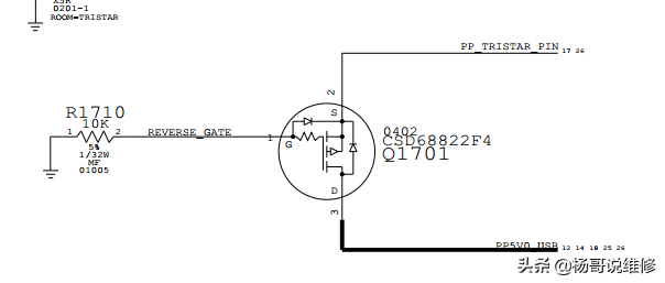
3、不充电时,重点关注一下U1700的F6脚,充电检测电路。到Q1701的2脚是否断线。

如果没有断线,重点检测Q1701的工作条件。

4、过压保护

U1700的D6脚TRISTAR_TO_PMU_OVP_SW_EN_L为过压保护信号,如果此路测不到1.8V供电,就会出现不充电、充不进去电,现象。

5、附件检测,有三路,分别是C5、E5、E3脚,数据线、或者外接耳机等信号输入,却测不到检测电压,就会造成相应故障。这三个电压大体在4.3V左右。

大家在看图纸时,可以根据英文翻译,就可以大体知道哪些脚位与出现的故障有关系,那么就重点针对这些脚位进行测试分析。

与你一起终身学习,这里是杨哥说维修。欢迎大家关注我们,一起交流分享。

大鱼半导体发布 U2 音频芯片:支持蓝牙 52,功耗为友商的 23

IT之家 6 月 12 日消息 我国厂商大鱼半导体在 6 月 11 日举办的世界半导体大会上,发布了其首款音频类芯片 ——U2 蓝牙 5.2 智能音频 SoC。这款产品可用于 TWS 真无线蓝牙耳机,最新的蓝牙 5.2 协议能够提高音频质量,并减小功耗。

官方表示,大鱼 U2 芯片采用了低功耗工艺,在此基础上优化了芯片设计、系统软件。使用内嵌 U2 芯片的 TWS 耳机与苹果 Airpods 相比,在播放状态下的功耗仅为 12mW,仅为 Airpods 的 2/3;通话状态功耗 19mW,同样为友商的 2/3。此外,产品待机状态下功耗仅为 0.5mW,为 Airpods 的 1/4。

这意味着在待机时间相同的情况下,使用 U2 芯片方案的真无线耳机可以更小、更轻。

IT之家了解到,大鱼 U2 芯片还支持双模蓝牙、LE Audio,同时蓝牙协议向下兼容,从而大大减小了 TWS 耳机使用过程中的延迟、卡顿、断连等问题。

相关问答

苹果主板的u2芯片是哪一个?

是USB电源管理芯片,负责充电和电源分配。它的损坏会引起不开机,或者开机电流增大,待机漏电。开机白苹果定屏,不充电不能联机等情况。iPhone是由美国苹果公...

苹果换u2有风险吗?

苹果换u2有风险。苹果的usb控制芯片(u2)在使用车载充电器、不规范充电头充电后容易坏,坏了就会造成,白苹果不开机、不充电、不支持此配件、不联机、漏电等。...

充电芯片为什么叫u2?

u2其实是USB控制和管理芯片iphone5的时代usb控制芯片是一个常见的问题,图纸的代号是u2.同行维修多叫习惯,就这样叫下来。手机维修中常说的U2就是USB控制芯片...

不装u2芯片可以开机吗?

不装U2芯片的话一般是不能够开机和使用的,这种芯片是属于硬件的电源管理芯片它在使用的时候控制电路和相关充电措施,所以在使用时不装这个芯片肯定是无法开机...

ipad9的u2跟哪个通用?

iPad9的U2芯片是Apple自家设计的一款芯片,主要用于连接性和安全性相关的功能。U2芯片是Apple在iPad9及后续产品中引入的一种安全元素,用于保护设备免受恶意...

苹果11不装u2能开机吗?

苹果11不装U21般是不能够进行开机,这种情况可能在使用手机时会造成电源管理芯片失效或无法进行电池使用,所以需要正规的安装全部零件和芯片后才能使用苹果11...

我的iphone肿么开不了机了、一直出现充电的图、充了4个小时了...

我的昨天也自动关机后开不起机了,充电也是显示一个闪电额符号,就是充了半天的电都开不了,回家连接到电脑上打开91看了下,开始什么也没显示,刷新也没...

夏普ar-4528u打印机出现错误代码为u2-10是什么原因?

U2-40:MCU和CRUM芯片通信故障U2代码非致命故障,多数可用维修代码16执行清除,清除完成可继续正常使用以#-插入-C-插入进入维修模式(面板所有指示灯灭)输入...

电路板上u4是什么元件?

电路板上u4是同步整流芯片。同步整流是采用通态电阻极低的专用功率MOSFET,来取代整流二极管以降低整流损耗的一项新技术,它能有效提高变换器的转换效率,并且...

tcl液晶电视40-L46E77-MAE2XG主板芯片U2的型号是什么?

冷屏技术,亮艳色彩背光源(XWCG-CCFL,DDHD3数字动态全高清芯片,高色温,肤色动态校正,纯黑驱动,主动式背光精细调节,画质提升技术,屏彩科技,蓝晶彩屏技术,DDR存...

 情人节限定  推普废粤 
王经理: 180-0000-0000(微信同号)
10086@qq.com
北京海淀区西三旗街道国际大厦08A座
©2026  上海羊羽卓进出口贸易有限公司  版权所有.All Rights Reserved.  |  程序由Z-BlogPHP强力驱动
网站首页
电话咨询
微信号

QQ

在线咨询真诚为您提供专业解答服务

热线

188-0000-0000
专属服务热线

微信

二维码扫一扫微信交流
顶部