芯片供应商
HOME
芯片供应商
正文内容
定时器芯片 25秒定时芯片 10秒延时IC 高精度定时芯片 单片机定时器芯片
发布时间 : 2025-05-04
作者 : 小编
访问数量 : 161
扫码分享至微信

25秒定时芯片 10秒延时IC 高精度定时芯片 单片机定时器芯片

EH211114-3C01-BED7 10/25秒定时器芯片

一. 功能说明

两路按键输入控制,两路电平信号同步输出:一路OUTH高电平输出、一路OUTL低电平输出,(可二选一)。

上电不工作,OUTH为低电平,OUTL为高电平,短按按键开始计时OUTH输出高电平、OUTL输出低电平,计时结束电平信号翻转。中途触发停止计时输出信号翻转。

KEY1:短按开启25秒定时。

KEY2:短按开启10秒定时。

二. 电气参数(VDD=5.0V TA=25℃)

参数

符号

最小值

典型值

最大值

单位

条件

工作电压

VDD

2.4

3.0

5.0

V

工作电流

IOP

3

mA

Fcpu=2MHz@XTAL-4M

静态电流

ISTB

10

uA

VDD=5V, WDT 开, LVR 关

驱动电流

Iol

30

mA

Vol=0.6V

工作温度

TA

-10

25

70

储存温度

Tstg

-20

25

100

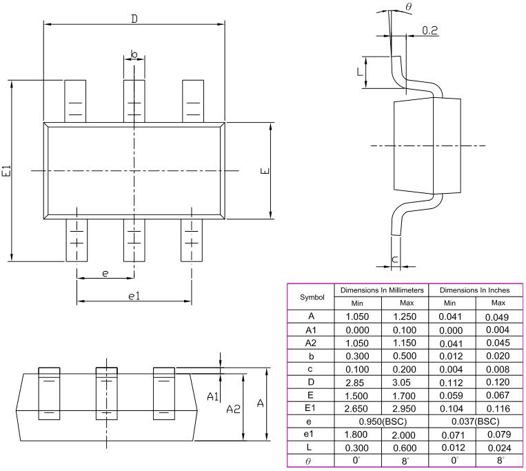
三. 封装脚位图(SOT23-6)

10秒定时芯片

管脚号

符号

功能描述

1

OUTH

信号输出,高电平有效

2

GND

电源负

3

KEY1

25秒定时

4

KEY2

10秒定时

5

VDD

电源正

6

OUTL

信号输出,低电平有效

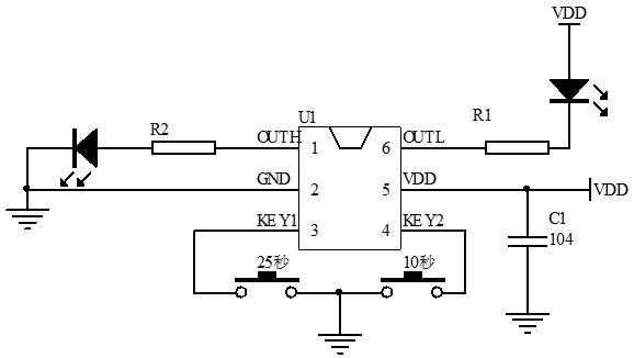
四. 电路图参考

主控接LED应用图

10秒延时开关芯片

五. 封装尺寸图(SOT23-6)

10秒延时开关芯片

六. 版本说明

版本

日期

描述

EH211114-20E7-BED7

2021/11/15

V01初版

EH211114-3C01-BED7

2022-2-23

V02改25秒

定时器芯片方案

广芯微电子(广州)取得一种芯片内部时钟源频率的校准方法专利,大大节省人力和时间成本

金融界 2024 年 9 月 18 日消息,天眼查知识产权信息显示,广芯微电子(广州)股份有限公司取得一项名为“一种芯片内部时钟源频率的校准方法“,授权公告号 CN117938154B,申请日期为 2024 年 2 月。

专利摘要显示,本申请属于芯片技术领域,公开了一种芯片内部时钟源频率的校准方法,该方法包括:将芯片的主频时钟配置为外部高速晶振时钟;第一获取步骤:获取芯片中 TIM 定时器的计数值;基于计数值得到芯片的内部低速时钟频率;判断内部低速时钟频率是否在第一预设期望范围内;若不在,则基于内部低速时钟频率确定第一校准值,并返回第一获取步骤;若在,则将第一校准值输入芯片的预读信息存储区。本申请的时钟校准方法能够无需人工干预,也无需其他外部硬件支持,大大节省了人力和时间成本。

本文源自金融界

相关问答

8个引脚的芯片有什么?

回答如下:8个引脚的芯片有很多种,下面列举几个常见的:1.ATtiny13A-8位AVR微控制器,包括6个输入/输出引脚和1个ADC输入引脚。2.LM358-双运放芯片,包...

定时器工作原理是什么?

原理:只要在定时的时间段内(即1分钟)定时器一直得电,则常开触电就会闭合,只要定时器不断电常开触电就会一直闭合。定时器断电则常开触电断开。定时器插座是...

555定时器电源供电不稳?

原因可能是电源电压波动或电源线路接触不良。555定时器是一种集成电路,它需要稳定的电源供电才能正常工作。如果电源电压波动较大,或者电源线路接触不良,都...

555芯片资料-ZOL问答

谁有555芯片资料要全面点的哈最好有555时基电路作多谐振荡器的应用。和555芯片的工作原理及介绍等等用来写毕业论文的拜托各位大虾了我找了很久都没找...

555定时器名称?

555定时器是一种集成电路芯片,常被用于定时器、脉冲产生器和振荡电路。555可被作为电路中的延时器件、触发器或起振元件。555定时器于1971年由西格尼蒂克公司...

555产生时钟脉冲原理?

555定时器在三种不同工作模式下的工作原理不同:1、单稳态模式在单稳态工作模式下,555定时器作为单次触发脉冲发生器工作。当触发输入电压降至VCC的1/3时开始...

51单片机定时器的内部结构组成?

MCS-51单片机内部结构′是由CPU、存储器和输入/输出接口等组成的。单片机(Single-ChipMicrocomputer)是一种集成电路芯片,是采用超大规模集成电路技术把具有...

EC是什么电脑芯片的缩写?-小红薯71D63E24的回答-懂得

EDCONTROLLER的缩写,指的是嵌入式控制器。嵌入式控制器用于执行指定独立控制功能并具有复杂方式处理数据能力的控制系统。嵌入式控制器由嵌...嵌入...

EC是什么电脑芯片的缩写?-147****3538的回答-懂得

EC(嵌入式控制器)是用于执行指定独立控制功能并具有复杂方式处理数据能力的控制系统。它是由嵌入式微电子技术芯片(包括微处理器芯片、定时器、序列...

交换机定时器原理?

1、原理:只要在定时的时间段内(即1分钟)定时器一直得电,则常开触电就会闭合,只要定时器不断电常开触电就会一直闭合。定时器断电则常开触电断开。2、定时器...

王经理: 180-0000-0000(微信同号)
10086@qq.com
北京海淀区西三旗街道国际大厦08A座
©2026  上海羊羽卓进出口贸易有限公司  版权所有.All Rights Reserved.  |  程序由Z-BlogPHP强力驱动
网站首页
电话咨询
微信号

QQ

在线咨询真诚为您提供专业解答服务

热线

188-0000-0000
专属服务热线

微信

二维码扫一扫微信交流
顶部